- Partiron
- OEM Parts
- Yamaha
- waverunner
- 1999
- GP800X (WAVE RUNNER GP800) GU04 1999
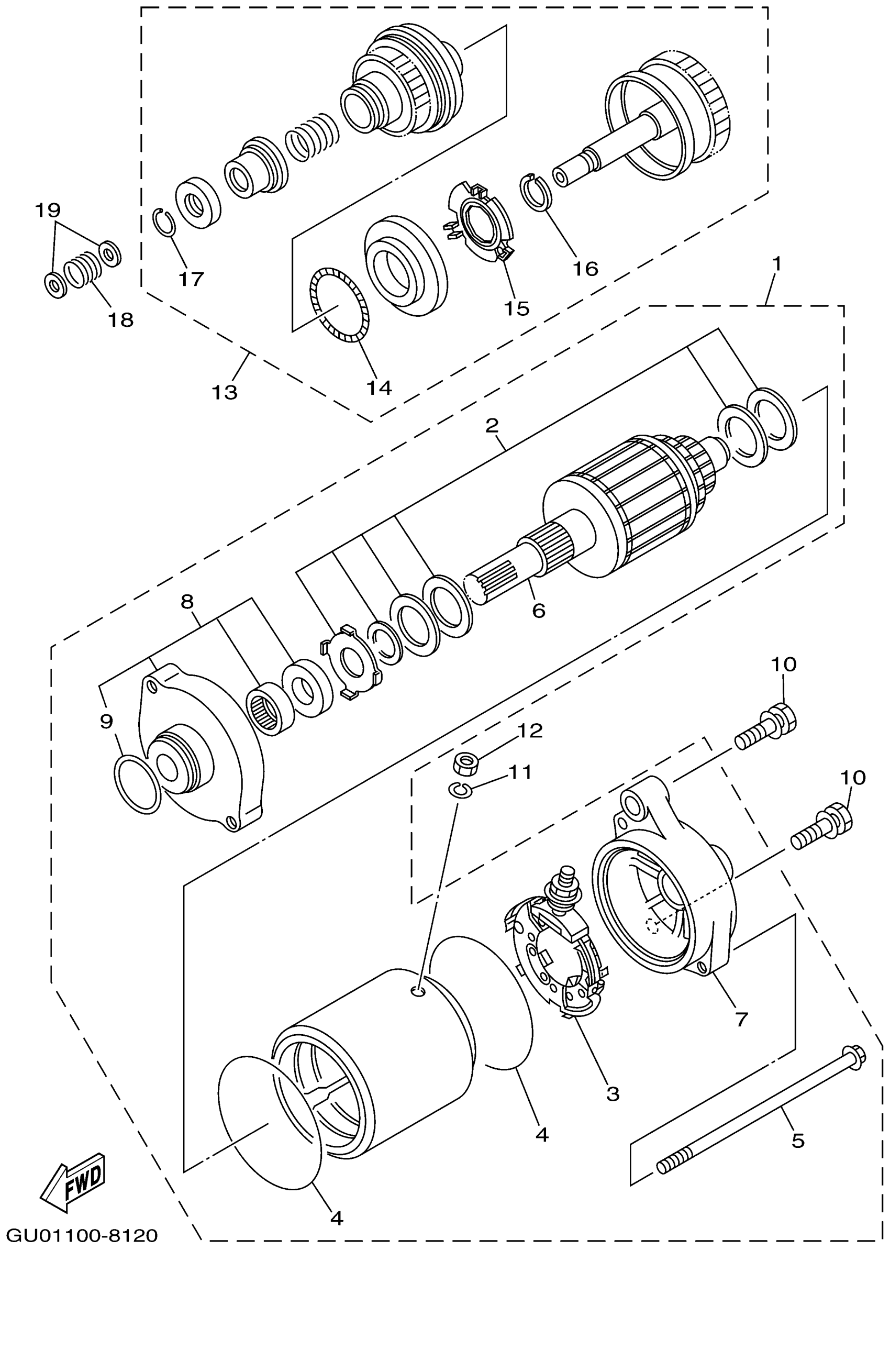
STARTING MOTOR
Yamaha GP800X (WAVE RUNNER GP800) GU04 1999 STARTING MOTOR Diagram
#
Description
Price
1
STARTING MOTOR ASSY
63M-81800-00-00
Unavailable
2
WASHER KIT
3AJ-81809-00-00
Unavailable
3
. BRUSH HOLDER ASSY
6M6-81840-10-00
Unavailable
4
GASKET
35C-81844-00-00
Unavailable
5
. BOLT
6M6-81826-00-00
Unavailable
6
. ARMATURE ASSY
6M6-81850-00-00
Unavailable
7
. REAR BRACKET ASSY
63M-81830-00-00
Unavailable
8
. FRONT BRACKET ASSY
6M6-81830-00-00
Unavailable
11
WASHER, SPRING
92995-06100-00
Unavailable
13
IDLE GEAR COMP.
6M6-8183E-01-00
Unavailable
14
. WEIGHT SPRING
6M6-81866-00-00
Unavailable
15
. WEIGHT HOLDER
6M6-81865-00-00
Unavailable
16
CIRCLIP(6M6)
93440-25M08-00
Unavailable
17
CIRCLIP(6M6)
93450-18M06-00
Unavailable
18
SPRING, COMPRESSION
90501-14M73-00
Unavailable
19
WASHER, PLAIN (646)
92990-06600-00
Unavailable
