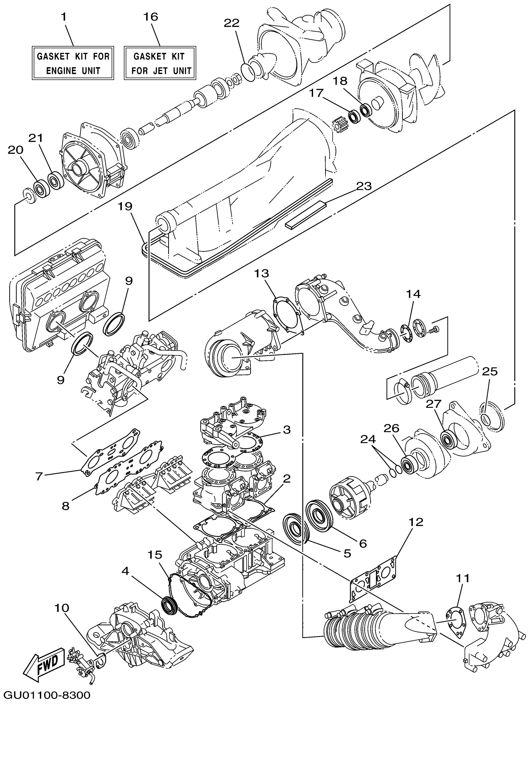
Yamaha GP800X (WAVE RUNNER GP800) GU04 1999 REPAIR KIT 1 Diagram
#
Description
Price
1
GASKET KIT FOR ENGINE UNIT
66E-W0001-00-00
Unavailable
2
GASKET, CYLINDER
66E-11351-02-00
Unavailable
3
. GASKET, CYLINDER HEAD 1
66E-11181-00-00
Unavailable
4
. OIL SEAL
93103-35M03-00
Unavailable
5
OIL SEAL
93101-34001-00
Unavailable
6
OIL SEAL
93101-34002-00
Unavailable
7
. GASKET, MANIFOLD
66E-13556-00-00
Unavailable
8
PLATE,REED VALVE
66E-13624-10-94
Unavailable
9
. O-RING
66E-13473-00-00
Unavailable
10
GASKET, PUMP CASE
63M-13116-00-00
Unavailable
11
. GASKET, EXHAUST PIPE
66E-14613-00-00
Unavailable
12
. GASKET, MUFFLER DAMPER 2
66E-14749-00-00
Unavailable
13
GASKET, EXHAUST OUTER COVER
66E-41124-10-00
Unavailable
14
. GASKET, EXHAUST PIPE
66E-14623-00-00
Unavailable
15
. O-RING
66E-81168-00-00
Unavailable
16
GASKET KIT FOR JET UNIT
66E-W0001-20-00
Unavailable
17
OIL SEAL
93102-17M49-00
Unavailable
18
OIL SEAL
93102-17M50-00
Unavailable
19
. FELT, PACKING
6R8-51367-01-00
Unavailable
20
OIL SEAL(6R7)
93102-25M34-00
Unavailable
21
OIL SEAL(6R7)
93101-25M50-00
Unavailable
22
. O-RING
93210-46M16-00
Unavailable
23
. FELT, PACKING
63N-51368-00-00
Unavailable
24
O-RING(6R7)
93210-17MA4-00
Unavailable
25
O-RING
93210-35M72-00
Unavailable
26
OIL SEAL(62T)
93101-25M55-00
Unavailable
27
OIL SEAL
93101-24001-00
Unavailable
