Partiron

Yamaha GP800AZ (GP800R) F0W1 2001 FUEL Diagram

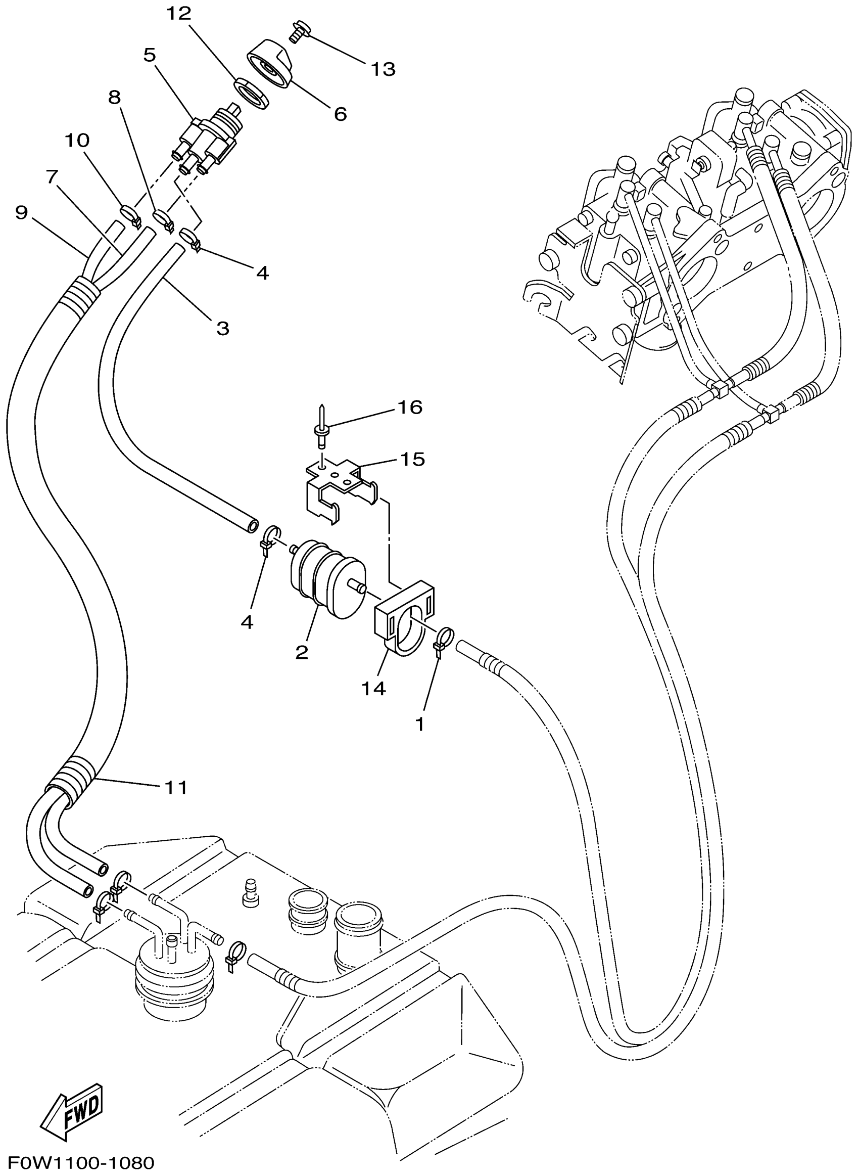
#

Description
Price

1

CLAMP

90465-10098-00

Unavailable

2

FILTER ASSY

66V-24560-01-00

Unavailable

3

HOSE (L590)

90445-11089-00

Unavailable

4

CLAMP

90465-10098-00

Unavailable

5

FUEL COCK ASSY 1

66V-24500-02-00

Unavailable

6

LEVER, COCK

6K8-24524-10-00

Unavailable

7

HOSE (L550)

90445-11006-00

Unavailable

8

CLAMP

90465-10098-00

Unavailable

9

HOSE (L550)

90445-11008-00

Unavailable

10

CLAMP

90465-10098-00

Unavailable

11

HOSE(63M)

90446-27M55-00

$16.99

12

NUT, HEXAGON (1E6)

90170-22187-00

$9.49

13

SCREW, WITH WASHER

90159-04800-00

Unavailable

14

HOLDER, FILTER

EU0-U7817-00-00

Unavailable

15

BRACKET, FUEL FILTER

FN8-67816-00-00

Unavailable

16

RIVET (EU0)

90267-48938-00

Unavailable