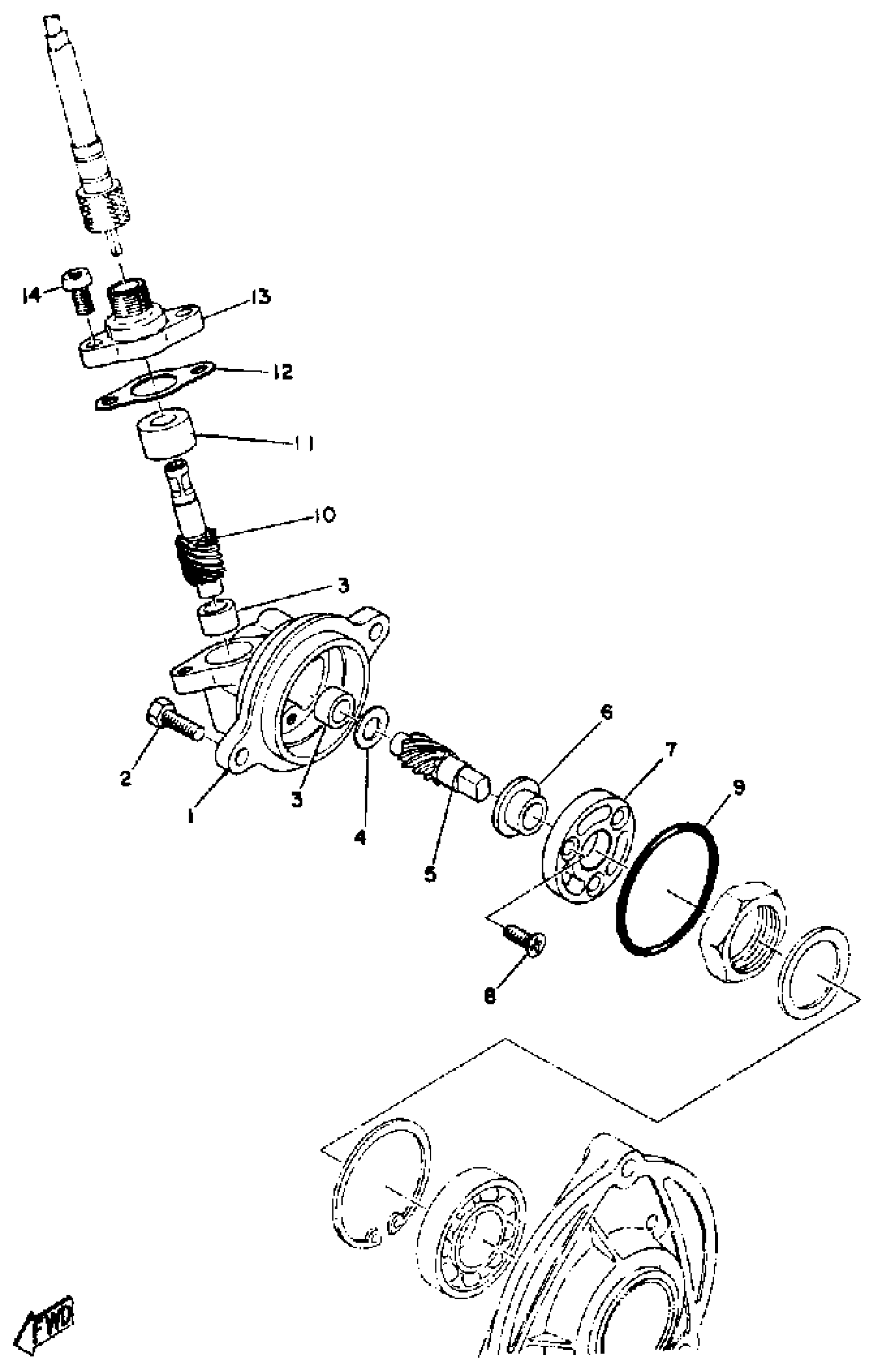
SPEEDOMETER GEAR UNIT
#
1
8E6-47711-10-00
Unavailable
4
810-47717-10-00
Unavailable
5
810-47731-11-00
Unavailable
6
90381-10003-00
Unavailable
7
853-47712-10-00
Unavailable
9
93210-43141-00
Unavailable
10
810-47741-11-00
Unavailable
11
90380-08005-00
Unavailable
12
810-47727-11-00
Unavailable
13
(810-47721-10-00)
Unavailable
13
8E3-47721-10-00
Unavailable
Edit ride
