- Partiron
- OEM Parts
- Yamaha
- snowmobile
- 1971
- GP396 1971
GRIP ANDWIRING
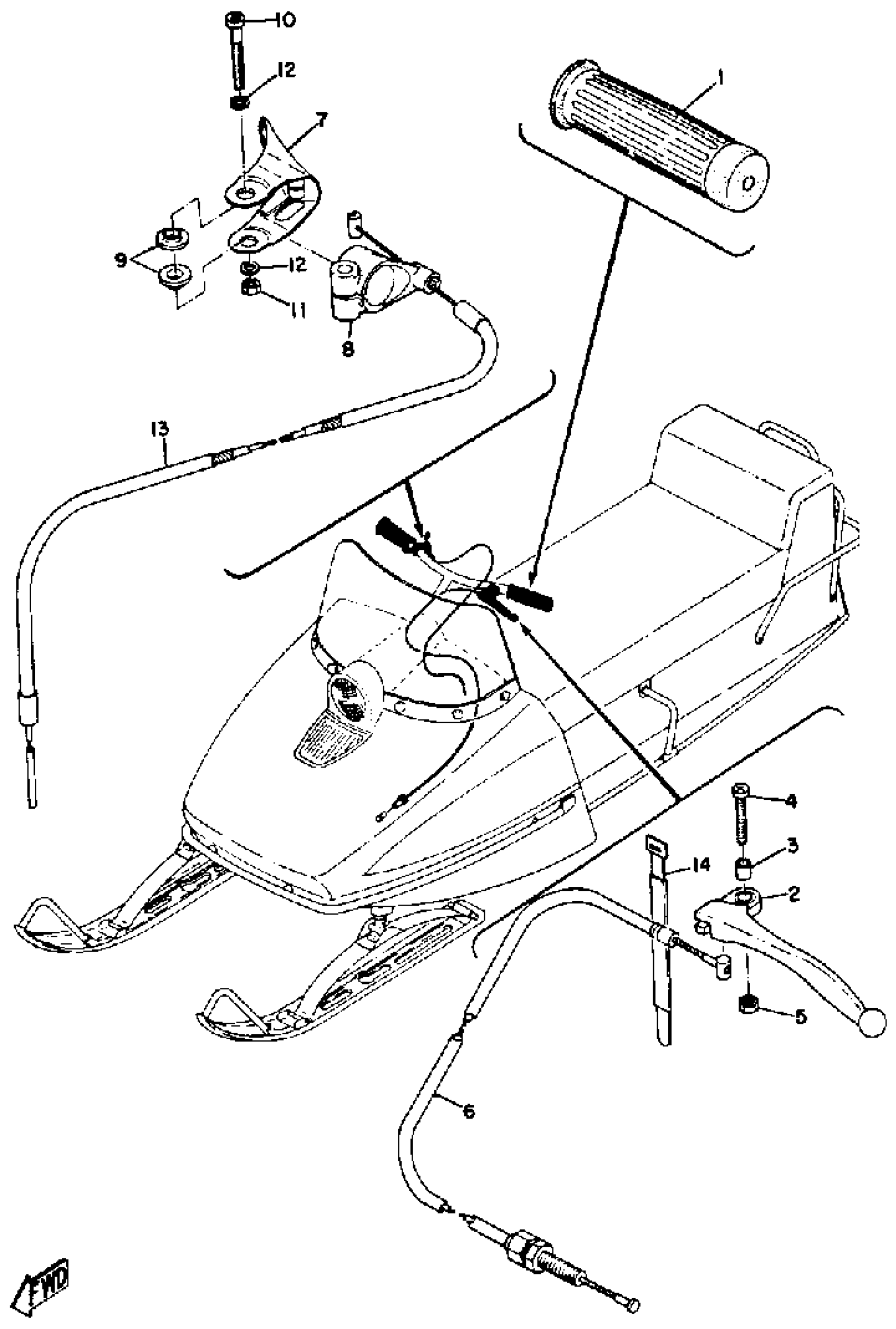
Yamaha GP396 1971 GRIP ANDWIRING Diagram
#
Description
Price
2
LEVER L
803-83912-00-38
Unavailable
3
COLLAR, LEVER
802-83913-00-00
Unavailable
6
CABLE, BRAKE
810-26340-00-00
Unavailable
7
LEVER, THROTTLE
8G8-42138-00-00
Unavailable
7
THROTTLE LEVER
99999-01028-00
Unavailable
8
HOLDER, LEVER 2
810-82821-00-00
Unavailable
10
SCREW, PAN HEAD (810-83925-00)
90157-06004-00
Unavailable
13
CABLE, THROTTLE 1
810-26311-00-00
Unavailable
14
BAND, SWITCH CORD
437-83936-01-00
Unavailable
