- Partiron
- OEM Parts
- Yamaha
- snowmobile
- 1973
- GP338 1973
SPEEDOMETER UNIT
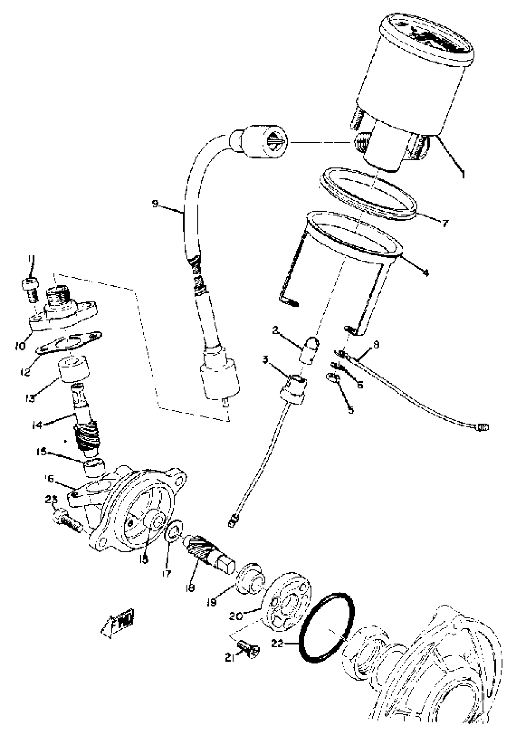
Yamaha GP338 1973 SPEEDOMETER UNIT Diagram
#
Description
Price
1
SPEEDOMETER ASSEMBLY
(839-83510-40-00)
Unavailable
2
BULB
256-84347-00-00
Unavailable
3
SOCKET, METER
(839-83536-40-00)
Unavailable
4
PLATE, FITTING
(839-83514-40-00)
Unavailable
7
GROMMET
(90480-58085-00)
Unavailable
8
CASE, SPDMTR UPPER
(842-83571-00-00)
Unavailable
9
SPEEDOMETER CABLE
839-83550-01-00
Unavailable
10
COVER, METER HOUSING
8E3-47721-10-00
Unavailable
12
GASKET
810-47727-11-00
Unavailable
13
BUSH, SOLID
90380-08005-00
Unavailable
14
GEAR, DRIVEN (810-47741-10)
810-47741-11-00
Unavailable
15
BUSH, SOLID
(90380-08002-00)
Unavailable
16
HOUSING
8E6-47711-10-00
Unavailable
17
SHIM
810-47717-10-00
Unavailable
18
GEAR, DRIVE
810-47731-11-00
Unavailable
19
BUSH, SOLID
90381-10003-00
Unavailable
20
JOURNAL
853-47712-10-00
Unavailable
21
SCREW, FLAT
98707-04012-00
Unavailable
22
O-RING
93210-43141-00
Unavailable
23
BOLT, HEXAGON DEEP RECESS
97D95-06016-00
Unavailable
