- Partiron
- OEM Parts
- Yamaha
- snowmobile
- 1976
- GP300 1976
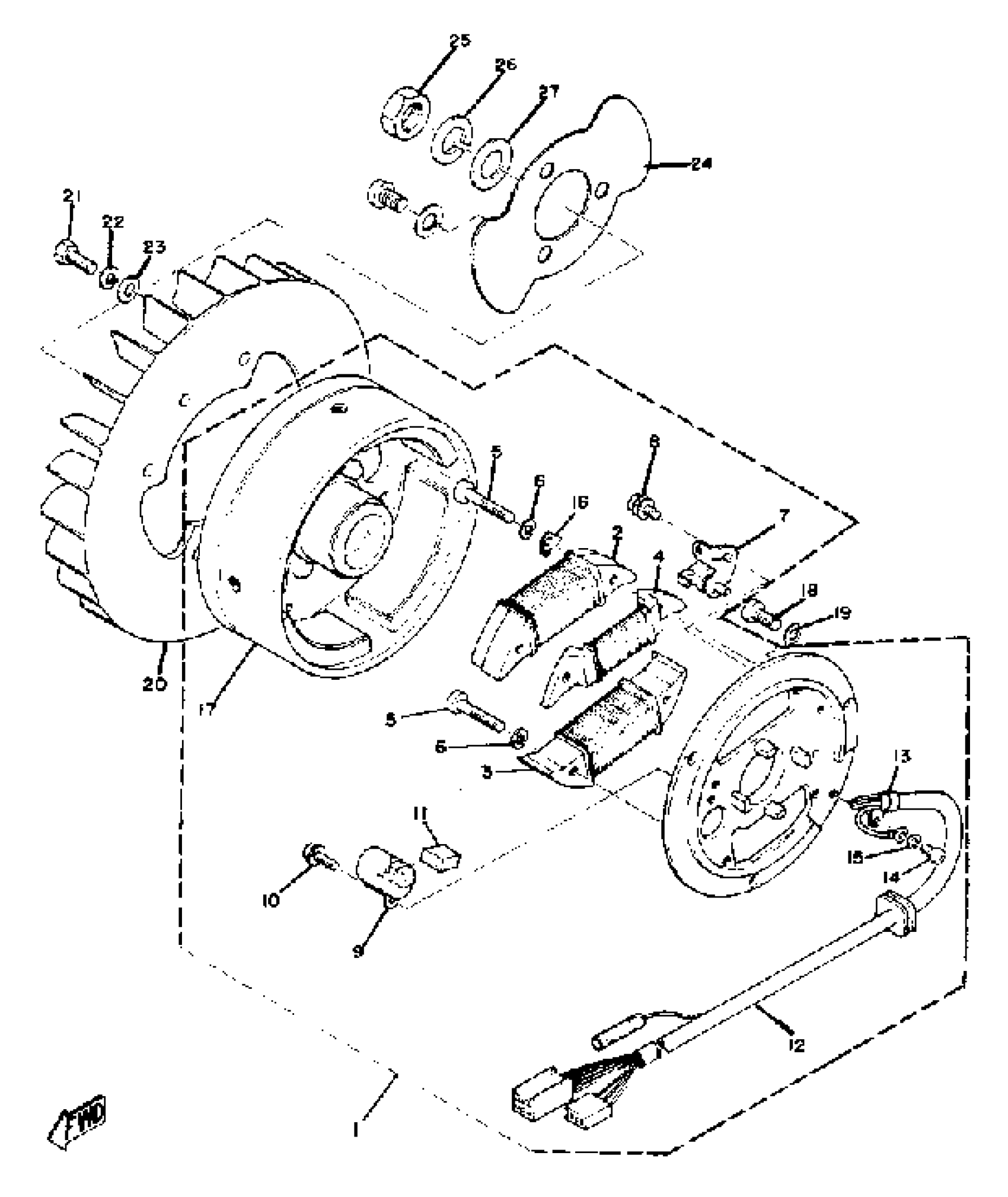
FLYWHEEL MAGNETO
Yamaha GP300 1976 FLYWHEEL MAGNETO Diagram
#
Description
Price
1
FLYWHL MAGNETO ASSEMBLY
(898-81300-20-00)
Unavailable
2
. COIL, SOURCE
839-81312-20-00
Unavailable
3
. COIL, LIGHTING 1
898-81313-20-00
Unavailable
4
. COIL, LIGHTING 2
898-81314-20-00
Unavailable
5
. SCREW, PAN HEAD
802-81345-20-00
Unavailable
7
. CONTACT BRKR ASSEMBLY
806-81321-20-00
Unavailable
9
. CONDENSER 1
802-81325-90-00
Unavailable
11
. LUBRICATOR
116-81331-20-00
Unavailable
12
LEAD WIRE ASSEMBLY
(898-81315-20-00)
Unavailable
16
PLATE, TIMING
(812-81332-20-00)
Unavailable
17
ROTOR ASSEMBLY
(860-81350-20-00)
Unavailable
18
SCREW, PAN
98507-06014-00
Unavailable
19
YBS66-6 WASHER, PLAIN
92990-06200-00
Unavailable
20
FAN
(812-12611-00-00)
Unavailable
21
BOLT
90101-06127-00
Unavailable
22
WASHER, SPRING
92995-06100-00
Unavailable
23
WASHER, PLATE
90201-06M08-00
Unavailable
24
COVER, HOLE
(812-81362-00-00)
Unavailable
25
NUT
90170-16425-00
Unavailable
26
WASHER(JN5)
92907-16100-00
Unavailable
27
WASHER, PLATE (32N)
90201-163G6-00
Unavailable
