- Partiron
- OEM Parts
- Yamaha
- waverunner
- 2023
- GP1800CY (GP1800R SVHO_SVHO WITH AUDIO) F4P6 2023
CONTROL CABLE
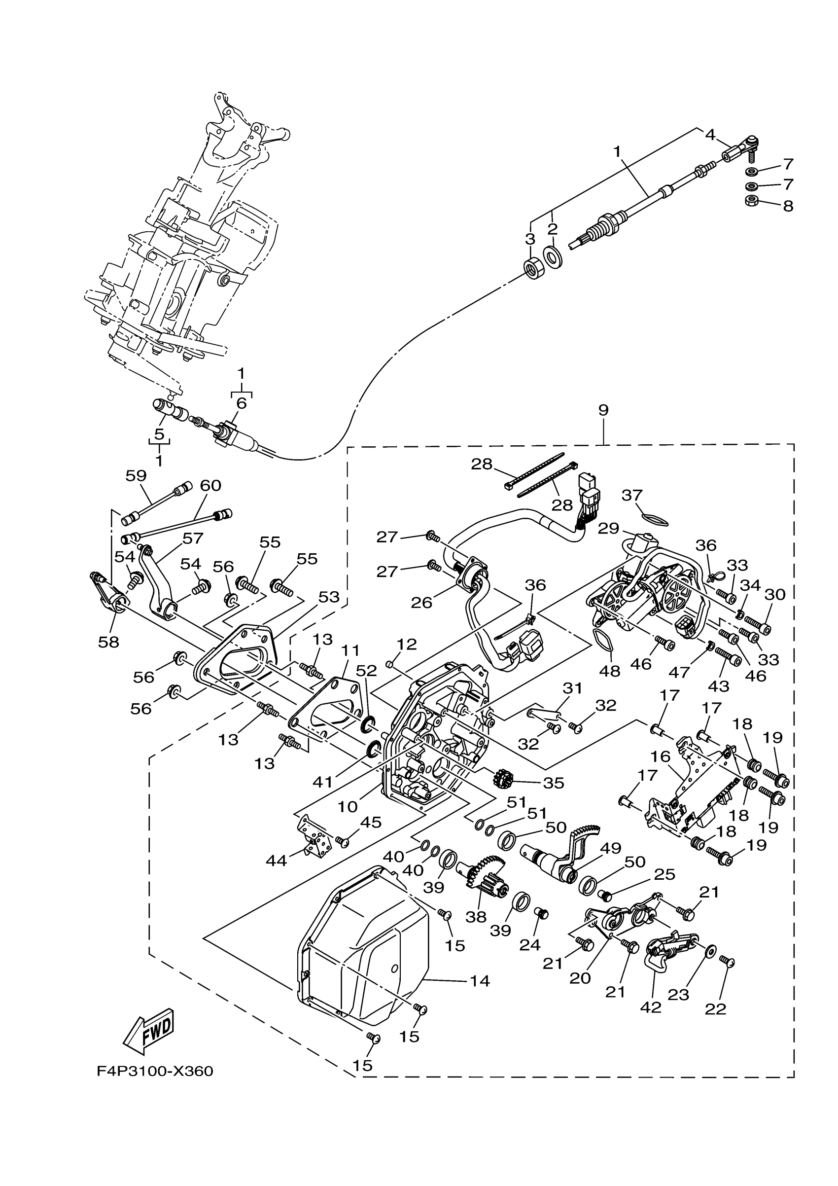
Yamaha GP1800CY (GP1800R SVHO_SVHO WITH AUDIO) F4P6 2023 CONTROL CABLE Diagram
#
2
. PACKING C
F1B-61438-00-00
Unavailable
3
NUT
F1B-6151S-01-00
Unavailable
4
. STUD, JOINT BALL
F1B-61461-02-00
Unavailable
5
. BALL JOINT ASSY
F2N-61460-00-00
Unavailable
6
. NUT, LOCK
F1B-61425-00-00
Unavailable
7
WASHER, PLATE
90201-06906-00
Unavailable
8
NUT
9538R-06700-00
Unavailable
9
MOTOR ASSY.
99999-04615-00
Unavailable
10
. HOUSING
F4P-6152K-00-00
Unavailable
11
. SEAL
F4P-63262-00-00
Unavailable
12
. PLUG
F3J-613D0-00-00
Unavailable
13
. BOLT, STUD
F3J-67369-00-00
Unavailable
14
. COVER
F3Y-6143J-00-00
Unavailable
15
. SCREW
F3Y-68198-00-00
Unavailable
16
. CONTROL UNIT
F4P-68197-01-00
Unavailable
17
. COLLAR
90387-06119-00
Unavailable
18
DAMPER, IGNITION C
6A0-82317-01-00
Unavailable
19
. BOLT
F3J-613B4-20-00
Unavailable
20
. PLATE
F4P-61256-00-00
Unavailable
21
. BOLT, HEXAGON
F3Y-613B3-00-00
Unavailable
22
. SCREW
F3J-68198-20-00
Unavailable
23
. WASHER, PLAIN
F3J-613C3-10-00
Unavailable
24
. MAGNET, SENSOR
F3J-60428-00-00
Unavailable
25
. MAGNET, SENSOR
F3J-60428-00-00
Unavailable
26
. WIRE HARNESS ASSY
F4P-68270-00-00
Unavailable
27
. SCREW
F3J-68198-00-00
Unavailable
28
. CLAMP, WIRE
F3J-68273-00-00
Unavailable
29
. MOTOR
F4P-68352-00-00
Unavailable
30
. BOLT
F3J-613B4-00-00
Unavailable
31
. PLATE
F3Y-61348-00-00
Unavailable
32
. SCREW
F3J-68198-20-00
Unavailable
33
. BOLT
F3J-613B4-10-00
Unavailable
34
. SPACER
F3J-61492-00-00
Unavailable
35
. GEAR 1
F4P-60211-00-00
Unavailable
36
. CLAMP
F4P-68273-00-00
Unavailable
37
. O-RING
F4P-613A5-10-00
Unavailable
38
SHAFT, 1
F3Y-60221-10-00
Unavailable
39
. BUSH
F3Y-61344-00-00
Unavailable
40
O-RING
F4P-613A5-00-00
Unavailable
41
. BUSH
F4P-61344-00-00
Unavailable
42
. SENSOR, ANGLE
F4P-85887-00-00
Unavailable
43
. BOLT
F3J-613B4-00-00
Unavailable
44
. PLATE
F4P-61348-00-00
Unavailable
45
. SCREW
F3J-68198-20-00
Unavailable
46
. BOLT
F3J-613B4-10-00
Unavailable
47
. SPACER
F3J-61492-00-00
Unavailable
48
. O-RING
F4P-613A5-10-00
Unavailable
49
SHAFT, 2
99999-04616-00
Unavailable
50
. BUSH
F3Y-61344-00-00
Unavailable
51
O-RING
F4P-613A5-00-00
Unavailable
52
. BUSH
F4P-61344-00-00
Unavailable
53
PLATE
F4P-U8285-00-00
Unavailable
54
BOLT, WITH WASHER
90119-06894-00
Unavailable
55
BOLT, WITH WASHER
90119-08852-00
Unavailable
56
NUT, LOCK
F3Y-U142L-00-00
Unavailable
57
TRIM ARM ASSY
F4P-6150E-00-00
Unavailable
58
SHIFT ARM ASSY
F3Y-6150F-00-00
Unavailable
59
ROD ASSY
F3J-6150A-00-00
Unavailable
60
ROD ASSY 2
F3J-6150D-00-00
Unavailable
