- Partiron
- OEM Parts
- Yamaha
- waverunner
- 2022
- GP1800CX (GP1800R SVHO_SVHO WITH AUDIO) F4P4 2022
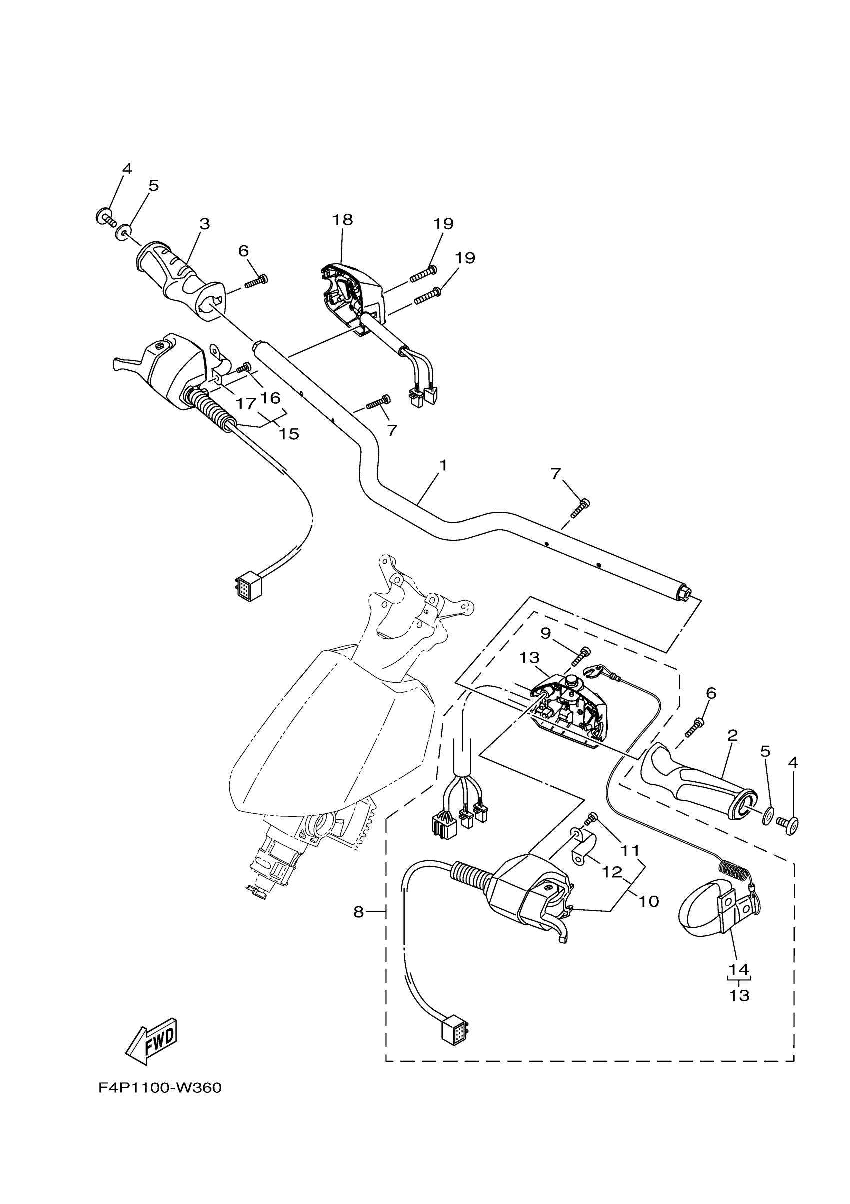
STEERING 1
Yamaha GP1800CX (GP1800R SVHO_SVHO WITH AUDIO) F4P4 2022 STEERING 1 Diagram
#
Description
Price
1
HANDLE
F4P-U1552-20-00
Unavailable
1
HANDLE
F4P-U1552-30-00
Unavailable
2
GRIP,HANDLE
F4P-U155C-00-00
Unavailable
2
GRIP,HANDLE
F4P-U155C-30-00
Unavailable
3
GRIP, HANDLE
F4P-U155D-00-00
Unavailable
3
GRIP, HANDLE
F4P-U155D-30-00
Unavailable
4
BOLT, HEXAGON SOCKET HEAD
90110-06383-00
Unavailable
5
WASHER, PLATE
90201-068G0-00
Unavailable
6
BOLT
F2S-U1516-00-00
Unavailable
7
BOLT
91380-04030-00
Unavailable
8
SWITCH BOX ASSY
F4P-68310-03-00
Unavailable
9
BOLT, THROTTLE
6CS-6725F-00-00
Unavailable
10
SHIFT LEVER ASSY
F4P-26411-02-00
Unavailable
11
. BOLT, THROTTLE
F4P-6725F-00-00
Unavailable
12
. SUPPORT
F4P-61368-00-00
Unavailable
13
SWITCH ASSY
F4P-8259E-01-00
Unavailable
14
. LANYARD, STOP SWITCH
EW2-68348-00-00
Unavailable
15
THROTTLE LEVER COMP
F4P-14305-02-00
Unavailable
16
. BOLT, THROTTLE
F4P-6725F-00-00
Unavailable
17
. SUPPORT
F4P-61368-00-00
Unavailable
18
SWITCH ASSY
F4P-81860-01-00
Unavailable
19
BOLT, THROTTLE
6CS-6725F-00-00
Unavailable
