Yamaha GP1300CB (GP1300R) F1G11 2003 STEERING 1 Diagram
#
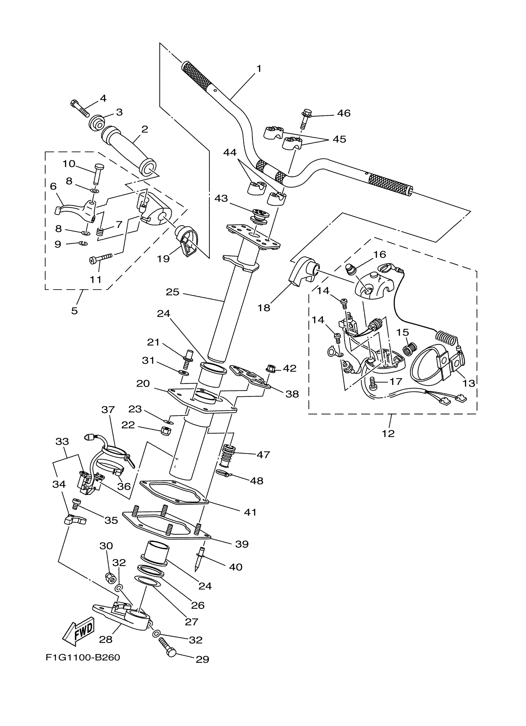
1
HANDLE
F0X-61552-00-00
Unavailable
2
GRIP, HANDLE
GP7-U155D-01-00
Unavailable
3
GRIP, END
GP7-U155F-00-00
Unavailable
4
BOLT, HEXAGON SOCKET HEAD
90110-05908-00
Unavailable
5
THROTTLE LEVER ASSY
F0D-67250-10-00
Unavailable
6
LEVER, THROTTLE
F0D-67255-02-00
Unavailable
7
. SPRING
EW2-67256-00-00
Unavailable
9
CIRCLIP (EU0)
99080-04600-00
Unavailable
10
. SHAFT
F0D-67257-00-00
Unavailable
12
SWITCH BOX ASSY
FK7-68310-07-00
Unavailable
13
. LANYARD, STOP SWITCH
EW2-68348-00-00
Unavailable
15
. STOP BUTTON COMP
FK7-68312-02-00
Unavailable
16
. START BUTTON COMP
FK7-68313-02-00
Unavailable
18
SPACER
F1G-U143G-00-00
Unavailable
19
SPACER 2
F1G-U143H-00-00
Unavailable
20
HOUSING ASSY
F1G-6152M-00-00
Unavailable
21
PIN, STOPPER
FN8-6131B-00-00
Unavailable
22
NUT, NYLON (FN8)
95720-10300-00
Unavailable
23
WASHER, PLATE
92990-10600-00
Unavailable
24
BEARING, COLUMN
F0X-6141B-00-00
Unavailable
25
COLUMN, STEERING
F0X-61541-00-00
Unavailable
26
WASHER
F0X-6153P-00-00
Unavailable
27
WASHER
F0X-6153P-10-00
Unavailable
28
ARM, STEERING
F1G-6151B-00-00
Unavailable
29
BOLT
90101-08003-00
Unavailable
30
NUT, SELF-LOCKING
90185-08002-00
Unavailable
31
WASHER, PLATE
90201-10017-00
Unavailable
32
.. WASHER, PLATE
92990-08600-00
Unavailable
33
SENSOR MAGNET
F1G-6838B-00-00
Unavailable
34
. MAGNET
F1B-6838C-00-00
Unavailable
35
SCREW, PAN HEAD
90157-05M19-00
Unavailable
36
CLAMP
F1G-68368-00-00
Unavailable
37
BAND (EU0)
90601-20009-00
Unavailable
38
PLATE
F0X-61596-00-00
Unavailable
39
PLATE, BRACKET
F0X-6133B-00-00
Unavailable
40
RIVET, BLIND
90267-489U6-00
Unavailable
41
SEAL, RUBBER
F0X-6143C-00-00
Unavailable
42
NUT, NYLON (6J8)
95780-08300-00
Unavailable
43
PACKING, STEERING COLUMN
F1G-61469-00-00
Unavailable
44
HOLDER, HANDLE UPPER
EU0-23814-02-00
Unavailable
45
HOLDER, HANDLE UPPER
EU0-23814-32-00
Unavailable
46
BOLT,WITH WASHER
90119-08831-00
Unavailable
47
GROMMET
F0D-6822E-00-00
Unavailable
48
CLAMP
90464-32801-00
Unavailable
