Yamaha GP1200W (WAVE RUNNER GP1200) 1998 FUEL TANK Diagram
#
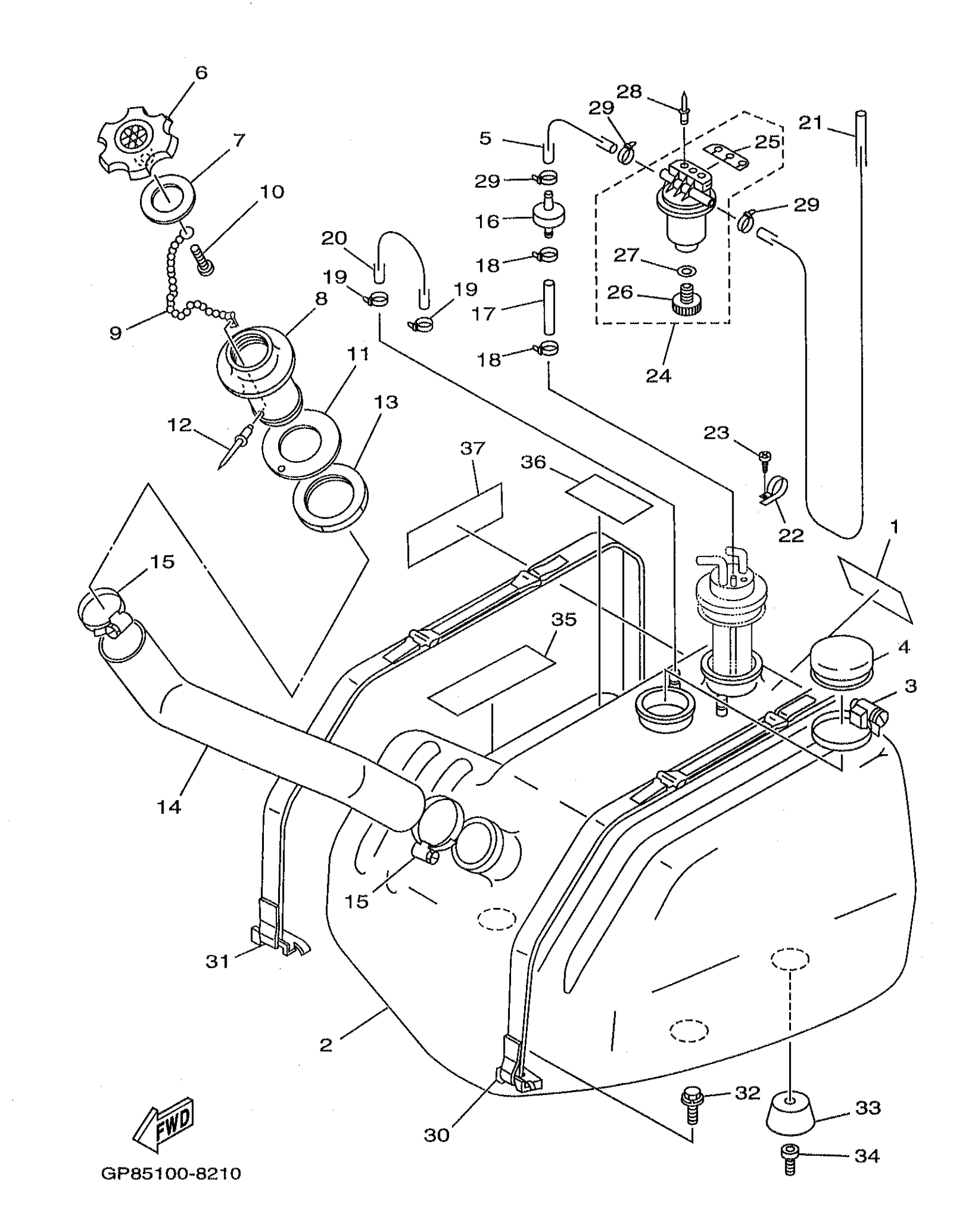
1
LABEL, FUEL TANK
GH3-6418D-00-00
Unavailable
2
TANK, FUEL
GH3-U7711-00-00
Unavailable
3
BAND, HOSE 62
90601-162U5-00
Unavailable
4
COVER
FN8-6771K-00-00
Unavailable
5
HOSE, AIR VENT 3
GP7-U7856-00-00
Unavailable
6
CAP, FUEL FILLER
GP7-U7831-01-00
Unavailable
7
PACKING
GP7-U7832-01-00
Unavailable
8
SOCKET
GP7-U7833-00-00
Unavailable
9
CHAIN BALL
GP7-U7835-00-00
Unavailable
10
SCREW, TRUSS HEAD TAPPING
90169-049U1-00
Unavailable
11
PACKING FUEL FILLER
GP7-U7834-00-00
Unavailable
12
RIVET, BLIND
90267-329UR-00
Unavailable
13
NUT, FUEL FILLER
GP7-U783F-00-00
Unavailable
14
HOSE
GP8-U7844-00-00
Unavailable
15
BAND, HOSE 55
90601-155U4-00
Unavailable
16
CHECK VALVE
EU0-67767-31-00
Unavailable
17
HOSE, AIR VENT 3
GP7-U785H-00-00
Unavailable
18
CLAMP
90465-10098-00
Unavailable
19
CLAMP
90465-10098-00
Unavailable
20
HOSE, AIR VENT 3
GP7-U7856-00-00
Unavailable
21
HOSE, AIR VENT
GP7-U785G-10-00
Unavailable
22
CLIP, NYLON 18
90600-918U3-00
Unavailable
23
SCREW, PANHEAD TAPPING (J20)
97780-60116-00
Unavailable
24
FILTER, VENT ASSY
F2F-6214A-00-00
Unavailable
25
. PLATE, FILTER
EW2-62142-00-00
Unavailable
26
. PLUG, DRAIN
70R-24543-00-00
Unavailable
27
. O-RING
70R-24489-00-00
Unavailable
28
RIVET (EU0)
90267-48938-00
Unavailable
29
CLAMP
90465-10098-00
Unavailable
30
BELT, TANK 1
GJ1-67743-01-00
Unavailable
31
BELT, TANK 1
GJ8-67743-01-00
Unavailable
32
BOLT, WITH WASHER
90119-08800-00
Unavailable
33
DAMPER, FUEL TANK
GH1-U782B-00-00
Unavailable
34
BOLT, HEXAGON SOCKET HEAD
90110-089U1-00
Unavailable
35
MAT 1
GJ1-U759B-00-00
Unavailable
36
MAT 2
GJ1-U759C-00-00
Unavailable
37
MAT 3
GH1-U759D-00-00
Unavailable
