Yamaha GP1200AZ (GP1200R) F0X3 2001 EXHAUST 2 Diagram
#
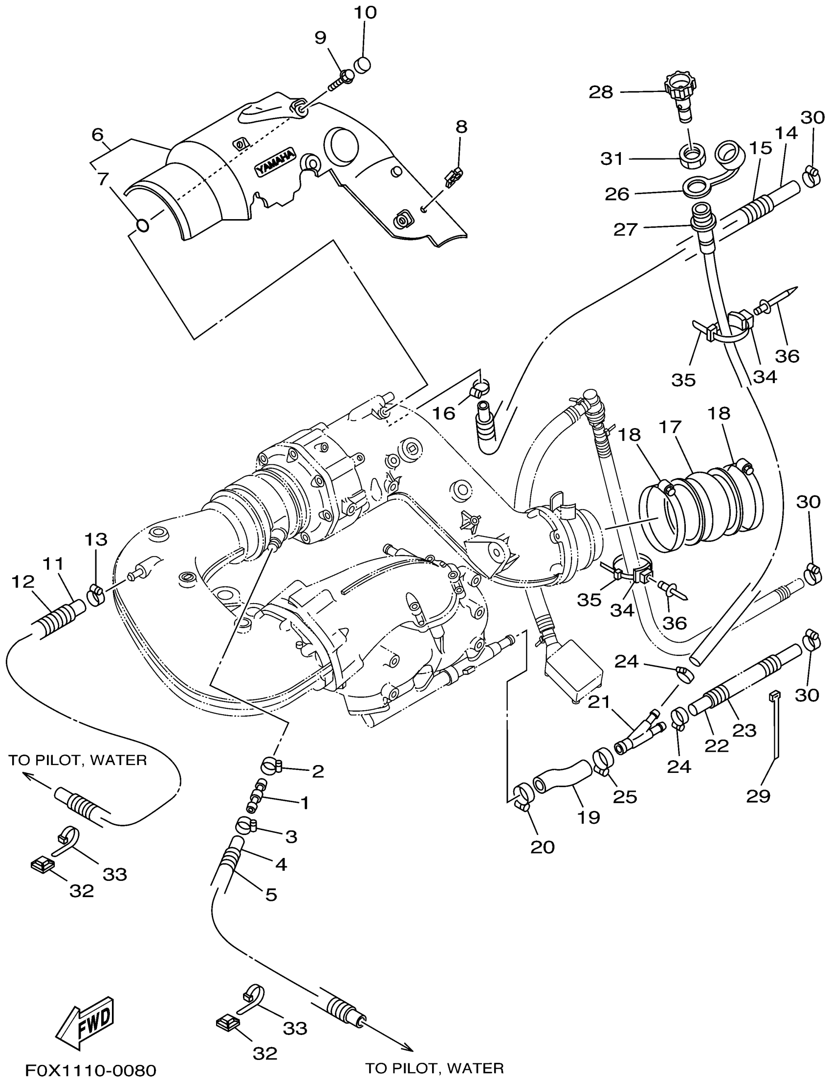
1
JOINT, HOSE 4
60E-12594-00-00
Unavailable
2
HOSE CLAMP ASSY
90450-18M09-00
Unavailable
4
HOSE (L1300)
90445-14M22-00
Unavailable
6
PROTECTOR, MUFFLER 1
67X-14718-00-00
Unavailable
7
. GASKET
90430-09M10-00
Unavailable
10
COVER
66V-15779-00-00
Unavailable
11
HOSE
90445-14M03-00
Unavailable
13
HOSE CLAMP ASSY
90450-18M09-00
Unavailable
14
HOSE (L900)
90445-21002-00
Unavailable
15
HOSE (L800)
90446-27M95-00
Unavailable
16
HOSE CLAMP ASSY(64X)
90450-22M14-00
Unavailable
17
PIPE, OUTLET
66V-14752-00-00
Unavailable
18
HOSE CLAMP ASSY(62T)
90450-99M02-00
Unavailable
19
HOSE 4
66V-12579-00-00
Unavailable
20
HOSE CLAMP ASSY(64X)
90450-22M14-00
Unavailable
21
JOINT, HOSE 1
66V-12581-00-00
Unavailable
22
HOSE
90445-18M16-00
Unavailable
23
HOSE
90446-24M81-00
Unavailable
24
HOSE CLAMP ASSY
90450-18M09-00
Unavailable
25
HOSE CLAMP ASSY(64X)
90450-22M14-00
Unavailable
26
CAP,1
682-84385-01-00
Unavailable
27
JOINT ASSY
64T-12580-00-00
Unavailable
28
CONDUCTION ASSY (US)
67X-E2590-00-00
Unavailable
29
BAND
90601-200U2-00
Unavailable
30
BAND, HOSE 18
90601-118UF-00
Unavailable
31
NUT
EU0-61652-00-00
Unavailable
32
BASE, CLAMP
90600-900U6-00
Unavailable
33
CLAMP(JN6)
90464-40825-00
Unavailable
34
CLAMP COMP (EU0)
90600-91736-00
Unavailable
35
BAND
90601-200U2-00
Unavailable
36
RIVET, BLIND
90267-48802-00
Unavailable
