- Partiron
- OEM Parts
- Yamaha
- waverunner
- 2001
- GP1200AZ (GP1200R) F0X3 2001
ELECTRICAL 1
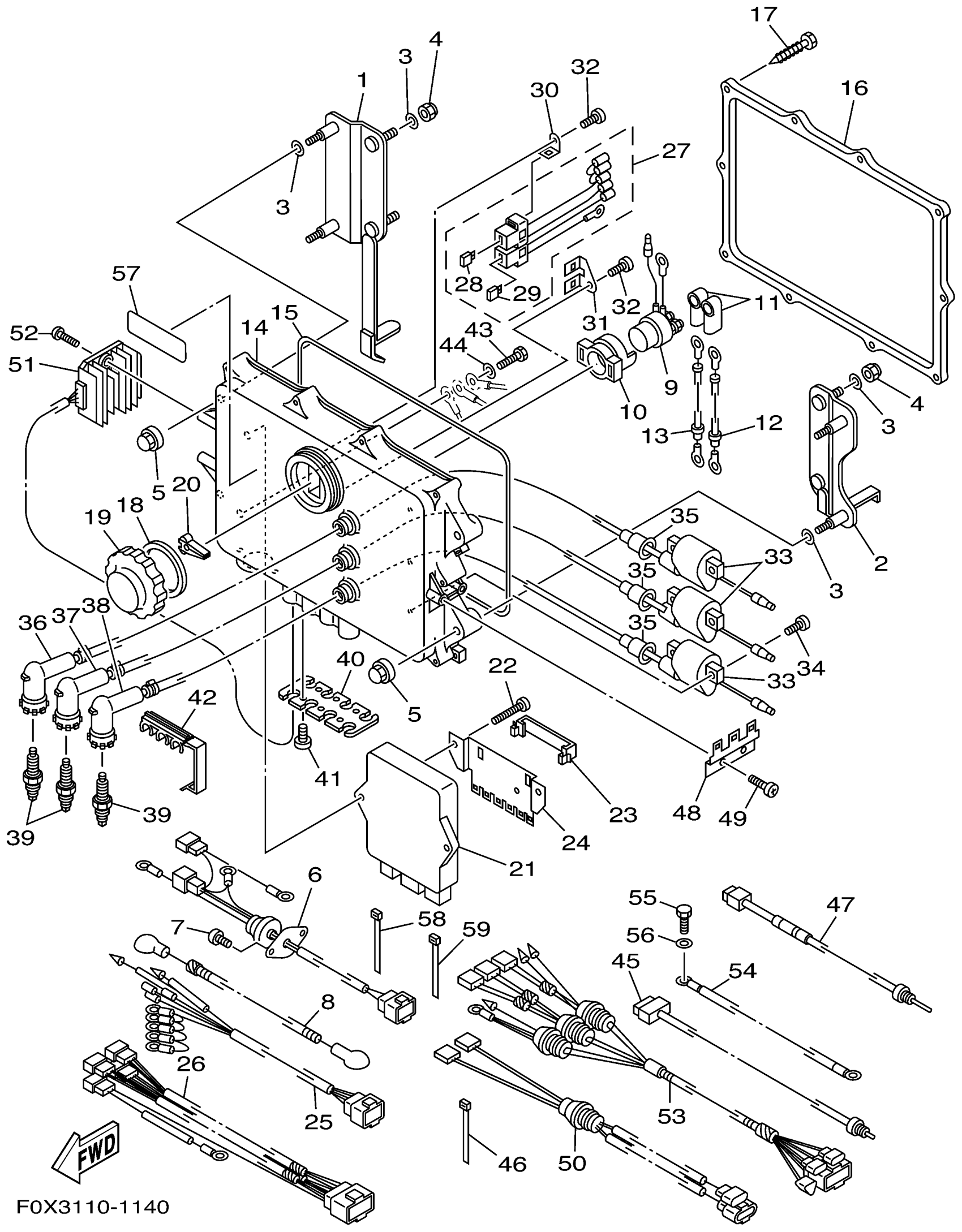
Yamaha GP1200AZ (GP1200R) F0X3 2001 ELECTRICAL 1 Diagram
#
1
BRACKET, ELECTRIC BOX
F0X-6815D-00-00
Unavailable
2
BRACKET, ERECTRIC BOX 2
F0X-6815E-00-00
Unavailable
4
NUT, NYLON (6J8)
95780-08300-00
Unavailable
5
NUT
90179-08978-00
Unavailable
6
LEAD WIRE ASSY
66V-81315-00-00
Unavailable
7
SCREW, TAPPING
97780-60425-00
Unavailable
8
WIRE, LEAD
67X-82117-00-00
Unavailable
9
STARTER RELAY ASSY
6G1-81941-10-00
Unavailable
10
HOLDER, RELAY
6M6-81952-01-00
Unavailable
11
COVER, LEAD WIRE
66V-82119-00-00
Unavailable
12
WIRE, LEAD
67X-82117-10-00
Unavailable
13
WIRE, LEAD
67X-82117-20-00
Unavailable
14
HOUSING
66V-8552A-00-00
Unavailable
15
GASKET, TERMINAL
66V-81921-00-00
Unavailable
16
COVER, CASE
66V-8552E-00-00
Unavailable
17
SCREW, TAPPING
97780-60430-00
Unavailable
18
. GASKET
66V-81844-00-00
Unavailable
19
. CAP
66V-8132W-00-00
Unavailable
20
. PULLER, FUSE
67F-2812A-00-00
Unavailable
21
C.D.I. UNIT ASSY
66V-85540-00-00
Unavailable
22
SCREW, TAPPING
97780-60530-00
Unavailable
23
CLAMP, HARNESS
66V-83919-00-00
Unavailable
24
BRACKET 1
66V-83955-00-00
Unavailable
25
LEAD WIRE ASSY
66V-85515-00-00
Unavailable
26
WIRE, LEAD
66V-83553-00-00
Unavailable
27
FUSE HOLDER ASSY
66V-82150-00-00
Unavailable
28
FUSE
5JJ-82151-20-00
Unavailable
29
. FUSE (10A)
67F-82151-40-00
Unavailable
30
STAY, FUSE BOX
66V-82171-00-00
Unavailable
31
STAY, FUSE HOLDER
66V-82153-00-00
Unavailable
32
SCREW, PANHEAD TAPPING (J20)
97780-60116-00
Unavailable
33
IGNITION COIL ASSY
66V-85570-00-00
Unavailable
34
SCREW, TAPPING(65J)
97780-60625-00
Unavailable
35
GROMMET
66V-82355-00-00
Unavailable
36
HIGH TENSION CORD ASSY 1
66V-82340-01-00
Unavailable
37
HIGH TENSION CORD ASSY 1
66V-82340-11-00
Unavailable
38
HIGH TENSION CORD ASSY 1
67X-82340-21-00
Unavailable
39
BR8ES-11 NGK 4PK
BR8-ES110-00-00
Unavailable
40
COVER
66V-85525-00-00
Unavailable
41
SCREW, TAPPING
97780-60425-00
Unavailable
42
CLAMP, CORD
65U-81317-10-00
Unavailable
43
BOLT(GH1)
97080-06012-00
Unavailable
44
WASHER, PLAIN (646)
92990-06600-00
Unavailable
45
THERMOSENSOR ASSY
66V-85790-10-00
Unavailable
46
CLAMP
90465-10098-00
Unavailable
47
SENSOR, EXT, TEMP.
66V-85881-00-00
Unavailable
48
BRACKET
66V-85542-00-00
Unavailable
49
SCREW, PANHEAD TAPPING (J20)
97780-60116-00
Unavailable
50
WIRE, SUB LEAD
66V-82509-00-00
Unavailable
51
RECTIFIER & REGULATOR ASSY
66V-81960-00-00
Unavailable
52
SCREW, TAPPING
97780-60425-00
Unavailable
53
EXTENSION, WIRE LEAD
67X-82553-00-00
Unavailable
54
WIRE, LEAD 2
66V-82127-00-00
Unavailable
55
BOLT, HEXAGON DEEP RECESS
97D95-06016-00
Unavailable
56
WASHER, PLAIN (646)
92990-06600-00
Unavailable
57
MARK 3
6R7-83623-40-00
Unavailable
58
CLAMP(6E8)
90465-13M39-00
Unavailable
59
CLAMP
90465-11M52-00
Unavailable
