- Partiron
- OEM Parts
- Suzuki
- Motorcycle
- 1988
- GN250 (1988)
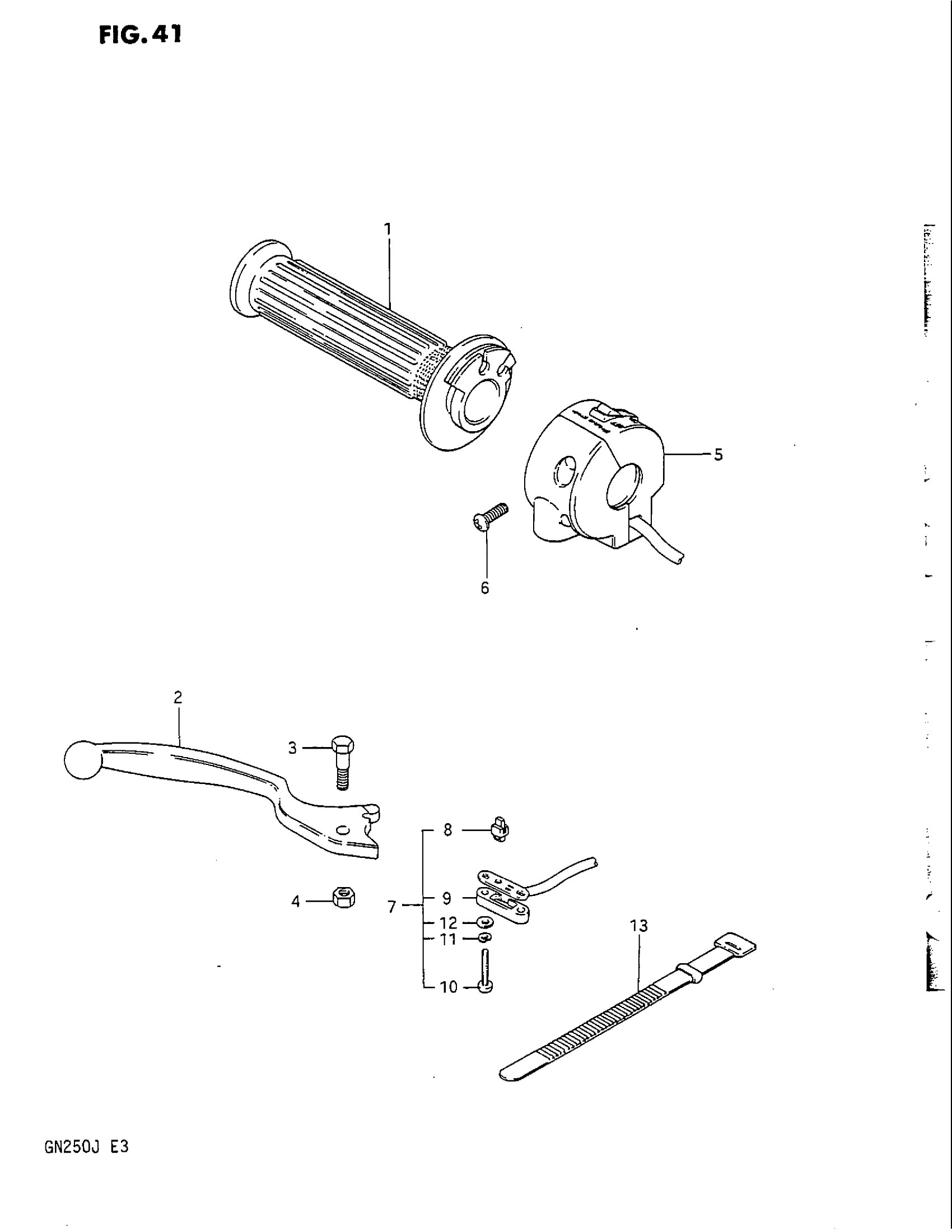
RIGHT HANDLE SWITCH (MODEL J)
Suzuki GN250 (1988) RIGHT HANDLE SWITCH (MODEL J) Diagram
#
Description
Price
3
BOLT
57431-49100
Unavailable
5
SWITCH ASSY, HANDLE RH | Includes Item(s) 6
37200-49471
Unavailable
