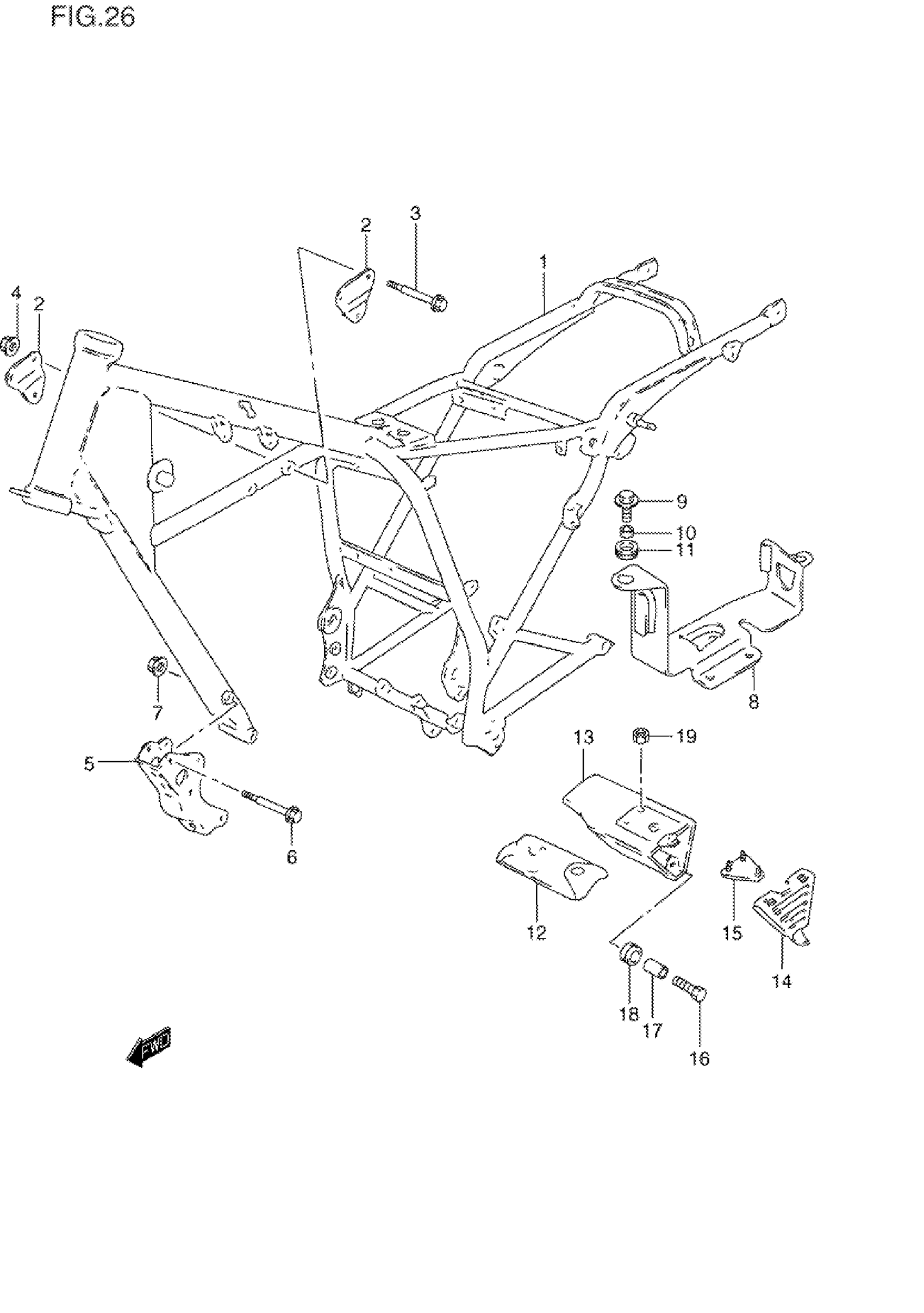
Suzuki GN125EV (1997) FRAME Diagram
#
Description
Price
1
FRAME (BLACK)
41100-053E0-019
Unavailable
2
PLATE, UPPER
41991-05300
Unavailable
5
PLATE, LOWER
41992-05300
Unavailable
8
HOLDER, BATTERY
41540-38301
Unavailable
12
TOOL ASSY
09800-21020
Unavailable
13
BOX, TOOL
47431-05300
Unavailable
15
PLATE
47440-05301
Unavailable
