- Partiron
- OEM Parts
- Honda
- MOTORCYCLE
- 1982
- GL500A (82) SILVER WING, JPN, VIN# JH2PC020-CM100001
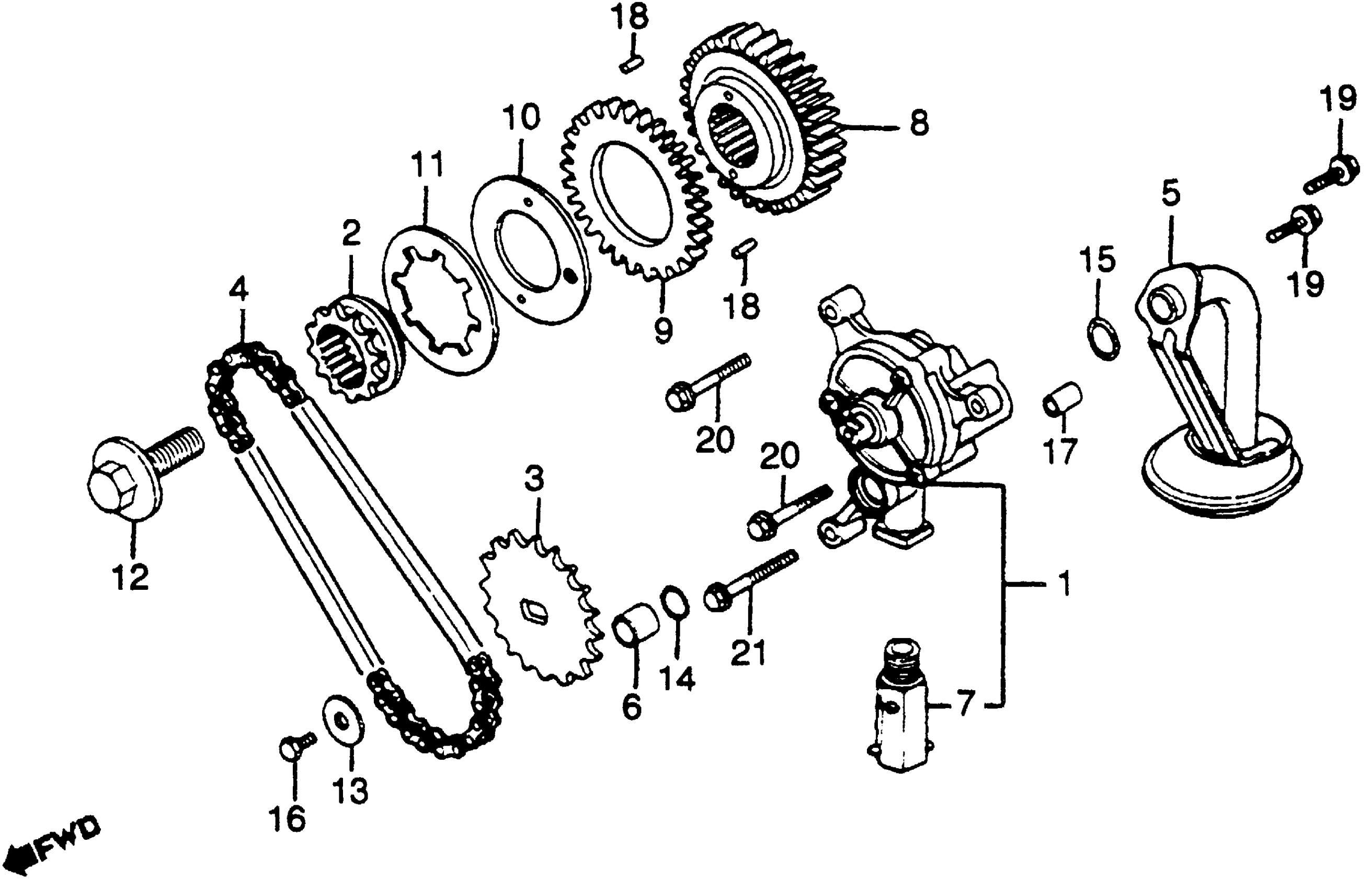
OIL PUMP + PRIMARY DRIVE GEAR
Honda GL500A (82) SILVER WING, JPN, VIN# JH2PC020-CM100001 OIL PUMP + PRIMARY DRIVE GEAR Diagram
#
Description
Price
1
PUMP ASSY., OIL (NOT AVAILABLE)
15100-MA1-000
Unavailable
2
SPROCKET, OIL PUMP DRIVE (NOT AVAILABLE)
15115-415-000
Unavailable
3
SPROCKET, OIL PUMP DRIVEN (NOT AVAILABLE)
15116-415-000
Unavailable
5
BODY, OIL STRAINER (NOT AVAILABLE)
15141-MA1-000
Unavailable
7
VALVE ASSY., RELIEF (NOT AVAILABLE)
15220-415-000
Unavailable
8
GEAR, PRIMARY DRIVE (33T)
23121-449-000
Unavailable
9
SUB-GEAR, PRIMARY DRIVE (32T)
23122-415-000
Unavailable
10
PLATE, SIDE
23123-415-000
Unavailable
11
SPRING, DISK
23124-MA1-000
Unavailable
18
PIN, DOWEL (3X5) (SOURCE: VINTAGE PARTS INC.)
94302-03050
Unavailable
