Partiron

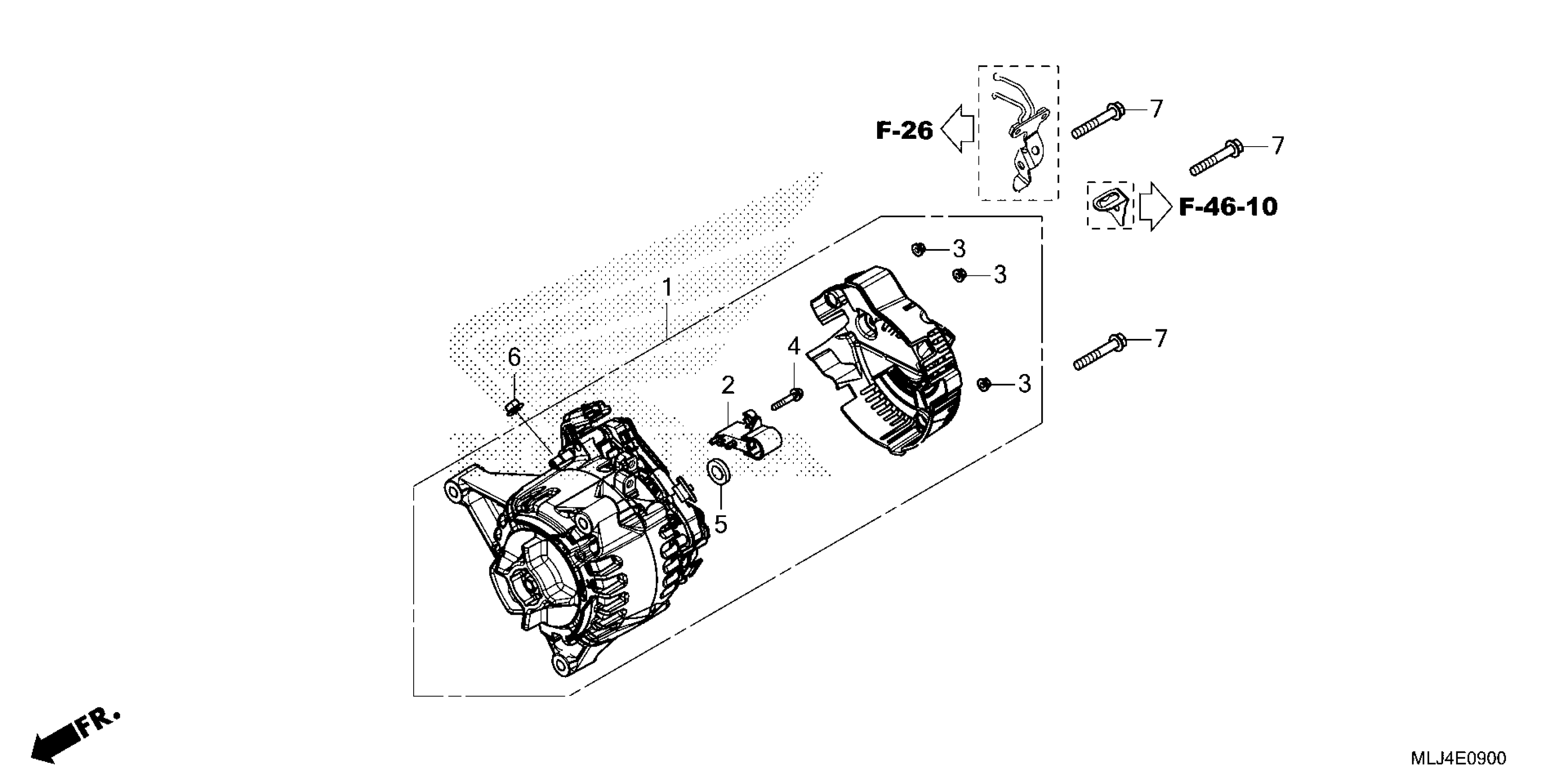
Honda GL1800D3AC (23) MOTORCYCLE, JPN, VIN# JH2SC795-PK500001 GENERATOR Diagram

#

Description
Price

1

ISG ASSY.

31100-MKC-A01

$2,568.25

2

BRUSH SET

31103-MKC-A00

$51.54

3

NUT

31105-MKC-A00

$1.77

4

BOLT (5X30)

31106-MKC-A00

$2.10

5

SEAL

31108-MKC-A00

$4.44

6

NUT, FLANGE (8MM)

94050-08080

$1.49

7

BOLT, FLANGE (8X50)

95701-08050-08

$2.28