Partiron

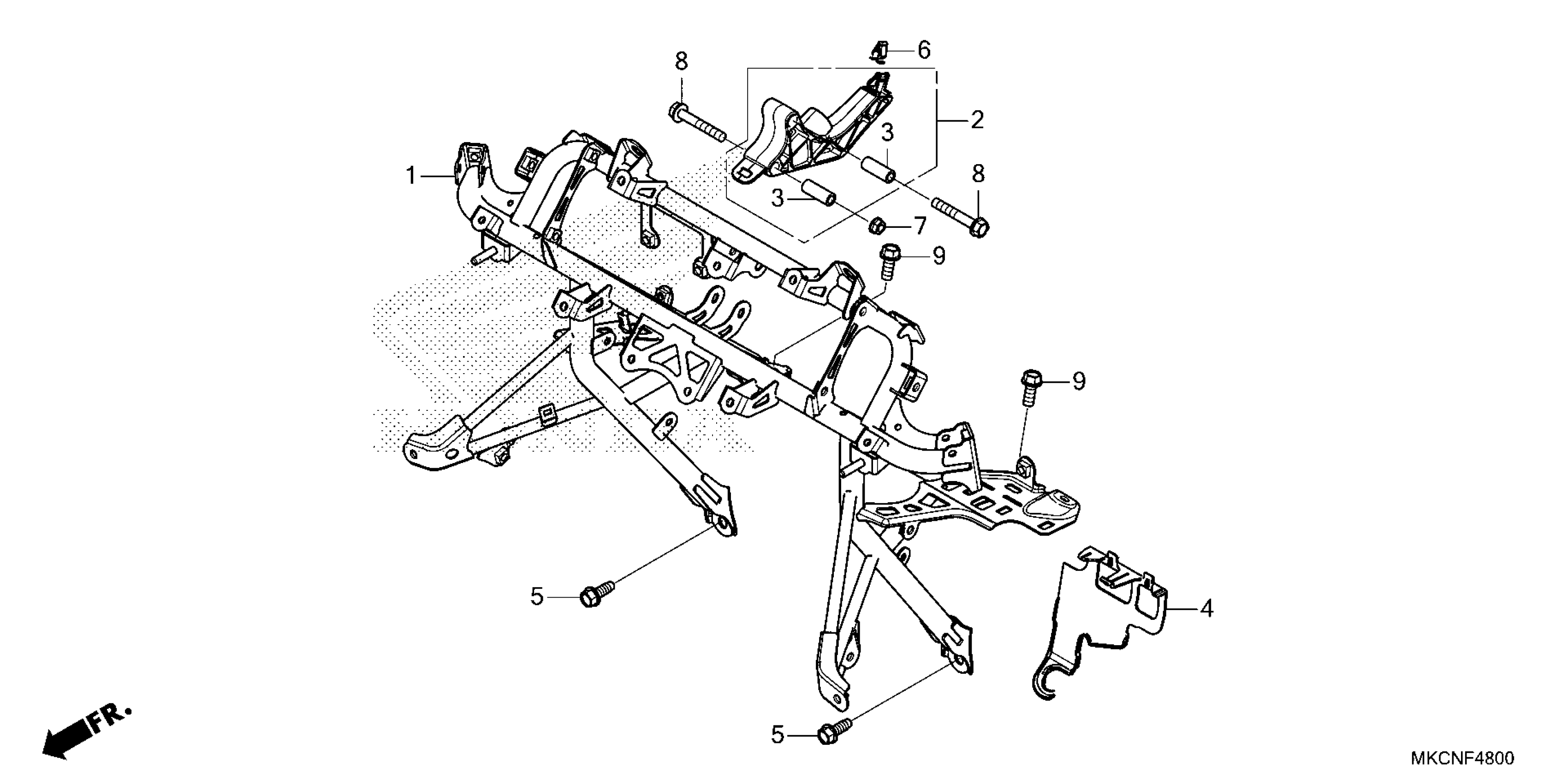
Honda GL1800D2AC (22) MOTORCYCLE, JPN, VIN# JH2SC795-NK400001 COWL STAY Diagram

#

Description
Price

1

STAY, FR. COWL

64510-MKC-A00

$362.03

2

STAY, CENTER CONSOLE

64511-MKC-A00

$39.39

3

COLLAR (6.5X10)

64512-MKC-A00

$3.01

4

PLATE, FR. COWL (INNER)

64514-MKC-A00

$5.90

5

BOLT, FLANGE (8X22) (W/GUIDE)

90114-SFE-010

$4.46

6

CLIP, SNAP FITTING (PO)(NATURAL)

90666-SDA-A01

$1.49

7

NUT, FLANGE (6MM)

94050-06070

$1.49

8

BOLT, FLANGE (6X40)

95701-06040-07

$1.80

9

BOLT, FLANGE (8X20)

95701-08020-08

$1.62