- Partiron
- OEM Parts
- Honda
- MOTORCYCLE
- 2004
- GL1800A (04) GOLD WING, USA, VIN# 1HFSC470-4A300001
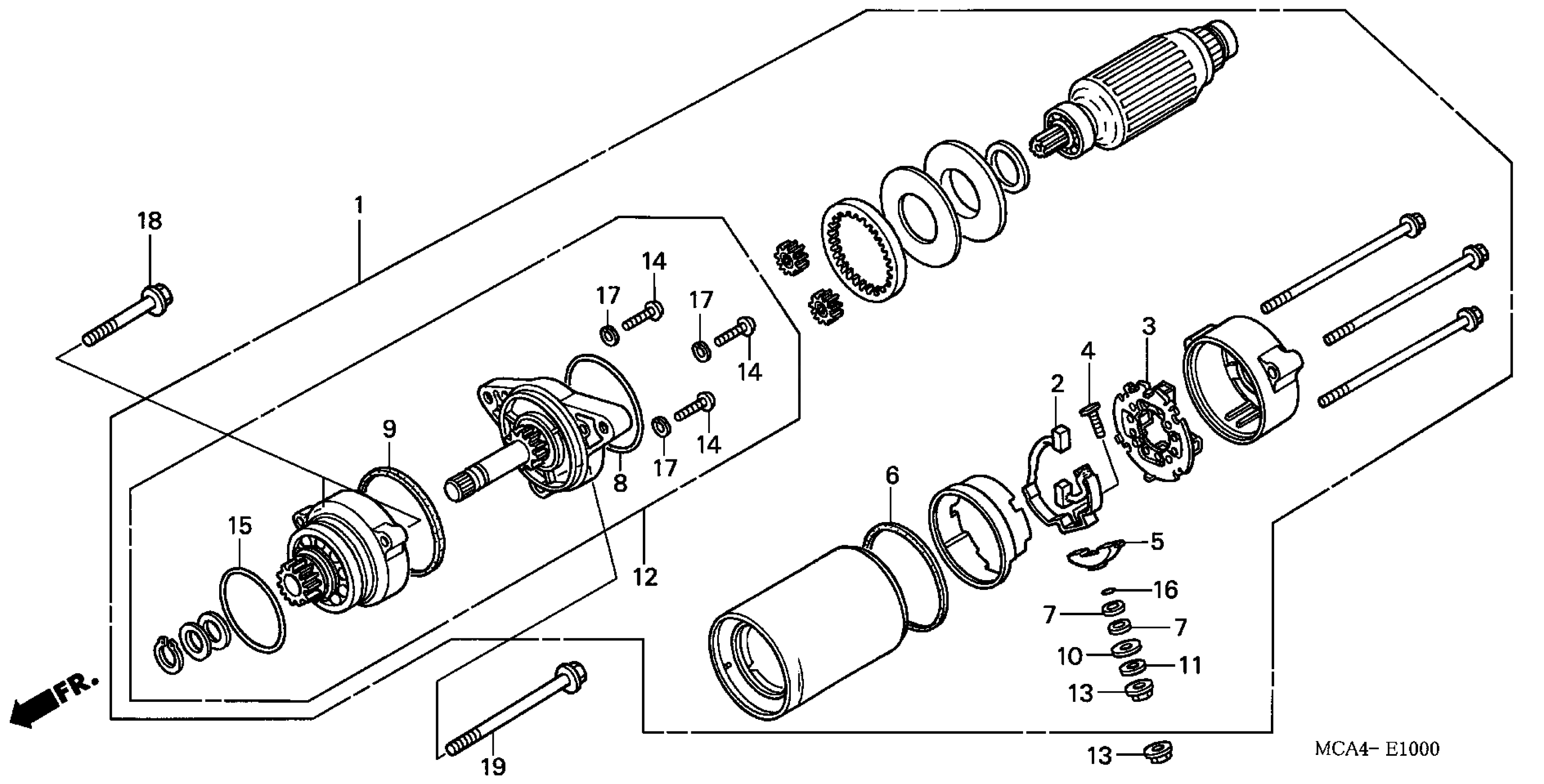
STARTING MOTOR
Honda GL1800A (04) GOLD WING, USA, VIN# 1HFSC470-4A300001 STARTING MOTOR Diagram
#
Description
Price
STARTING MOTOR
#
Edit ride
