Partiron

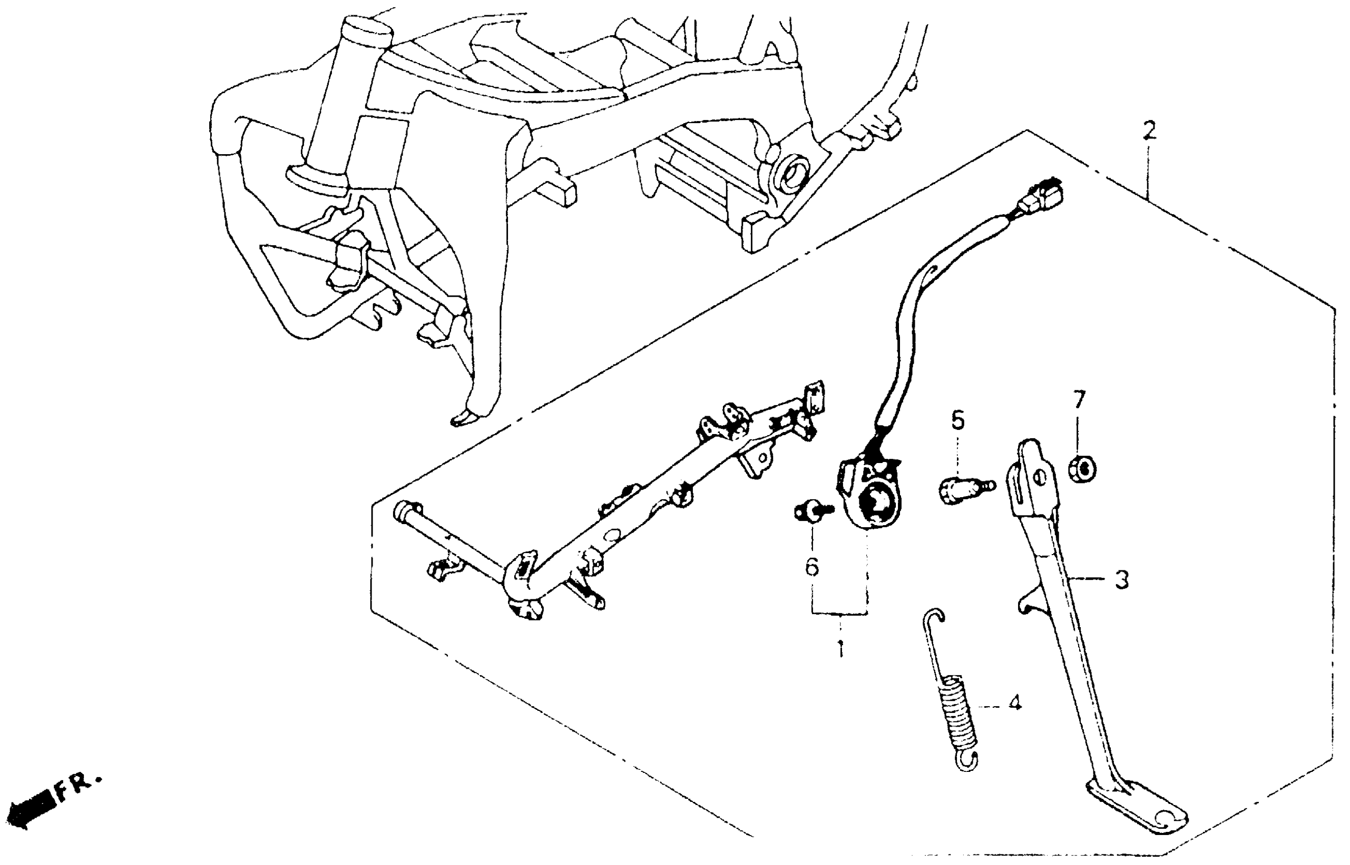
Honda GL1500AA (92) GOLD WING ASPENCADE, USA, VIN# 1HFSC220-NA400003 SUB FRAME SET 92 Diagram

#

Description
Price

1

SWITCH SET, SIDE STAND

35700-MY4-305

Unavailable

2

SUB-FRAME SET (NOT AVAILABLE)

50021-MY4-000

Unavailable

3

BAR, SIDE STAND This part replaces 50532-MY4-000.

50532-MY4-700

Unavailable

3

BAR, SIDE STAND

50532-MY4-700

Unavailable

4

SPRING, SIDE STAND

50541-MB0-000

$11.75

5

BOLT, SIDE STAND PIVOT

90108-MR5-000

$8.00

6

BOLT, SPECIAL (6X16)

90147-MCE-950

$1.49

6

BOLT, SPECIAL (6X16) This part replaces 90147-MK6-671.

90147-MCE-950

$1.49

7

NUT, SIDE STAND

90203-MF9-710

$3.67