- Partiron
- OEM Parts
- Honda
- MOTORCYCLE
- 1977
- GL1000A (77) GOLD WING, JPN, VIN# GL1-3000001 TO GL1-3025175
CYLINDER BLOCK + BREATHER CHAMBER
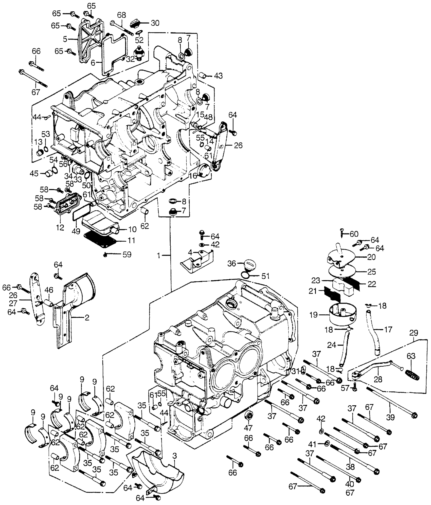
Honda GL1000A (77) GOLD WING, JPN, VIN# GL1-3000001 TO GL1-3025175 CYLINDER BLOCK + BREATHER CHAMBER Diagram
#
1
BLOCK ASSY., CYLINDER This part replaces 11000-371-040.
11000-371-050
Unavailable
1
BLOCK ASSY., CYLINDER
11000-371-050
Unavailable
2
PLATE, BREATHER
11130-371-000
Unavailable
3
COVER, OIL SEPARATOR
11140-371-000
Unavailable
4
GUIDE, OIL (NOT AVAILABLE)
11220-371-000
Unavailable
5
COVER, FINAL GEAR (NOT AVAILABLE)
11371-371-000
Unavailable
6
GASKET, FINAL COVER This part replaces 11372-371-010.
11372-371-306
Unavailable
8
WASHER, SEALING BOLT
12207-611-300
Unavailable
9
BEARING A, MAIN (BLUE)
13321-371-003
Unavailable
9
BEARING B, MAIN (BLACK)
13322-371-003
Unavailable
9
BEARING C, MAIN (BROWN)
13323-371-003
Unavailable
9
BEARING D, MAIN (GREEN)
13324-371-003
Unavailable
10
CASE, OIL STRAINER (NOT AVAILABLE)
15151-371-000
Unavailable
11
SCREEN, OIL STRAINER (NOT AVAILABLE)
15152-371-000
Unavailable
12
COVER, OIL STRAINER (NOT AVAILABLE)
15153-371-000
Unavailable
13
PLUG, OIL TUBE
15337-300-010
Unavailable
14
NOZZLE, OIL SUPPLY
15520-371-000
Unavailable
15
ORIFICE, CHAIN
15530-371-000
Unavailable
16
FINDER, OIL LEVEL
15661-KM3-005
Unavailable
16
FINDER, OIL LEVEL This part replaces 15661-371-015.
15661-KM3-005
Unavailable
17
TUBE, OIL DRAIN
15706-371-000
Unavailable
19
CHAMBER, BREATHER (NOT AVAILABLE)
17271-371-010
Unavailable
20
BRACKET, BREATHER CHAMBER (NOT AVAILABLE)
17274-371-013
Unavailable
21
NET A, WIRE (NOT AVAILABLE)
17275-371-010
Unavailable
22
NET B, WIRE (NOT AVAILABLE)
17276-371-010
Unavailable
23
FILTER, BREATHER CHAMBER (NOT AVAILABLE)
17277-371-000
Unavailable
24
TUBE B, BREATHER (NOT AVAILABLE)
17279-371-000
Unavailable
25
GASKET, BREATHER CHAMBER (NOT AVAILABLE)
17281-371-010
Unavailable
26
GUIDE, R. PRIMARY CHAIN (NOT AVAILABLE)
23136-371-003
Unavailable
27
GUIDE, L. PRIMARY CHAIN (NOT AVAILABLE)
23137-371-003
Unavailable
30
CAP, LEVEL GAUGE (NOT AVAILABLE)
25611-371-000
Unavailable
34
STOPPER, NEUTRAL SWITCH (NOT AVAILABLE)
35754-300-020
Unavailable
35
BOLT, FLANGE (10X82) (NOT AVAILABLE) This part replaces 90003-371-003.
90003-371-013
Unavailable
35
BOLT, FLANGE (10X82) (NOT AVAILABLE)
90003-371-013
Unavailable
36
BOLT, SPECIAL (25MM) This part replaces 90008-371-000.
90008-443-000
Unavailable
36
BOLT, SPECIAL (25MM)
90008-443-000
Unavailable
38
BOLT, FLANGE (10X166) (SATO) (NOT AVAILABLE)
90010-371-005
Unavailable
39
BOLT, FLANGE (8X175) (NOT AVAILABLE)
90026-371-004
Unavailable
41
WASHER (21X11X2.3)
90438-634-000
Unavailable
44
PIN (4X12MM)
90702-634-300
Unavailable
45
COLLAR (17X10) (NOT AVAILABLE)
90703-371-000
Unavailable
46
COLLAR (12X20) (NOT AVAILABLE)
90704-371-000
Unavailable
49
GASKET A, OIL STRAINER
91303-371-000
Unavailable
50
O-RING (17.7X2.7) This part replaces 91306-371-003.
91306-371-013
Unavailable
50
O-RING (17.7X2.7)
91306-371-013
Unavailable
51
O-RING (25.4X2.4)
91307-703-000
Unavailable
52
O-RING (27X2.7)
91318-500-000
Unavailable
60
SCREW, TAPPING (5X20)
93901-15410
Unavailable
