- Partiron
- OEM Parts
- Polaris
- Watercraft
- PWC
- 2000
- GENESIS - W005099D
CRANKCASE - W005099I (4955775577C003)
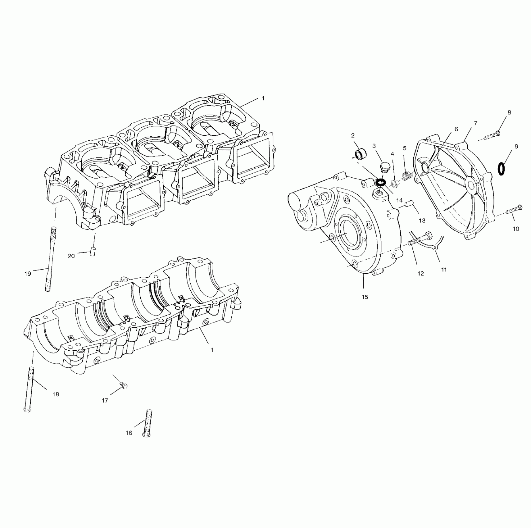
Polaris GENESIS - W005099D CRANKCASE - W005099I (4955775577C003) Diagram
#
Description
Price
1
CRANKCASE 1200 PWC,KIT (Incl. 16-20)
2201562
Unavailable
1
CRANKCASE 1200 PWC,KIT (Incl. 16-20)
2201562
Unavailable
2
Bushing
3569805
Unavailable
3
PLUG-TIMING HOLE,3/4X16,NYLON
5433130
Unavailable
4
BUSHING,PLASTIC
3574214
Unavailable
5
Spring
7041457
Unavailable
6
Bushing
3569806
Unavailable
7
COVER,FLYWHEEL ASM.
1201923
Unavailable
8
Screw
7517676
Unavailable
9
O-Ring
5411293
Unavailable
10
BOLT(10)
7516806
Unavailable
11
GASKET,FLYWHEEL COVER
5811550
Unavailable
12
BOLT(10)
7516723
Unavailable
15
FLYWHEEL,HOUSING (Incl. 2,13)
1201938
Unavailable
16
SCREW Substituted by 7516720
7517628
Unavailable
18
BOLT, S.S
7516913
Unavailable
19
STUD,CYL.FLANGE,152MM,SPS
5131677
Unavailable
