- Partiron
- OEM Parts
- Polaris
- Watercraft
- PWC
- 2004
- GENESIS I - W045098CA
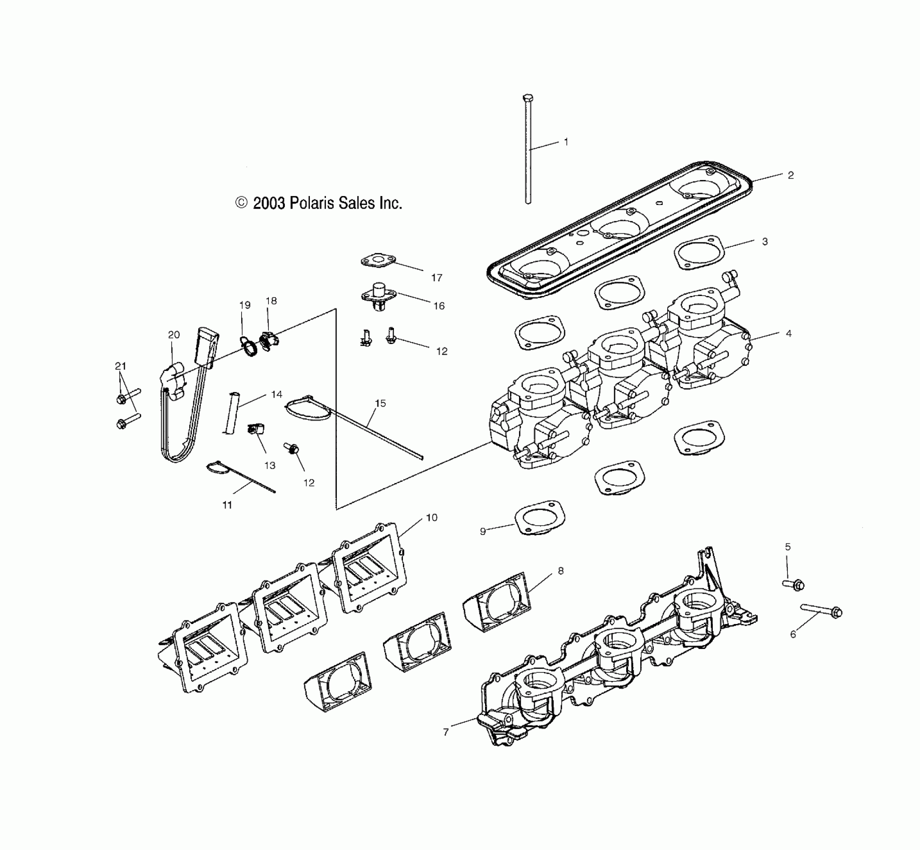
THROTTLE BODY - W045098CA/IA (4990459045C03)
Polaris GENESIS I - W045098CA THROTTLE BODY - W045098CA/IA (4990459045C03) Diagram
#
Description
Price
2
Base, Intake Silencer
5630907
Unavailable
3
Gasket, Carburetor, Upper
5830062
Unavailable
4
Asm., Throttle Body
1253429
Unavailable
5
Screw
7516807
Unavailable
6
Screw
7516814
Unavailable
7
Adaptor, Carburetor
5630582-329
Unavailable
8
Stuffer, Reed Block
5432162
Unavailable
9
Gasket, Carburetor
5830043
Unavailable
10
Asm., Block, Triple Reed
1201595
Unavailable
14
Conduit
5521663-09
Unavailable
16
Sensor, Air Temperature
2410299
Unavailable
17
Spacer
5812576
Unavailable
18
Coupler
5434096
Unavailable
19
Spring, Torsion
7042274
Unavailable
20
Kit, Sensor, Throttle Position
2202740
Unavailable
21
Screw
7516606
Unavailable
