- Partiron
- OEM Parts
- Polaris
- Watercraft
- PWC
- 2004
- GENESIS I - W045098CA
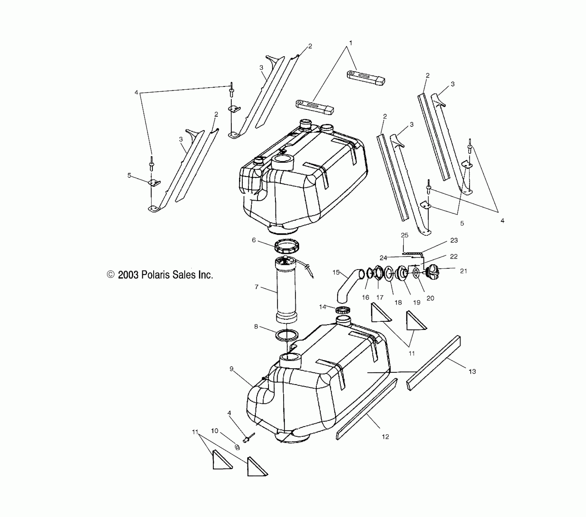
FUEL TANK - W045098CA/IA (4990459045A10)
Polaris GENESIS I - W045098CA FUEL TANK - W045098CA/IA (4990459045A10) Diagram
#
Description
Price
-
Asm., Strap, Fuel Tank (Incl. 2,3)
2632743
Unavailable
1
Strap, Fuel Tank, Connecting
5412305
Unavailable
2
Cover, Fuel Tank, Strap
5521615
Unavailable
2
Cover, Fuel Tank, Strap
5521615
Unavailable
2
Cover, Fuel Tank, Strap
5521615
Unavailable
2
Cover, Fuel Tank, Strap
5521615
Unavailable
3
Strap, Fuel Tank
5434786
Unavailable
3
Strap, Fuel Tank
5434786
Unavailable
3
Strap, Fuel Tank
5434786
Unavailable
3
Strap, Fuel Tank
5434786
Unavailable
5
Bracket, Tank Strap
5246707
Unavailable
5
Bracket, Tank Strap
5246707
Unavailable
6
Nut, DFI, Fuel Pump
5433259
Unavailable
7
Pump, Fuel, DFI, Electrical
2410129
Unavailable
8
Gasket, DFI, Fuel Pump
5411636
Unavailable
9
Tank, Fuel, End w/Relief, DFI
5434873
Unavailable
10
Washer, Flat
7555837
Unavailable
11
Pad, Fuel Tank, Rear
5811999
Unavailable
11
Pad, Fuel Tank, Rear
5811999
Unavailable
12
Pad, EVA
5812152
Unavailable
13
Pad, Fuel Tank, Side
5811901
Unavailable
15
Hose, Fuel Fill
5411546
Unavailable
16
Clamp, Hose
7080766
Unavailable
17
Nut, Fuel Inlet
5433621
Unavailable
18
Seal, Fuel Inlet
5811492
Unavailable
19
Inlet, Fuel
5433553
Unavailable
20
Seal, Fuel Cap
5411305
Unavailable
21
Asm., Cap, Fuel, Ratchet
2520177
Unavailable
22
Rivet
7621229
Unavailable
23
Chain, Bead, Fuel Cap Retainer
7080710
Unavailable
24
Screw
7511873
Unavailable
25
Coupling, End, Fuel Cap Chain
7080442
Unavailable
