- Partiron
- OEM Parts
- Polaris
- Watercraft
- PWC
- 1999
- GENESIS - B995095
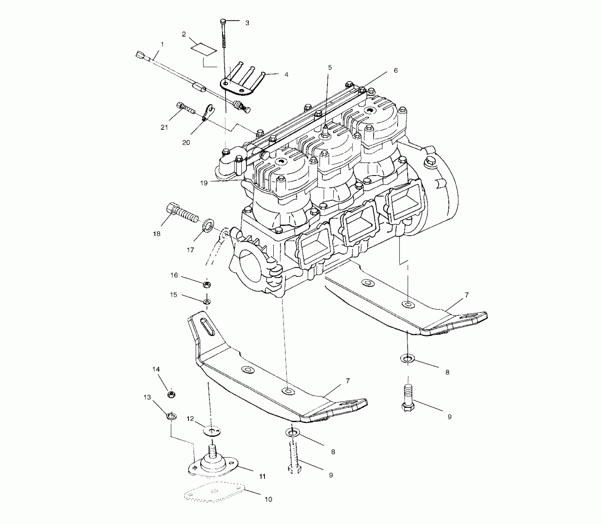
ENGINE MOUNTING - I995095 (4951455145B004)
Polaris GENESIS - B995095 ENGINE MOUNTING - I995095 (4951455145B004) Diagram
#
Description
Price
1
SWITCH,TEMP,273F W/GROMMET
2410178
Unavailable
3
SCREW,SHOULDER,S.S.(10)
7515149
Unavailable
4
GROUND,SPARKPLUG,3CYL
5242476
Unavailable
5
Spark Plug, NGK BPR8ES (See Footnote) (See Cylinder and Manifold Pg. C4, Ref. 5)
-------
Unavailable
6
Decal - Warning (See Footnote) (See Cylinder and Manifold Pg. C4, Ref. 2)
-------
Unavailable
7
PLATE,F.MOUNT Substituted by 5631128
5630585
Unavailable
7
PLATE,F.MOUNT Substituted by 5631128
5630585
Unavailable
8
WASHER,LOCK,S.S.
7552609
Unavailable
8
WASHER,LOCK,S.S.
7552609
Unavailable
9
SCREW, SS.
7517330
Unavailable
9
SCREW, SS.
7517330
Unavailable
10
PLATE-MOUNT,MOTOR
5244141
Unavailable
11
MOUNT-ENGINE,PWC
3021102
Unavailable
12
SHIM,ENG.MT.(PWC)
5211727
Unavailable
13
WASHER, LOCK, S.S.(10)
7552610
Unavailable
15
WASHER, FLAT, S.S.(10)
7555848
Unavailable
16
NUT, NYLOK, S.S.(10) Substituted by 7547001
7542725
Unavailable
17
WASHER,LOCK,SS.
7556055
Unavailable
19
SHORTBLOCK,KIT,1200 TRIPLE Substituted by 2201704 (See Footnote) Note: The Short Block assembly contains a crankcase assembly, cylinder and cylinder head assembly, and a piston & crankshaft assembly.
2201446
Unavailable
20
CLIP,RETAIN,TEMP.SW.
5240876
Unavailable
