- Partiron
- OEM Parts
- Yamaha
- motorcycle
- 1970
- G6S (G6S) 1970
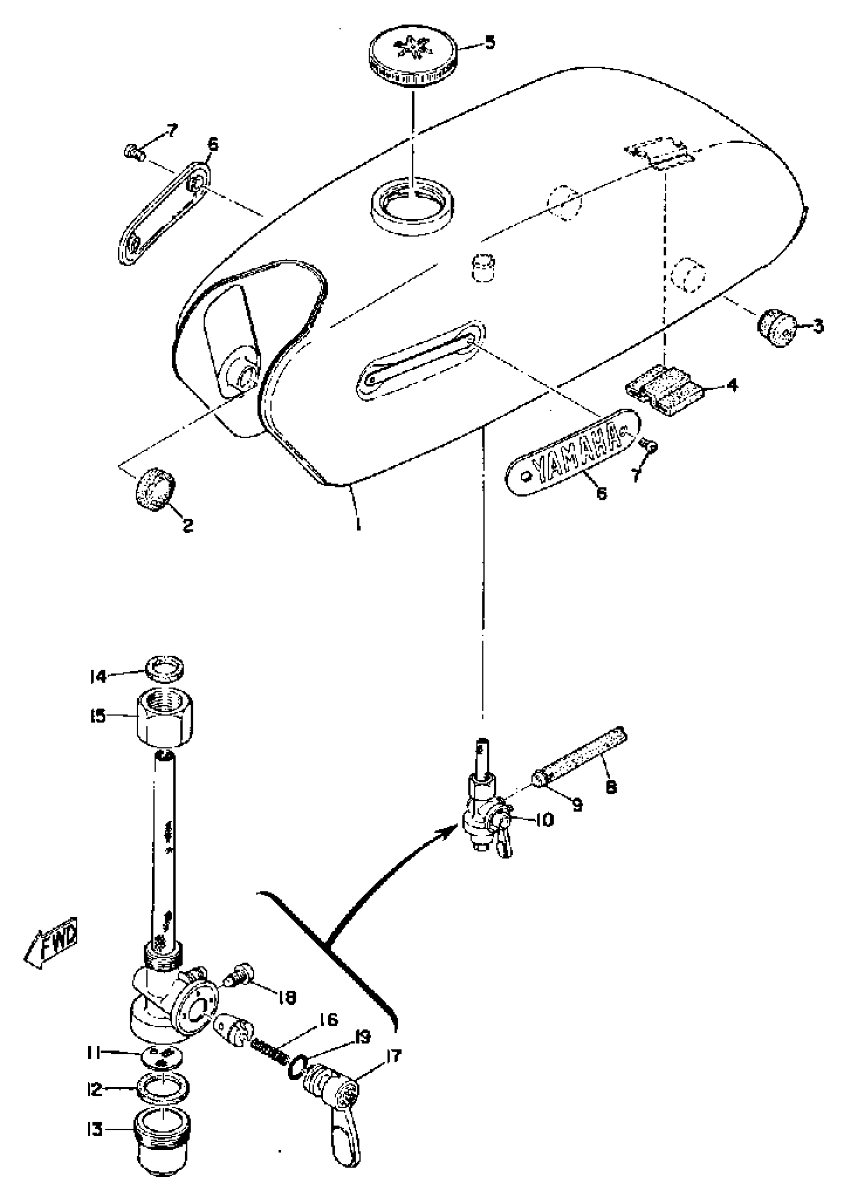
FUEL TANK
Yamaha G6S (G6S) 1970 FUEL TANK Diagram
#
Description
Price
1
FUEL TANK
(260-24110-00-01)
Unavailable
1
FUEL TANK
(260-24110-00-05)
Unavailable
1
FUEL TANK COMP.
(99999-00882-00)
Unavailable
3
DAMPER, LOCATING 2
122-24182-01-00
Unavailable
4
DAMPER, LOCATING 3
(129-24183-00-00)
Unavailable
6
EMBLEM 1
(129-24161-00-00)
Unavailable
8
PIPE, OIL
(156-21766-00-00)
Unavailable
10
FUEL COCK ASSY
367-24500-04-00
Unavailable
11
. NET, FILTER 2
122-24515-00-00
Unavailable
13
. CUP, FILTER
122-24521-00-00
Unavailable
14
GASKET, NUT
122-24532-00-00
Unavailable
15
. NUT
122-24531-00-00
Unavailable
16
SPRING, COMPRESSION
(90501-07029-00)
Unavailable
17
. LEVER, COCK
122-24524-00-00
Unavailable
18
. NO LONGER AVAILABLE
127-24535-00-00
Unavailable
19
SEAL, COCK
(122-24534-00-00)
Unavailable
