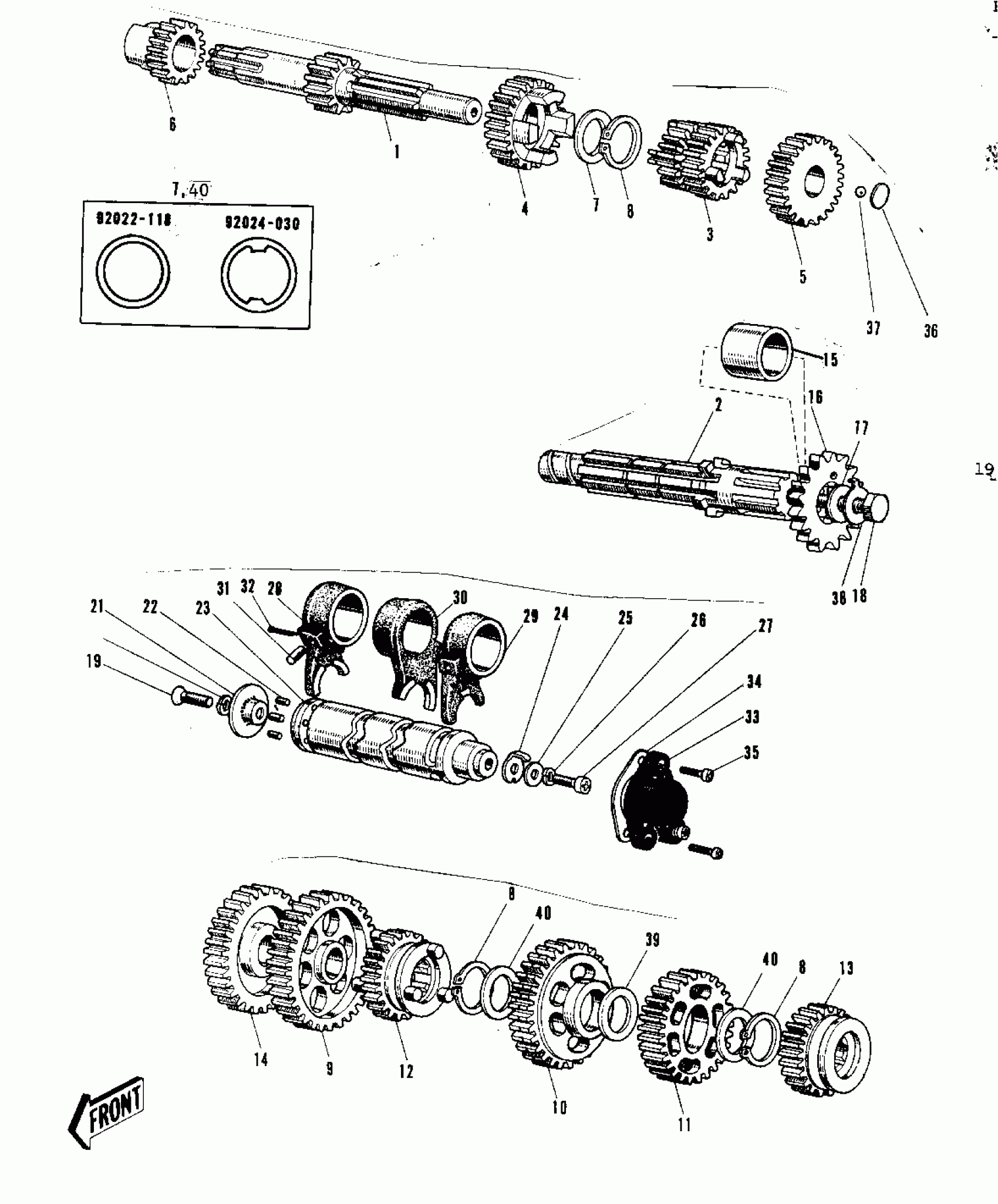
Kawasaki G3SS-D TRANSMISSION /CHANGE DRUM ('69-'73) Diagram
#
Description
Price
1
SHAFT,DRIVE
13127-032
Unavailable
2
SHAFT-TRANSMISSION OUTPUT
13128-021
Unavailable
3
2ND&3RD GEAR,DRIVE
13129-1052
Unavailable
4
4TH GEAR,DRIVE
13129-1053
Unavailable
5
GEAR,INPUT TOP,24T
13129-1927
Unavailable
10
2ND GEAR OUTPUT SHAFT
13131-008
Unavailable
11
3RD GEAR OUTPUT SHAFT
13133-005
Unavailable
13
TOP GEAR OUTPUT SHAFT
13137-012
Unavailable
16
SPROCKET-OUTPUT,14T
13144-1058
Unavailable
17
WASHER ENG SPROCKET
92022-130
Unavailable
19~23
DRUM ASSY-GEAR CHANGE
13239-005
Unavailable
19
SCREW PAN HEAD 6X12
220B0612
Unavailable
20
WASHER LOCK 6MM
464H0600
Unavailable
21
PLATE CHANGE DRUM PIN
13142-008
Unavailable
23
DRUM ASSY-GEAR CHANGE
13239-005
Unavailable
27
UNAVAILABLE IN PRICE BOOK
92011-003
Unavailable
28
FORK SELECTOR LOW-2ND
13140-010
Unavailable
29
FORK SELECTOR 3RD
13140-009
Unavailable
30
FORK SELECTOR 4TH-TOP
13140-017
Unavailable
31
PIN SELECT FORK GUIDE
92043-005
Unavailable
38
WASHER LOCK 8MM
92030-007
Unavailable
