Partiron

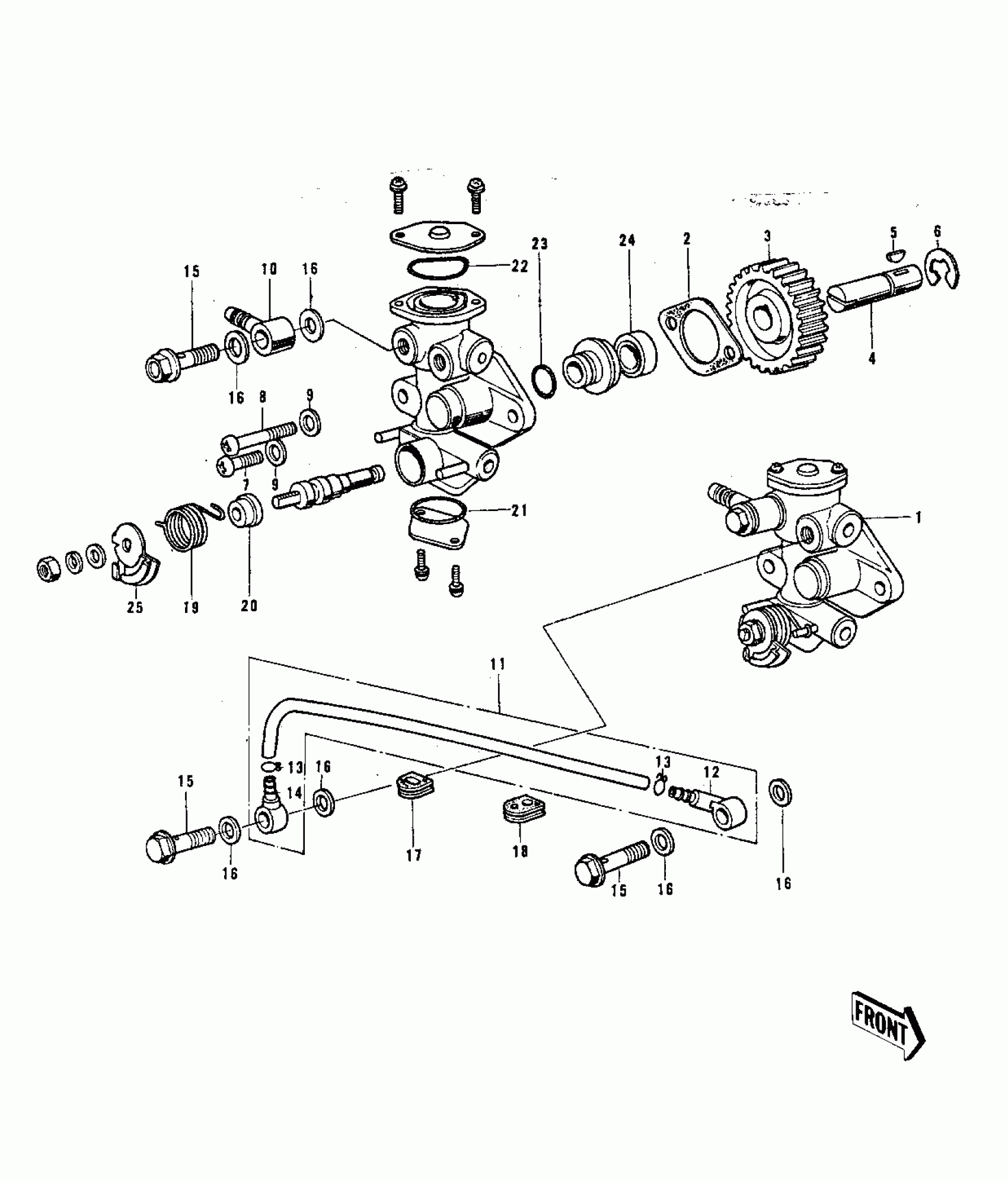
Kawasaki G3SS-D OIL PUMP ('74-'75) Diagram

#

Description
Price

1

PUMP-ASSY-OIL

16082-067

$256.29

2

GASKET,OIL PUMP

11060-1160

$5.17

3

GEAR,OIL PUMP

16085-004

$21.74

4

SHAFT,OIL PUMP

16086-001

$16.48

5

KEY-WOODRUFF

510A3100

$2.70

6

CIRCLIP-TYPE-E,9MM

482K9000

$4.39

7

SCREW-PAN-CROS

220B0514

$4.04

8

SCREW-PAN-CROS

220B0528

$1.52

9

WASHER,5.5X10.5X0.8

92022-037

$3.92

10

FITTING,BANJO

92061-009

$15.74

11

TUBE,OIL

16134-021

$45.22

12

VALVE-CHECK

16128-009

$24.11

13

RING-SNAP

92036-022

$4.76

14

FITTING,BANJO

92061-018

$10.67

15

BOLT,BANJO,L=16

92060-013

$6.52

16

WASHER OIL PUMP BANJO

92022-077

$3.99

17

GROMMET

21017-002

$5.17

18

GROMMET,OIL PIPE

92071-067

$6.10

19

SPRING,OIL PUMP LEVER

16093-006

$9.28

20

SEAL-OIL,CAMSHAFT,"X"TYPE

92049-1294

$10.39

21

"0" RING,LOWER CAP

16090-003

Unavailable

22

RING-O,CAP,BANJO SIDE

16088-002

$9.89

23

RING-O,OIL PUMP SHAFT

16090-002

$7.24

24

SEAL-OIL,OIL PUMP SHAFT

16091-001

$7.24

25

LEVER-OIL PUMP

16096-012

$19.48