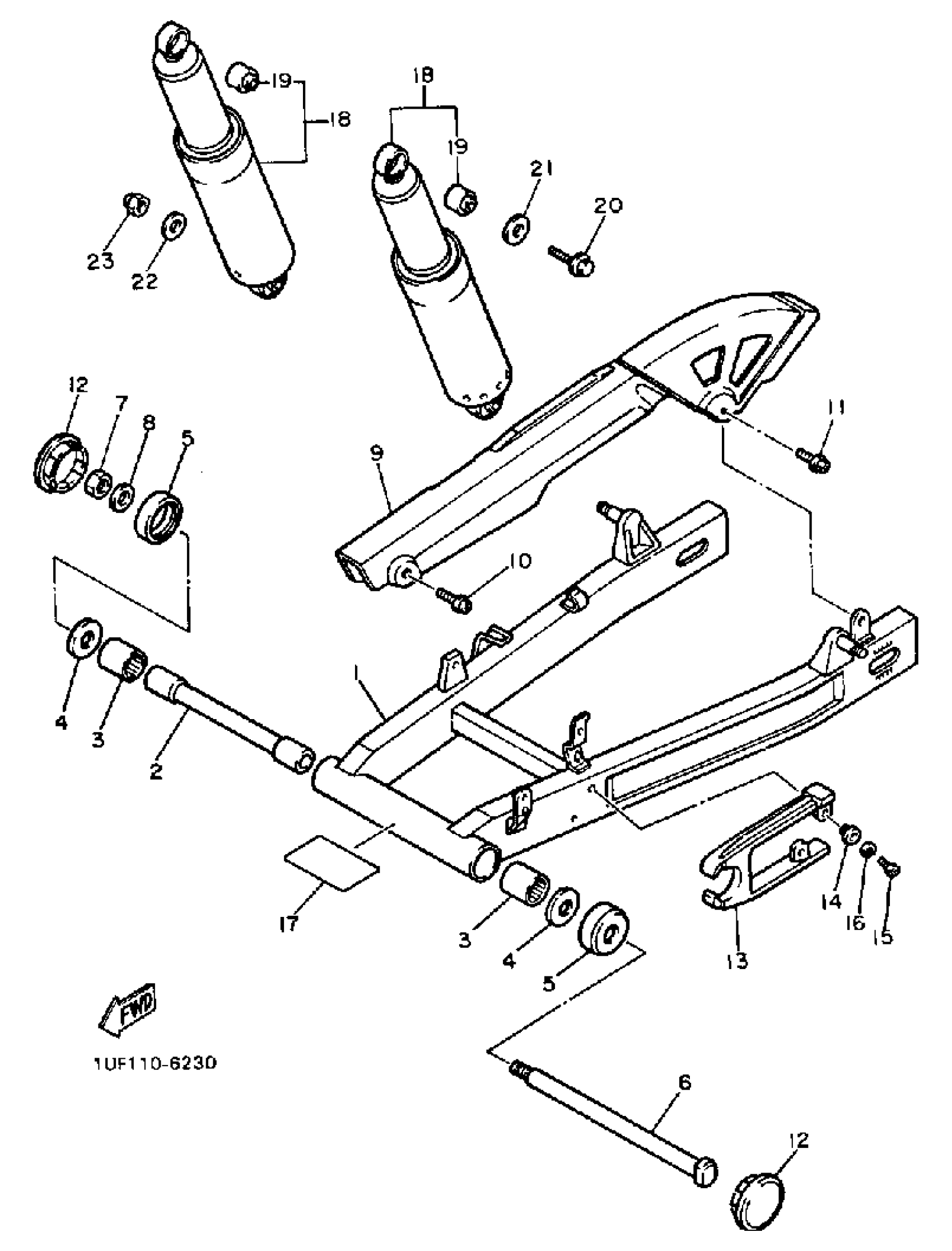
Yamaha FZX700SC (FAZER CA) 1986 SWING ARM Diagram
#
Description
Price
1
REAR ARM
(1UF-22110-00-35)
Unavailable
2
BUSH
36Y-22184-00-00
Unavailable
3
BEARING, CYLINDRICAL(36Y)
93317-42550-00
Unavailable
4
SHIM
36Y-22127-00-00
Unavailable
5
COVER, THRUST 1
36Y-22128-00-00
Unavailable
6
SHAFT, PIVOT
1UF-22141-00-00
Unavailable
9
CHAIN CASE ASSEMBLY
1UF-22310-00-00
Unavailable
10
SCREW, WITH WASHER
90159-06128-00
Unavailable
12
COVER
1UF-2219X-00-00
Unavailable
13
SEAL, GUARD
(1UF-22151-00-00)
Unavailable
16
WASHER, SPRING
92995-06100-00
Unavailable
17
SEAL,2
1JK-21735-00-00
Unavailable
18
SHOCK ABSORBER ASSY, REAR
4AM-22210-10-00
Unavailable
19
BUSH, REAR SHOCK ABSORBER
1UF-22216-00-00
Unavailable
20
BOLT, FLANGE (3JPE)
95024-08016-00
Unavailable
21
WASHER, PLATE(J42)
90201-084K3-00
Unavailable
22
WASHER, PLATE (3J6)
90201-100A1-00
Unavailable
23
NUT, CROWN(3BM)
90176-10073-00
Unavailable
