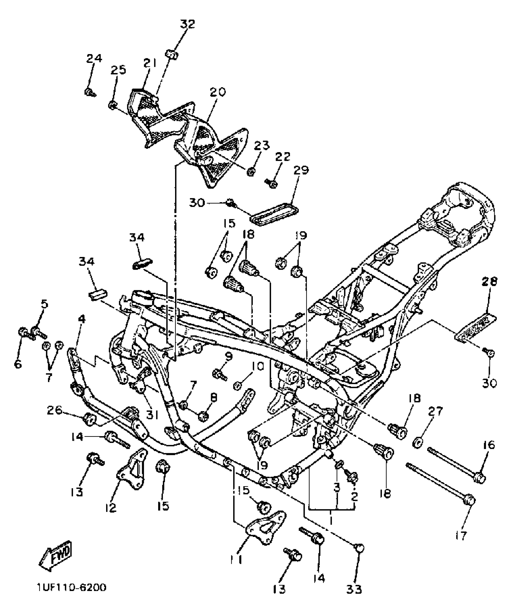
Yamaha FZX700SC (FAZER CA) 1986 FRAME Diagram
#
Description
Price
1
FRAME COMP.
1UF-21110-04-33
Unavailable
3
GASKET 256113960000
90430-06014-00
Unavailable
4
TUBE, DOWN
1UF-21140-00-33
Unavailable
11
STAY, ENGINE 2
1UF-21315-00-00
Unavailable
12
STAY, ENGINE 3
1UF-21316-00-00
Unavailable
14
BOLT, WASHER BASED
(90105-10423-00)
Unavailable
15
NUT
90179-10321-00
Unavailable
16
BOLT, WASHER BASED
(90105-10416-00)
Unavailable
17
BOLT, WASHER BASED
(90105-10407-00)
Unavailable
18
DAMPER
1UF-2139X-00-00
Unavailable
19
DAMPER 2
1UF-2139U-00-00
Unavailable
20
COVER
1UF-2135F-01-00
Unavailable
21
COVER 2
1UF-2139R-01-00
Unavailable
22
SCREW, PAN
98517-06012-00
Unavailable
23
WASHER(6TA)
92907-06600-00
Unavailable
24
SCREW, PAN
98517-06020-00
Unavailable
25
WASHER(6TA)
92907-06600-00
Unavailable
26
NUT(55X)
90179-08491-00
Unavailable
27
WASHER, PLATE(52H)
90201-102J5-00
Unavailable
28
COVER 2
1UF-2117M-00-00
Unavailable
29
COVER 3
1UF-2117N-00-00
Unavailable
30
SCREW, BINDING
98907-05012-00
Unavailable
31
BRACKET 1
(1UF-2141A-00-00)
Unavailable
32
DAMPER, SIDE COVER
15A-21717-00-00
Unavailable
33
PLUG (17J)
90338-07124-00
Unavailable
34
DAMPER, PLATE
90520-05025-00
Unavailable
