- Partiron
- OEM Parts
- Yamaha
- motorcycle
- 2015
- FZS10FGY (FZS1) 2DV9 2015
ELECTRICAL 1
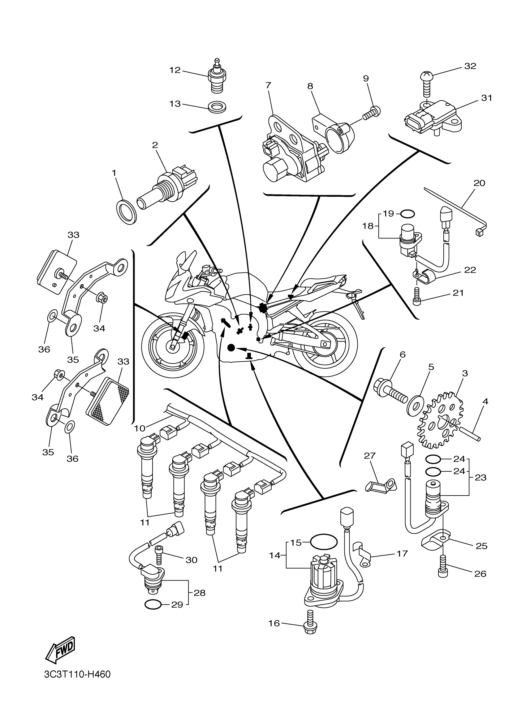
Yamaha FZS10FGY (FZS1) 2DV9 2015 ELECTRICAL 1 Diagram
#
3
ROTOR
2D1-81673-00-00
Unavailable
6
BOLT (30X)
90105-10290-00
Unavailable
7
SERVO MOTOR ASSY
2D1-85820-01-00
Unavailable
8
COVER, SERVO MOTOR
5VY-85829-01-00
Unavailable
9
SCREW, PANHEAD TAPPING (682)
97780-50514-00
Unavailable
10
WIRE, SUB LEAD
2D1-82309-00-00
Unavailable
14
OIL LEVEL GAUGE ASSY
5VY-85720-00-00
Unavailable
16
BOLT, FLANGE
95022-06016-00
Unavailable
17
CLAMP
90465-08053-00
Unavailable
18
SENSOR, SPEED
4XV-83755-04-00
Unavailable
19
O-RING
4D9-81168-00-00
Unavailable
20
CLAMP
90464-51001-00
Unavailable
21
BOLT,SOCKET
91317-06016-00
Unavailable
22
CLAMP
90462-08057-00
Unavailable
23
PICK-UP ASSY
23P-81670-01-00
Unavailable
24
O-RING 1
5VY-8A8E1-00-00
Unavailable
25
PLATE
5VY-15589-02-00
Unavailable
26
BOLT,SOCKET
91317-06016-00
Unavailable
27
CLAMP
90465-08054-00
Unavailable
28
SENSOR, CAM POSITION
5VY-85896-02-00
Unavailable
29
O-RING
4D9-81168-00-00
Unavailable
30
BOLT,SOCKET HEAD
91314-06020-00
Unavailable
31
SENSOR, PRESSURE
1WS-82380-00-00
Unavailable
32
SCREW, TAPPING(JA3)
97707-60520-00
Unavailable
33
FRONT REFLECTOR ASSY
23V-85110-00-00
Unavailable
34
NUT, FLANGE(3GM)
95707-05500-00
Unavailable
35
BRACKET, REFLECTOR 1
4XV-85112-00-00
Unavailable
36
WASHER PLATE (3L6)
90201-08759-00
Unavailable
