- Partiron
- OEM Parts
- Yamaha
- motorcycle
- 2001
- FZS1000NC (FZ1 CA) 5LV7 2001
REAR MASTER CYLINDER
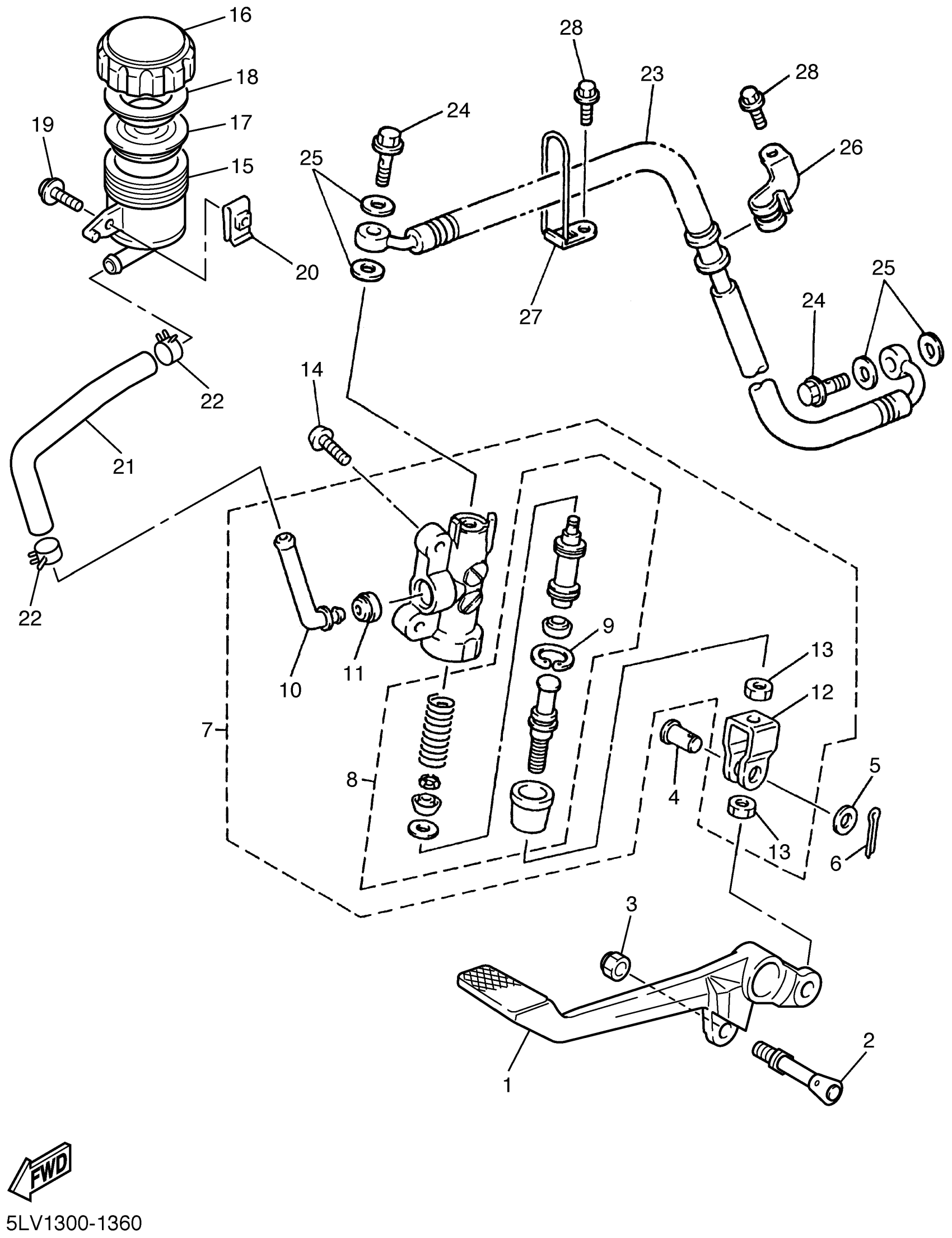
Yamaha FZS1000NC (FZ1 CA) 5LV7 2001 REAR MASTER CYLINDER Diagram
#
Description
Price
2
PIN, PEDAL CRANK
5LV-27813-00-00
Unavailable
8
CYLINDER KIT, MASTER
3TU-W0042-51-00
Unavailable
11
O-RING
4BP-2585F-01-00
Unavailable
15
TANK, RESERVOIR
47X-25894-00-00
Unavailable
16
CAP, RESERVOIR
2KF-25852-50-00
Unavailable
17
DIAPHRAGM, RESERVER
360-25854-01-00
Unavailable
18
BUSH,DIAPHRAGM
2GU-25855-00-00
Unavailable
19
SCREW, WITH WASHER (36X)
90159-06085-00
Unavailable
20
NUT, SPRING(4ES)
90183-06069-00
Unavailable
21
HOSE, RESERVOIR
5LV-25895-00-00
Unavailable
22
CLIP (5K4)
90467-14057-00
Unavailable
23
HOSE, BRAKE 5
5LV-2581K-01-00
Unavailable
24
BOLT, UNION(3GM)
90401-10159-00
Unavailable
25
WASHER, PLATE(481)
90201-10118-00
Unavailable
26
HOLDER, BRAKE HOSE 2
4FM-25876-01-00
Unavailable
27
HOLDER, BRAKE HOSE
4BH-25886-02-00
Unavailable
28
BOLT, FLANGE
95817-06010-00
Unavailable
