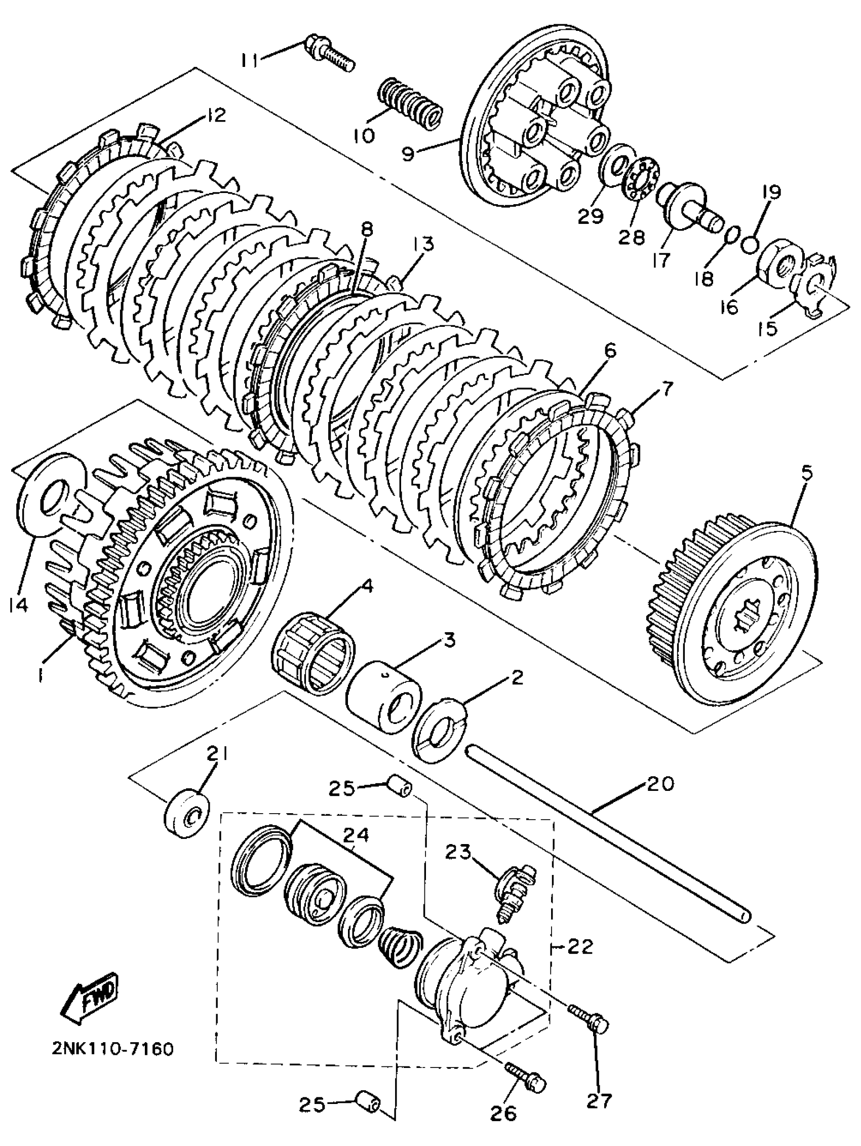
Yamaha FZR750RU (FZR750R) 1988 CLUTCH Diagram
#
Description
Price
1
PRI DRVN GEAR
1TV-16150-01-00
Unavailable
2
PLATE, THRUST 1
1AE-16154-00-00
Unavailable
3
COLLAR
90387-25024-00
Unavailable
4
BEARING, CYLINDRICAL(1FN)
93310-340N8-00
Unavailable
5
BOSS, CLUTCH
2GH-16371-00-00
Unavailable
9
PLATE, PRESSURE 1
58L-16351-00-00
Unavailable
16
NUT (34L)
90170-20327-00
Unavailable
17
ROD, PUSH 1
1LJ-16356-00-00
Unavailable
18
O-RING (26H)
93210-06632-00
Unavailable
19
BALL (498)
93511-32027-00
Unavailable
20
ROD, PUSH 2
1AE-16357-00-00
Unavailable
21
OIL SEAL(12E)
93109-08061-00
Unavailable
22
PUSH LEVER COMP.
1TV-16381-12-00
Unavailable
23
BLEED SCREW KIT
36Y-W0048-00-00
Unavailable
24
PUSH LEVER SEAL KIT
26H-W0098-00-00
Unavailable
25
PIN, DOWEL(N04)
91808-12024-00
Unavailable
26
BOLT, SMALL FLANGE
95027-06030-00
Unavailable
27
BOLT, SMALL FLANGE
95027-06090-00
Unavailable
28
BEARING, THRUST (713)
93340-21505-00
Unavailable
29
WASHER, PLATE(3GD)
90201-150U6-00
Unavailable
