Partiron

Yamaha FZR750RT (FZR750R) 1987 STARTING MOTOR Diagram

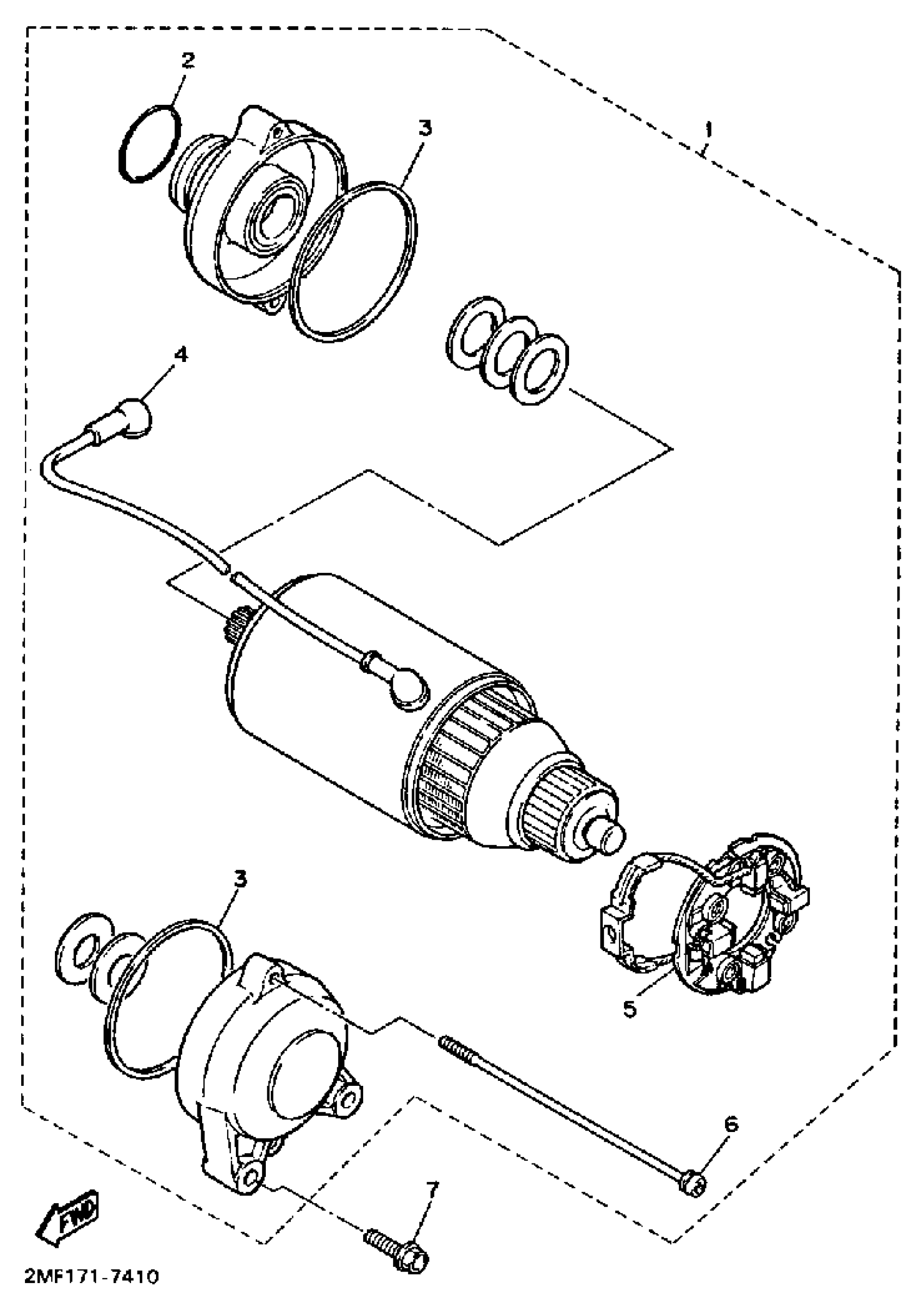
#

Description
Price

1

STARTING MOTOR ASSEMBLY

1UF-81800-60-00

Unavailable

2

O-RING (437)

93210-24235-00

$7.49

3

GASKET

4G0-81844-00-00

Unavailable

4

CABLE,STARTING MOTOR

3XF-81815-00-00

Unavailable

6

BOLT

(1AE-81826-00-00)

Unavailable

6

. BRUSH HOLDER ASSEMBLY

1VJ-81840-00-00

Unavailable

7

BOLT, FLANGE

95817-06025-00

Unavailable