- Partiron
- OEM Parts
- Yamaha
- motorcycle
- 1987
- FZR750RT (FZR750R) 1987
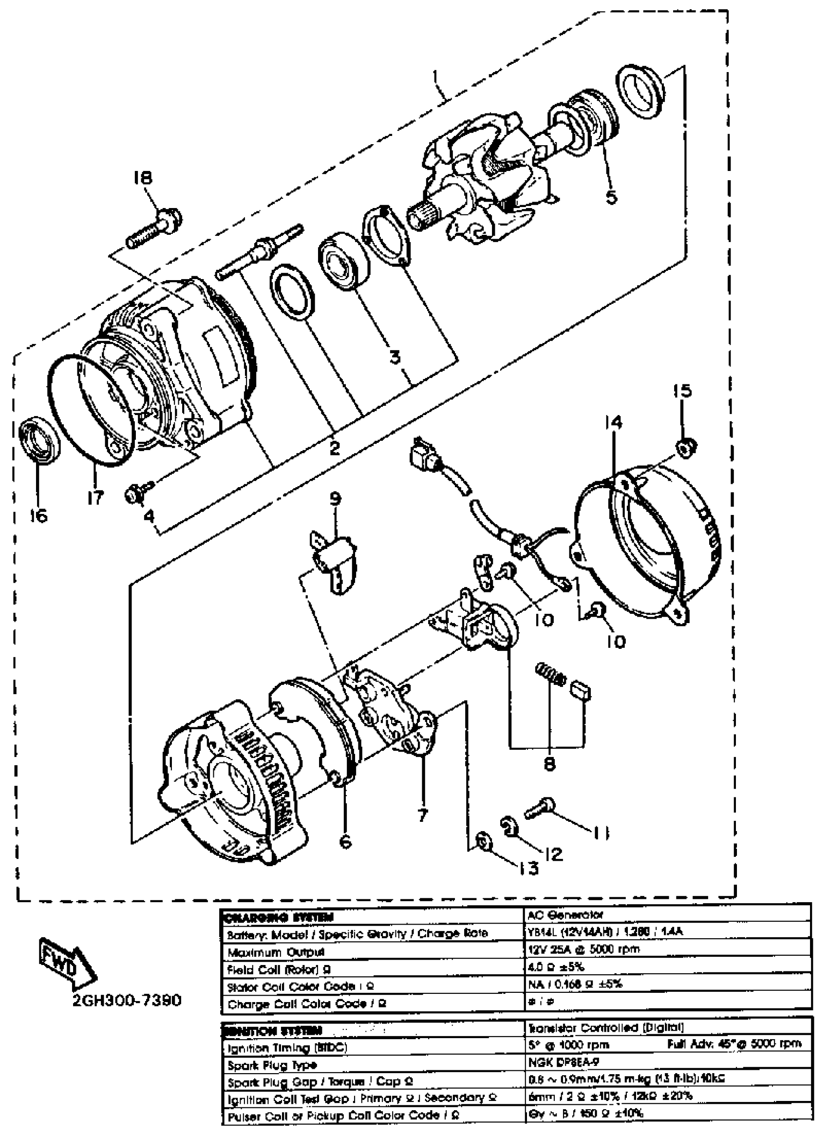
GENERATOR
Yamaha FZR750RT (FZR750R) 1987 GENERATOR Diagram
#
Description
Price
1
A.C. GENERATOR ASSEMBLY
2GH-81600-55-00
Unavailable
2
STATOR ASY
2GH-81634-00-00
Unavailable
3
BEARING
4BH-81643-10-00
Unavailable
4
.. SCREW
2KT-81645-50-00
Unavailable
5
BEARING
4BH-81643-10-00
Unavailable
6
RECTIFIER ASSY
4BH-81970-00-00
Unavailable
8
BRUSH HOLDER ASSY
3FV-81619-00-00
Unavailable
9
. COVER, RECTIFIER
36Y-81972-50-00
Unavailable
10
. SCREW
36Y-81645-30-00
Unavailable
14
COVER ASY
2GH-81604-00-00
Unavailable
16
OIL SEAL
36Y-81638-50-00
Unavailable
17
O-RING
2KT-81642-50-00
Unavailable
18
BOLT, FLANGE(6TA)
95817-08030-00
Unavailable
