- Partiron
- OEM Parts
- Yamaha
- motorcycle
- 1987
- FZR750RT (FZR750R) 1987
ELECTRICAL 2
Yamaha FZR750RT (FZR750R) 1987 ELECTRICAL 2 Diagram
#
Description
Price
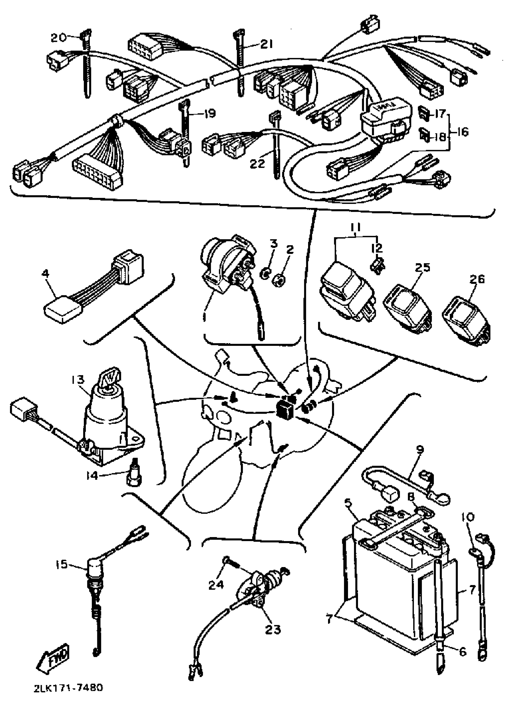
1
STARTER SWITCH ASSEMBLY (MS5D-211)
42X-81940-00-00
Unavailable
3
WASHER, SPRING
92995-06100-00
Unavailable
4
RECTIFIER 2
4U8-81980-M0-00
Unavailable
5
YB14LA2 YUASA BATTERY
YB1-4LA20-00-00
Unavailable
9
WIRE,PLUS LEAD
4BH-82115-00-00
Unavailable
10
WIRE, MINUS LEAD
1UF-82116-00-00
Unavailable
11
FUSE HOLDER ASSY
1AE-82150-00-00
Unavailable
13
MAIN SWITCH STEERING LOCK
3JV-82501-00-00
Unavailable
15
STOP SWITCH ASSEMBLY
2GH-82530-02-00
Unavailable
16
WIRE HARNESS ASSEMBLY
2LJ-82590-00-00
Unavailable
17
FUSE (10A)
42X-82151-00-00
Unavailable
18
FUSE (12V 15A)
36Y-82151-00-00
Unavailable
19
BAND, SWITCH CORD
437-83936-01-00
Unavailable
20
BAND, SWITCH CORD
437-83936-11-00
Unavailable
21
BAND
341-26397-01-00
Unavailable
22
BAND, SWITCH CORD
25G-83936-01-00
Unavailable
23
SWITCH, SIDE STAND
2KT-82566-01-00
Unavailable
24
SCREW, FLAT
98707-05014-00
Unavailable
25
RELAY ASSY
25G-81950-02-00
Unavailable
26
RELAY ASSY
4U8-81950-03-00
Unavailable
