Yamaha FZR600RJC (FZR600R CA) 3UU8 1997 CLUTCH Diagram
#
Description
Price
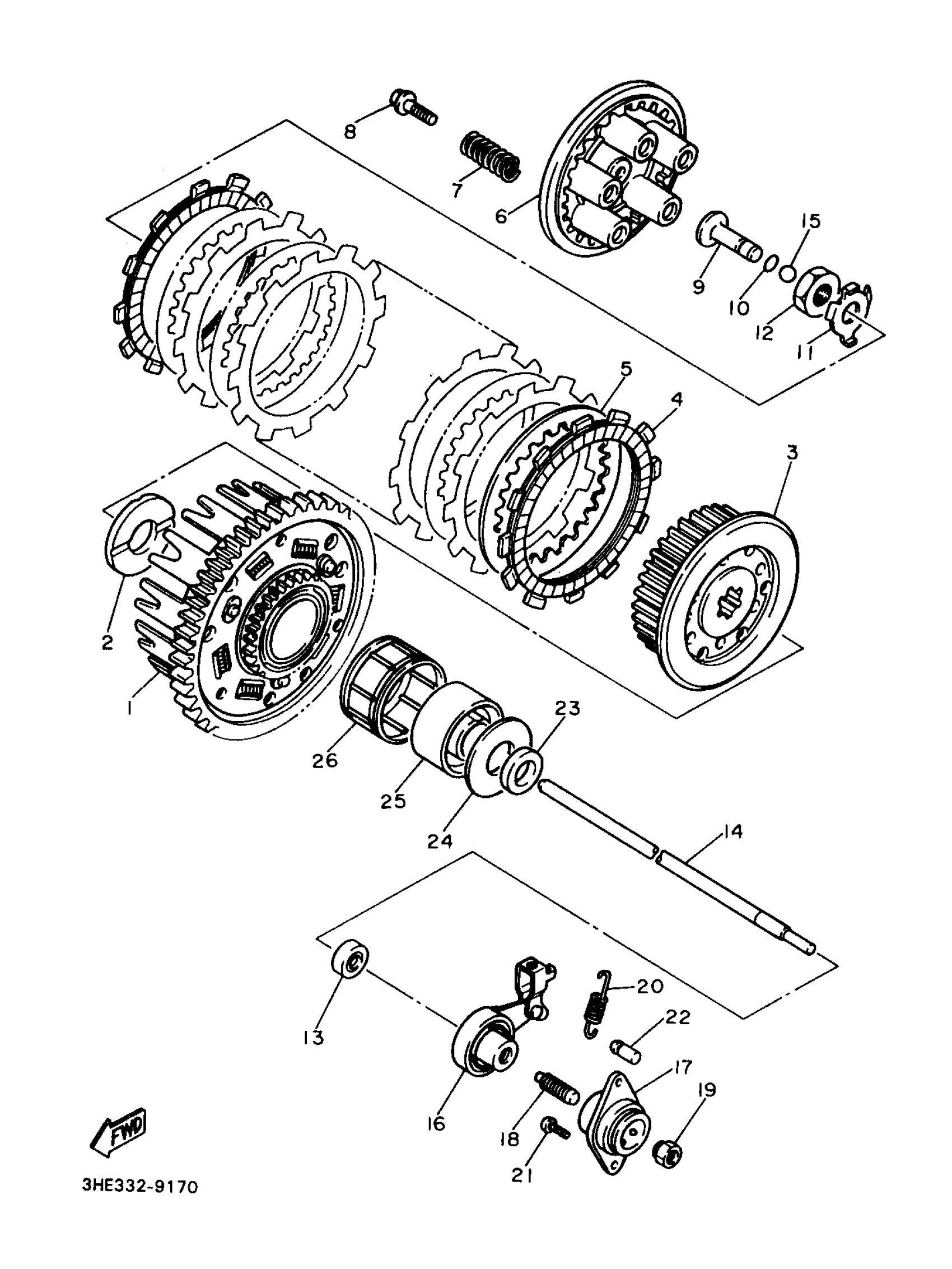
1
PRIMARY DRIVEN GEAR COMP.
3HE-16150-00-00
Unavailable
2
PLATE, THRUST 1
1WG-16154-00-00
Unavailable
3
BOSS, CLUTCH
3HE-16371-00-00
Unavailable
9
ROD, PUSH 1
1WG-16356-00-00
Unavailable
13
SEAL, PUSH ROD (8.0X21X5.5)
93109-08058-00
Unavailable
14
ROD, PUSH 2
1WG-16357-02-00
Unavailable
16
PUSH LEVER ASSEMBLY
1WG-16340-01-00
Unavailable
17
BALL SCREW HOUSING ASSY
1WG-16304-00-00
Unavailable
18
BOLT SET 256163430100
90113-08021-00
Unavailable
19
NUT
90179-08179-00
Unavailable
20
SPRING, TENSION(4JH)
90506-11488-00
Unavailable
21
SCREW, PAN HEAD(3LA)
98517-05010-00
Unavailable
22
HOOK, SPRING
132-16346-00-00
Unavailable
23
COLLAR(1WG)
90387-212R3-00
Unavailable
24
PLATE, THRUST 2
1WG-16164-00-00
Unavailable
25
SPACER 1
1WG-16181-00-00
Unavailable
26
BEARING, CYLINDRICAL(1WG)
93310-345R8-00
Unavailable
