- Partiron
- OEM Parts
- Yamaha
- motorcycle
- 1996
- FZR600RHC (FZR600R CA) 1996
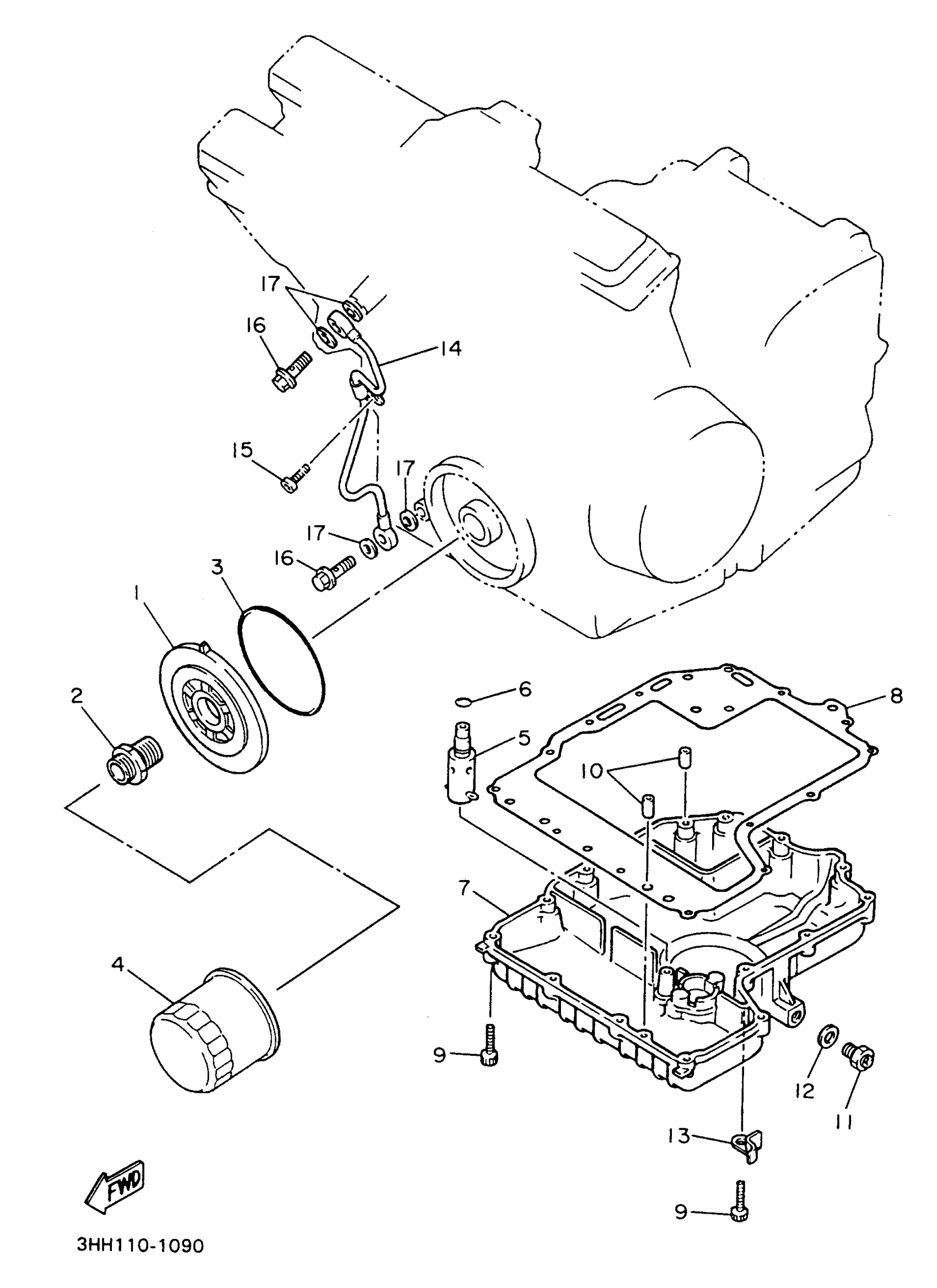
OIL COOLER
Yamaha FZR600RHC (FZR600R CA) 1996 OIL COOLER Diagram
#
Description
Price
2
BOLT, UNION
90401-20007-00
Unavailable
3
O-RING(1KF)
93210-87723-00
Unavailable
5
RELIEF VALVE ASSY
11H-13490-00-00
Unavailable
7
COVER, STRAINER
1WG-13417-00-00
Unavailable
8
GASKET, STRAINER COVER
4TV-13414-00-00
Unavailable
13
CLAMP
90465-10306-00
Unavailable
14
PIPE, DELIVERY 1
3HE-13161-00-00
Unavailable
16
BOLT, UNION(1HX)
90401-10106-00
Unavailable
17
GASKET (5R6)
90430-10171-00
Unavailable
