- Partiron
- OEM Parts
- Yamaha
- motorcycle
- 1996
- FZR600RHC (FZR600R CA) 1996
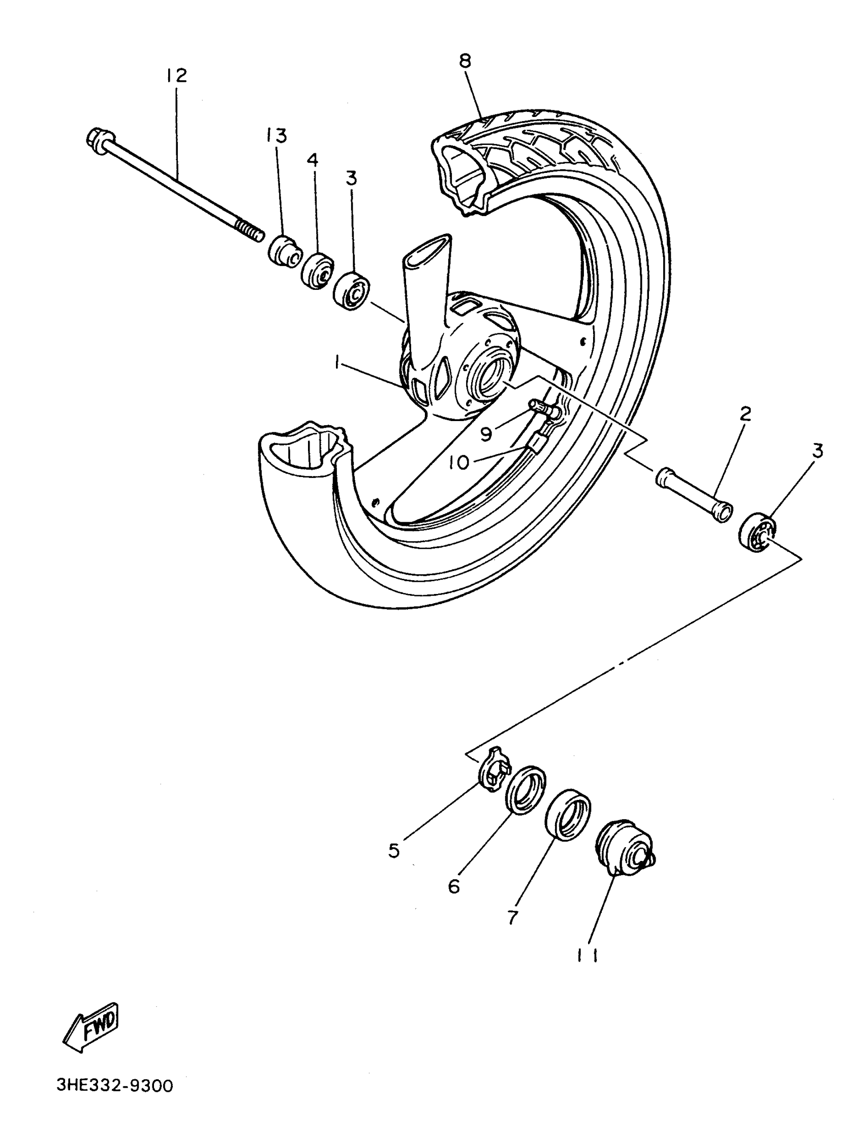
FRONT WHEEL
Yamaha FZR600RHC (FZR600R CA) 1996 FRONT WHEEL Diagram
#
Description
Price
1
CAST WHEEL, FRONT
3HE-25168-00-33
Unavailable
1
CAST WHEEL, FRONT
3HE-25168-00-FH
Unavailable
2
SPACER
90560-15314-00
Unavailable
8
TIRE (110/70 VR17 V240)
94111-173X4-00
Unavailable
8
TIRE (MCS110/70 VR17 V240)
94111-175X5-00
Unavailable
10
BALANCER, WHEEL
5MT-25398-20-00
Unavailable
11
GEAR UNIT ASSY
4X8-25190-10-00
Unavailable
12
AXLE, WHEEL
42X-25181-00-00
Unavailable
13
COLLAR (1L9)
90387-15550-00
Unavailable
