- Partiron
- OEM Parts
- Yamaha
- motorcycle
- 1995
- FZR600RGC (FZR600R CA) 1995
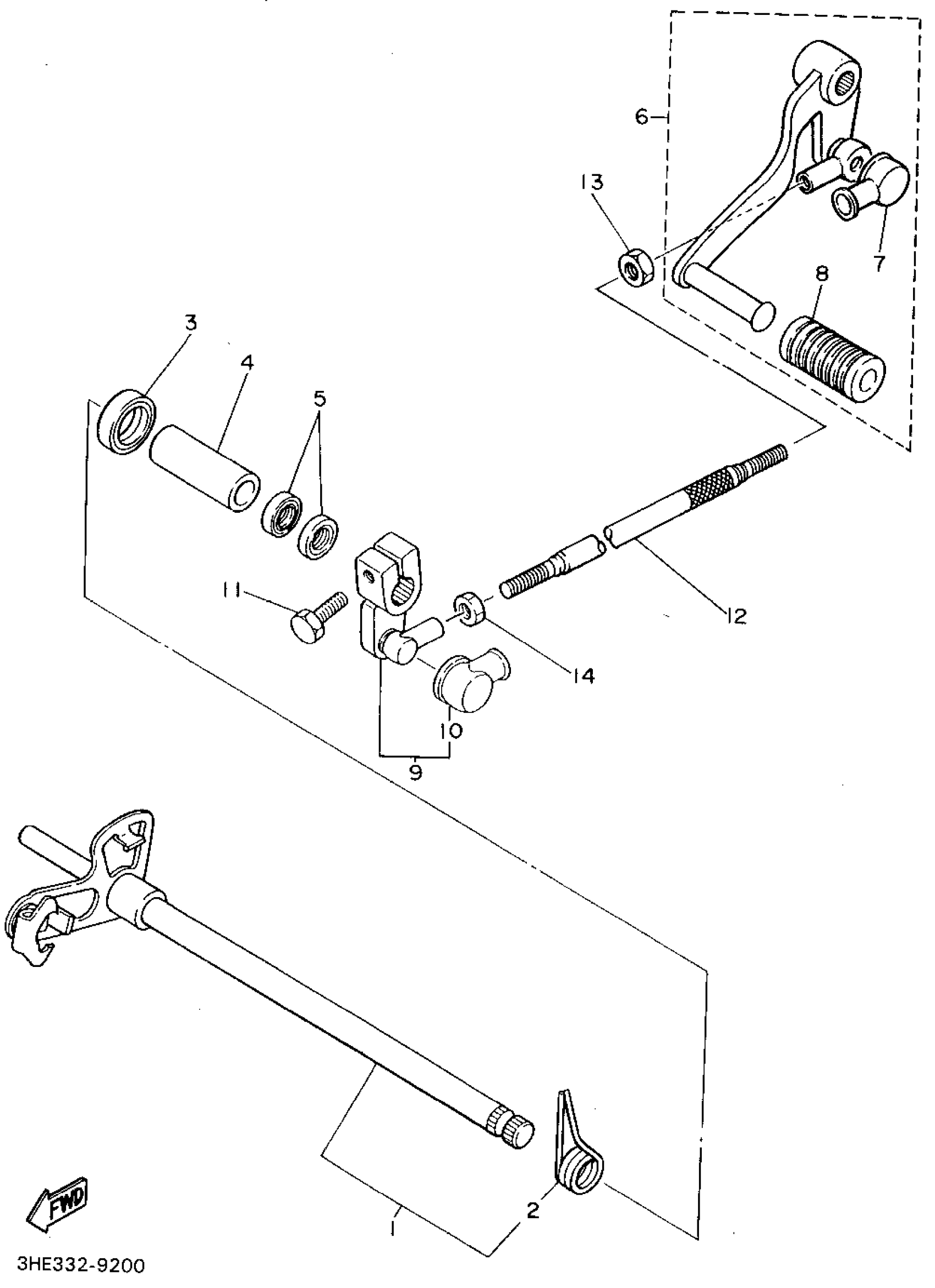
SHIFT SHAFT
Yamaha FZR600RGC (FZR600R CA) 1995 SHIFT SHAFT Diagram
#
Description
Price
1
SHIFT SHAFT ASSEMBLY
3EN-18101-01-00
Unavailable
6
SHIFT PEDAL ASY
3HE-18110-01-00
Unavailable
9
ARM, SHIFT
1WG-18112-01-00
Unavailable
12
ROD, SHIFT
1WG-18115-02-00
Unavailable
