- Partiron
- OEM Parts
- Yamaha
- motorcycle
- 1991
- FZR600RBC (FZR600 CA) 1991
CARBURETOR
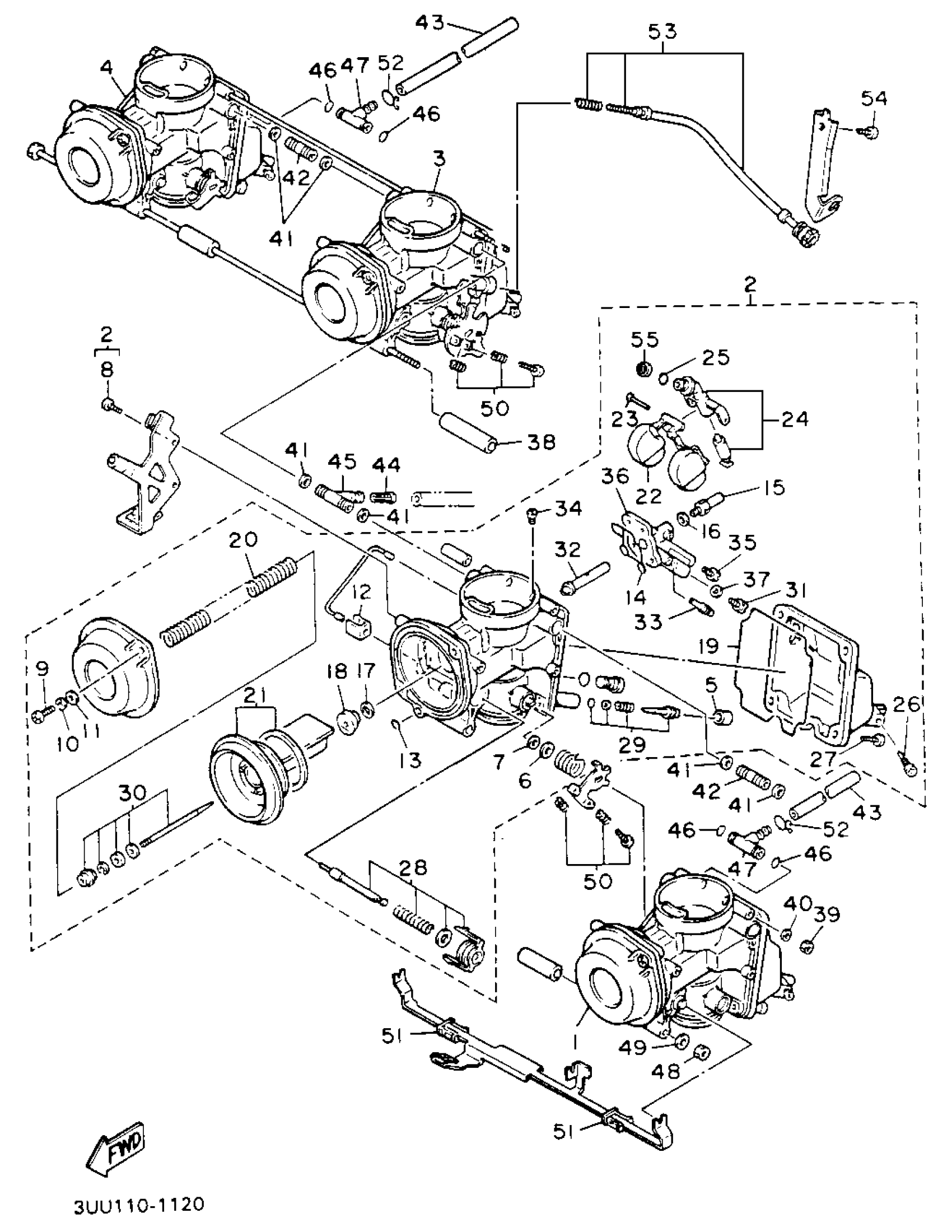
Yamaha FZR600RBC (FZR600 CA) 1991 CARBURETOR Diagram
#
1
CARBURETOR ASSY 1
3UU-14901-03-00
Unavailable
2
CARBURETOR ASSY 2
3UU-14902-03-00
Unavailable
3
CARBURETOR ASSY 3
3UU-14903-03-00
Unavailable
4
CARBURETOR ASSY 4
3UU-14904-03-00
Unavailable
5
CAP
3F9-14118-00-00
Unavailable
7
.. SEAL
256-14997-00-00
Unavailable
7
.. SEAL
256-14997-00-00
Unavailable
9
SCREW, PAN HEAD
90157-05M19-00
Unavailable
12
. PLATE
3EN-14243-00-00
Unavailable
13
SEAL
3EN-14239-00-00
Unavailable
15
SCREW
1AE-14565-00-00
Unavailable
16
WASHER,MAIN JET
137-14153-00-00
Unavailable
17
O-RING
1FN-14147-00-00
Unavailable
18
. BLOCK JET ASSEMBLY (3EN-1411A-00-00)
3EN-1411E-00-00
Unavailable
19
SEAL
3GM-14997-00-00
Unavailable
20
. SPRING, DIAPHRAGM
3HE-14933-00-00
Unavailable
21
. DIAPHRAGM ASSEMBLY
3HE-14940-00-00
Unavailable
22
. FLOAT
3HE-14985-00-00
Unavailable
23
PIN, FLOAT
353-14186-00-00
Unavailable
24
NEEDLE VALVE SET
3HH-14107-10-00
Unavailable
25
O-RING
3EN-14147-00-00
Unavailable
26
PLUG, DRAIN
12R-14191-00-00
Unavailable
27
SCREW,PAN HEAD (646)
98580-05012-00
Unavailable
28
STARTER SET
3EN-1410A-01-00
Unavailable
29
PILOT SCREW SET
12R-14105-00-00
Unavailable
30
. NEEDLE SET
3HH-1490J-00-00
Unavailable
31
JET,MAIN #107.5
3G2-1423A-72-00
Unavailable
32
. NOZZLE, MAIN
3EN-14141-90-00
Unavailable
33
JET, PILOT (#32.5)
4G0-14142-32-A0
Unavailable
34
. JET, PILOT AIR (1325)
830-1423A-77-00
Unavailable
35
. JET, POWER (#50)
3G2-14231-10-00
Unavailable
36
. BLOCK JET ASSEMBLY
3HE-1411A-00-00
Unavailable
37
O-RING
1AE-14227-00-00
Unavailable
38
PIPE
3HE-14148-00-00
Unavailable
39
NUT, HEXAGON (663)
95380-05600-00
Unavailable
40
WASHER,NEEDLE
812-14235-00-00
Unavailable
41
SEAL
3EN-14997-00-00
Unavailable
42
SPACER
3EN-14163-00-00
Unavailable
43
PIPE
3EN-14197-00-00
Unavailable
44
NET, FILTER
1KT-14994-00-00
Unavailable
45
PIPE, STARTER CONNECTING
3EN-14988-00-00
Unavailable
46
O-RING
36Y-14147-00-00
Unavailable
47
NIPPLE
17A-14251-00-00
Unavailable
48
NUT, HEXAGON
95380-06600-00
Unavailable
49
WASHER, PLAIN (646)
92990-06600-00
Unavailable
50
STOP SCREW SET
4KM-1490K-00-00
Unavailable
51
HOLDER
3EN-14261-00-00
Unavailable
52
CLIP, PIPE
8U9-14139-00-00
Unavailable
53
THROTTLE SCREW SET
3HE-14103-00-00
Unavailable
54
SCREW, PAN HEAD(62X)
97885-05010-00
Unavailable
55
NET, FILTER
1HX-14994-00-00
Unavailable
