Partiron

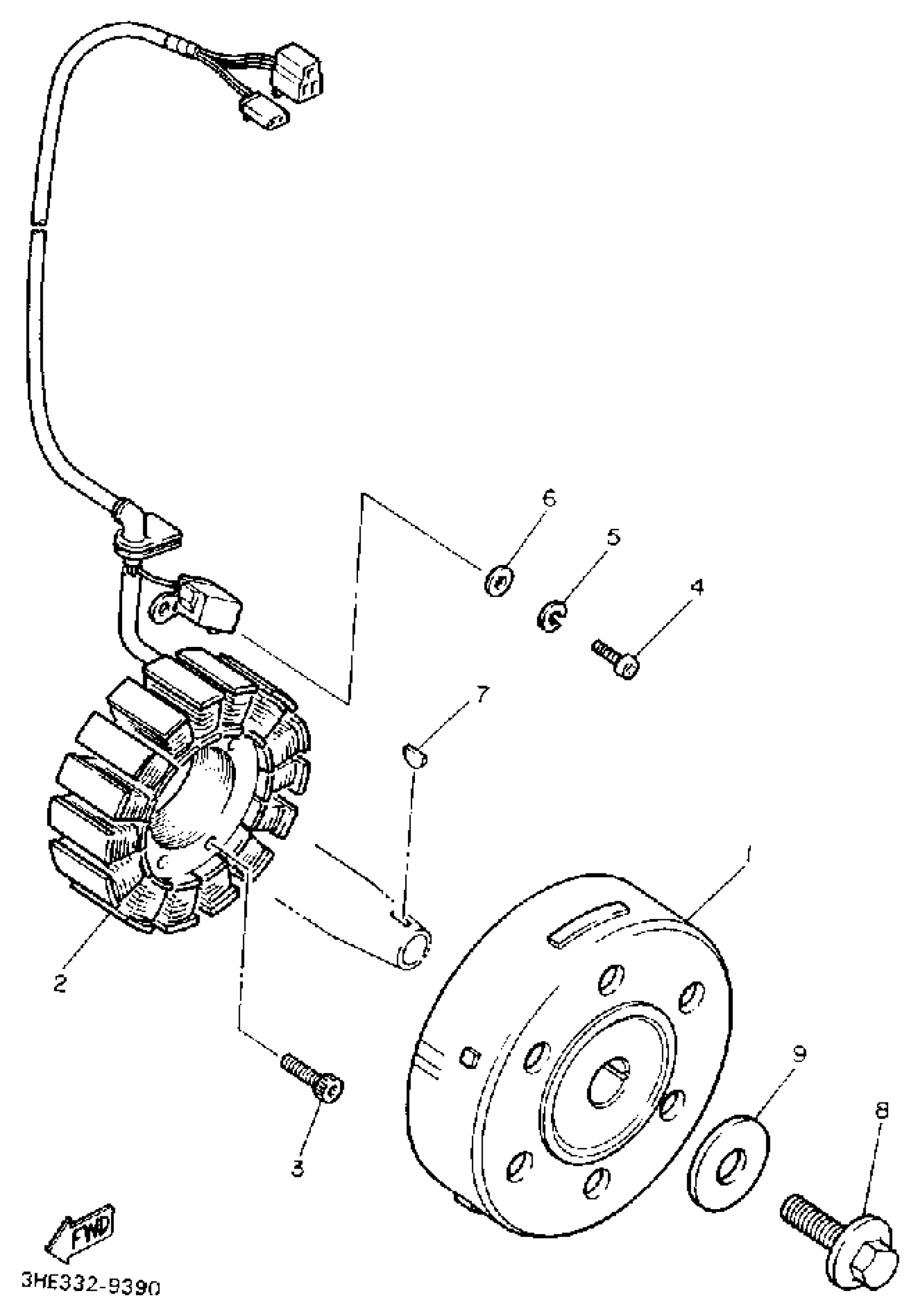
Yamaha FZR600RAC (FZR600 CA) 1990 GENERATOR Diagram

#

Description
Price

1

ROTOR ASSEMBLY

3HE-81450-00-00

Unavailable

2

STATOR ASSEMBLY

3HE-81410-01-00

Unavailable

3

BOLT, SOCKET

91314-06035-00

$8.49

4

SCREW, PAN HEAD(6B0)

97885-05016-00

Unavailable

5

YBS67-5 WASHER, SPRING

92990-05100-00

$0.35

6

WASHER, PLAIN (646)

92990-05600-00

$0.80

7

KEY, WOODRUFF(1WG)

90280-03047-00

$5.60

8

BOLT, WASHER BASED(1WG)

90105-10430-00

$9.49

9

WASHER, PLATE(1WG)

90201-107K6-00

Unavailable