- Partiron
- OEM Parts
- Yamaha
- motorcycle
- 1989
- FZR400W (FZR400) 1989
REAR MASTER CYLINDER
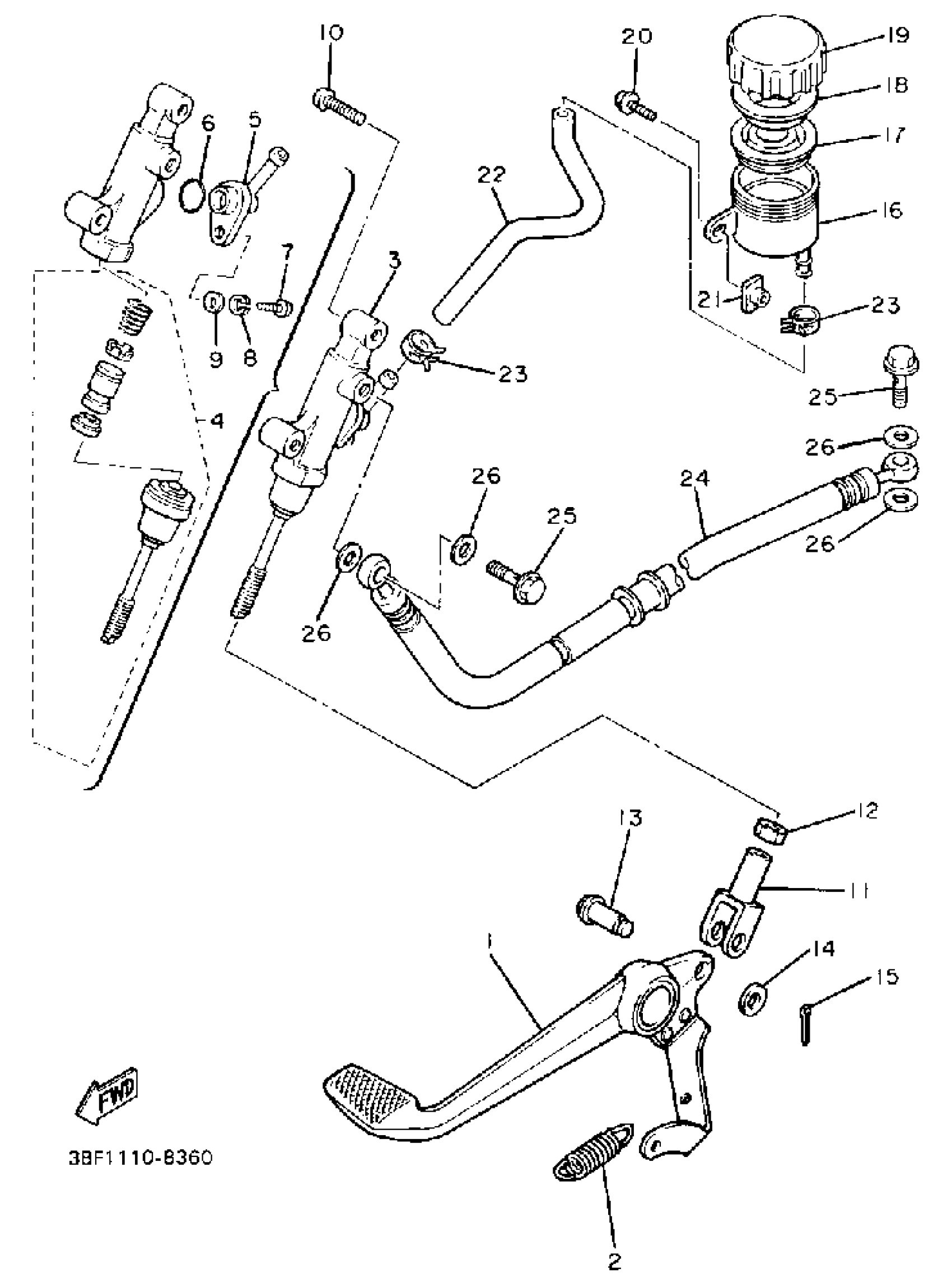
Yamaha FZR400W (FZR400) 1989 REAR MASTER CYLINDER Diagram
#
Description
Price
1
PEDAL, BRAKE
1WG-27200-00-00
Unavailable
3
MASTER CYLINDER ASSEMBLY
1WG-25850-50-00
Unavailable
4
CYL KIT,MASTER
1WG-W0042-50-00
Unavailable
5
CONNECTOR
29L-2582A-50-00
Unavailable
7
SCREW, PAN HEAD
98511-04012-00
Unavailable
12
. NUT
95380-08700-00
Unavailable
16
TANK, RESERVOIR
31A-25894-01-00
Unavailable
17
DIAPHRAGM, RESERVER
360-25854-01-00
Unavailable
18
BUSH,DIAPHRAGM
2GU-25855-00-00
Unavailable
19
CAP, RESERVOIR
2KF-25852-50-00
Unavailable
20
SCREW, WITH WASHER (5U8)
90159-06056-00
Unavailable
21
PLATE
31A-14477-10-00
Unavailable
22
HOSE, RESERVOIR
1WG-25895-00-00
Unavailable
23
CLIP (5K4)
90467-14057-00
Unavailable
24
HOSE, BRAKE 1
(3BF-25872-50-00)
Unavailable
25
BOLT, UNION(3GM)
90401-10159-00
Unavailable
26
WASHER, PLATE(481)
90201-10118-00
Unavailable
