- Partiron
- OEM Parts
- Yamaha
- motorcycle
- 1989
- FZR400W (FZR400) 1989
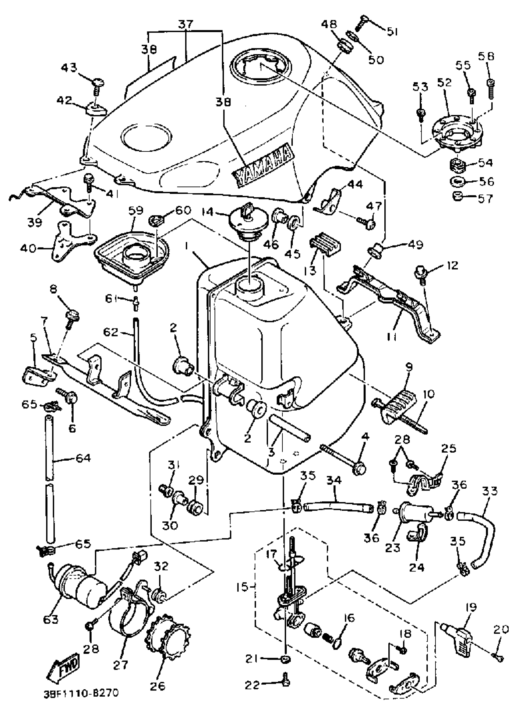
FUEL TANK
Yamaha FZR400W (FZR400) 1989 FUEL TANK Diagram
#
1
FUEL TANK
1WG-24110-01-00
Unavailable
2
DAMPER, LOCATING 1
1HX-24181-00-00
Unavailable
3
COLLAR
90387-06380-00
Unavailable
5
BRACKET, TANK FTNG
(1WG-21346-00-00)
Unavailable
7
BRACKET, TANK FITTING
1WG-21345-00-00
Unavailable
9
DAMPER, LOCATING 2
1HX-24182-00-00
Unavailable
11
BRACKET, TANK FITTING
1WG-21348-00-00
Unavailable
13
DAMPER, LOCATING 5
1WG-24185-00-00
Unavailable
14
CAP ASSEMBLY
1WG-24602-00-00
Unavailable
15
FUEL COCK ASSEMBLY 1
1WG-24500-00-00
Unavailable
16
O-RING
4X8-24534-00-00
Unavailable
17
O-RING
4X8-24512-00-00
Unavailable
18
SCREW, PAN HEAD (J10)
98580-03008-00
Unavailable
19
LEVER, COCK
1WG-24524-00-00
Unavailable
20
SCREW, FLAT
98707-04016-00
Unavailable
21
WASHER, PLATE(3MB)
90202-05187-00
Unavailable
22
SCREW 256241430000
90149-06011-00
Unavailable
23
FILTER ASSY
1FK-24560-10-00
Unavailable
24
BAND, FILTER
26H-24568-00-00
Unavailable
25
BRACKET, FILTER
1WG-24566-00-00
Unavailable
26
BAND 1
1WG-24398-01-00
Unavailable
27
BRACKET,FUEL PUMP
3HE-24491-00-00
Unavailable
28
SCREW, BINDING
98907-05014-00
Unavailable
29
GROMET (3X3)
90480-14229-00
Unavailable
30
COLLAR 437216330000
90387-07391-00
Unavailable
31
NUT (1AE)
90179-06500-00
Unavailable
32
GROMMET(1WG)
90480-11454-00
Unavailable
33
PIPE, FUEL 1
1WG-24311-00-00
Unavailable
34
PIPE 2
1WG-24312-00-00
Unavailable
35
CLIP(42X)
90467-10091-00
Unavailable
36
CLIP (7K7)
90467-11044-00
Unavailable
37
COVER, TOP
1WG-W217A-00-0X
Unavailable
38
EMBLEM, YAMAHA(3XV)
99224-00160-00
Unavailable
39
STAY
3FH-24364-00-00
Unavailable
40
STAY, FUEL TANK 2
3BF-24158-00-00
Unavailable
41
BOLT, FLANGE
95817-06012-00
Unavailable
42
DAMPER, LOCATING 3
1WG-24183-00-00
Unavailable
43
SCREW, BINDING
90154-06040-00
Unavailable
44
DAMPER, LOCATING 4
1WG-24184-00-00
Unavailable
45
TRIM, COVER PANEL
1WG-2414H-00-00
Unavailable
46
COLLAR
90387-112R6-00
Unavailable
47
SCREW, SPECL SHAPE
90149-06246-00
Unavailable
48
GROMMET(3AK)
90480-18495-00
Unavailable
49
COLLAR
90387-112R6-00
Unavailable
50
WASHER, PLATE (J10)
90201-06697-00
Unavailable
51
SCREW, PAN HEAD (76T)
98517-06025-00
Unavailable
52
PLATE, CAP
1WG-24614-00-00
Unavailable
53
BOLT, HEXAGON SOCKET HEAD(1WG)
90110-06134-00
Unavailable
54
DAMPER
1WG-24665-00-00
Unavailable
55
BOLT, HEXAGON SOCKET HEAD
90110-06133-00
Unavailable
56
WASHER, PLATE
90201-06380-00
Unavailable
57
NUT, HEXAGON
95380-06600-00
Unavailable
58
BOLT, HEX SKT HEADSOCKET HEAD
90110-06132-00
Unavailable
59
COVER, FILLER
1WG-2414A-00-00
Unavailable
60
WASHER, RING
1WG-24622-00-00
Unavailable
61
SPACER
90560-03220-00
Unavailable
62
HOSE (L1050)
90445-072G8-00
Unavailable
63
FUEL PUMP COMP.
1WG-13907-00-00
Unavailable
64
HOSE (L300)
90445-126E7-00
Unavailable
65
HOSE CLAMP ASSY
90450-12002-00
Unavailable
