Partiron

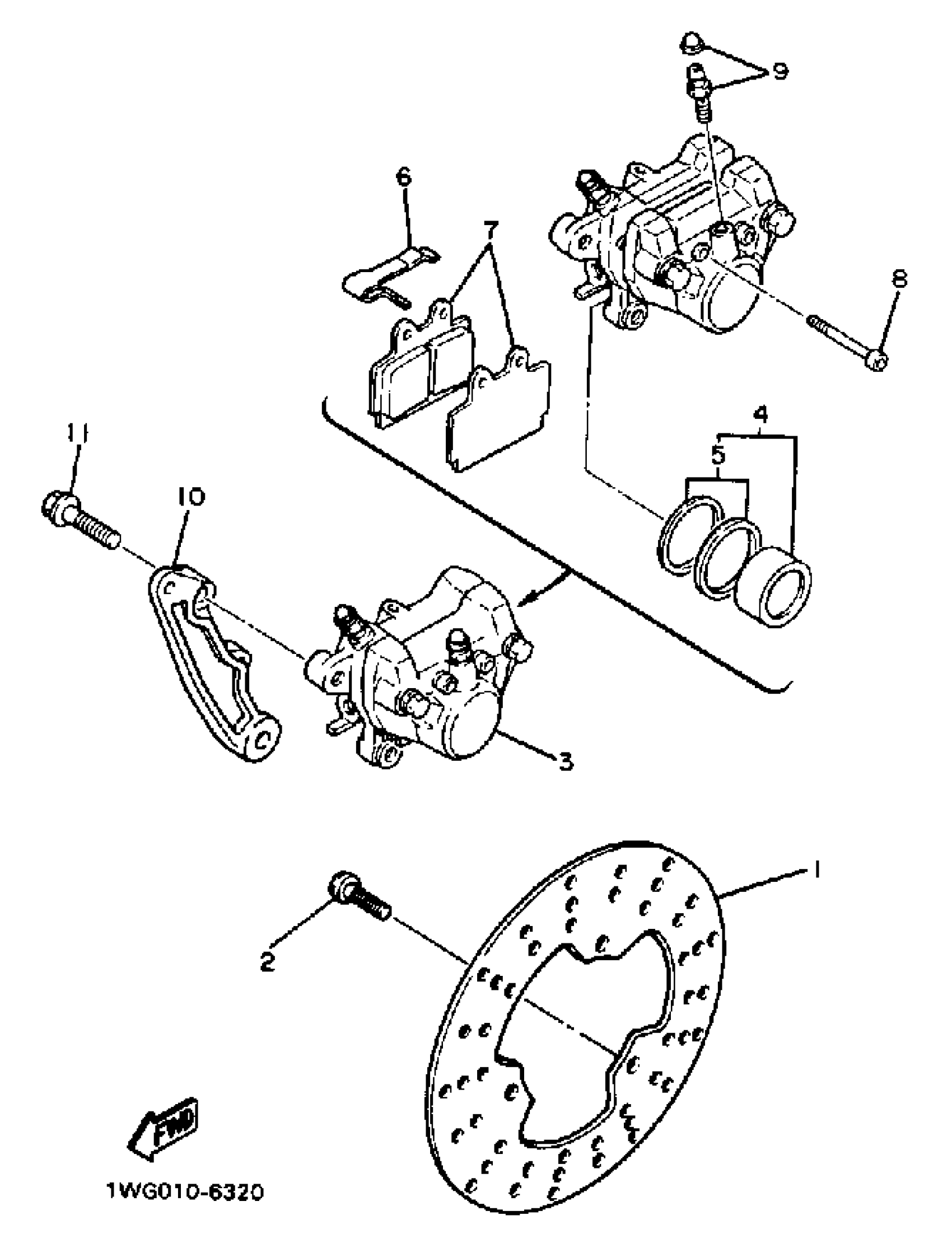
Yamaha FZR400SUC (FZR400 CA) 1988 REAR BRAKE CALIPER Diagram

#

Description
Price

1

DISC, BRAKE

1WG-25831-50-00

$228.99

2

BOLT,HEX. SOCKET BUTTON

90111-08084-00

$5.60

3

CALIPER ASSY, REAR 2

4AP-2580W-00-00

Unavailable

4

PISTON ASSY, CALIPER

51L-W0057-00-00

$138.99

5

CALIPER SEAL KIT

51L-W0047-11-00

Unavailable

6

SUPPORT, PAD

51L-25919-00-00

Unavailable

7

BRAKE PAD KIT 2

4AP-W0046-00-00

$46.99

8

PIN, PAD

4FL-25924-00-00

$22.99

9

BLEED SCREW KIT

15B-W0048-00-00

$19.99

10

BRACKET, CALIPER

1WG-25819-00-00

Unavailable

11

BOLT, WASHER BASED(3VD)

90105-10638-00

$7.49