- Partiron
- OEM Parts
- Yamaha
- motorcycle
- 1988
- FZR400SUC (FZR400 CA) 1988
ELECTRICAL 1
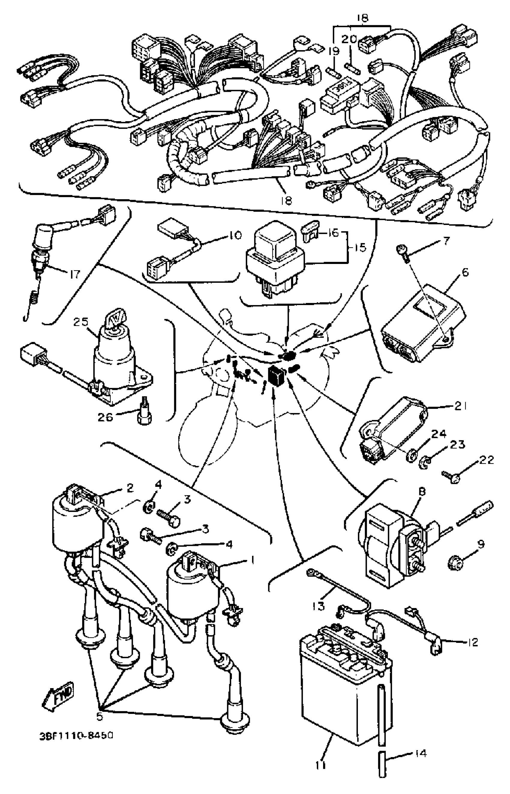
Yamaha FZR400SUC (FZR400 CA) 1988 ELECTRICAL 1 Diagram
#
Description
Price
4
WASHER, SPRING
92995-06100-00
Unavailable
5
PLUG CAP ASSEMBLY
1WG-82370-00-00
Unavailable
6
IGNITOR UNIT ASSEMBLY
3FH-82305-00-00
Unavailable
8
STARTER RELAY ASSY
36Y-81940-00-00
Unavailable
10
RECTIFIER 2
4U8-81980-M0-00
Unavailable
11
UNAVAILABLE IN PRICE BOOK
BTY-GM12A-Z3-A2
Unavailable
12
WIRE, PLUS LEAD
1WG-82115-00-00
Unavailable
13
WIRE, MINUS LEAD
89H-82116-00-00
Unavailable
15
FUSE HOLDER ASSY
1AE-82150-00-00
Unavailable
16
FUSE (12V 30A)
1AE-82151-00-00
Unavailable
17
STOP SWITCH ASSY
1KT-82530-03-00
Unavailable
18
WIRE HARNESS ASSEMBLY
3FH-82590-00-00
Unavailable
19
FUSE
1A0-82151-00-00
Unavailable
20
FUSE (12V-15A)
4X7-82151-00-00
Unavailable
21
RECTIFIER & REGULATOR ASSY
47X-81960-A3-00
Unavailable
22
SCREW, PAN
98507-06014-00
Unavailable
23
WASHER, SPRING
92995-06100-00
Unavailable
24
WASHER, PLAIN (646)
92990-06600-00
Unavailable
25
MAIN SWITCH STEERING LOCK
3FH-82501-10-00
Unavailable
26
SCREW(1KT)
90149-06228-00
Unavailable
