- Partiron
- OEM Parts
- Yamaha
- motorcycle
- 1990
- FZR400SAC (FZR400 CA) 1990
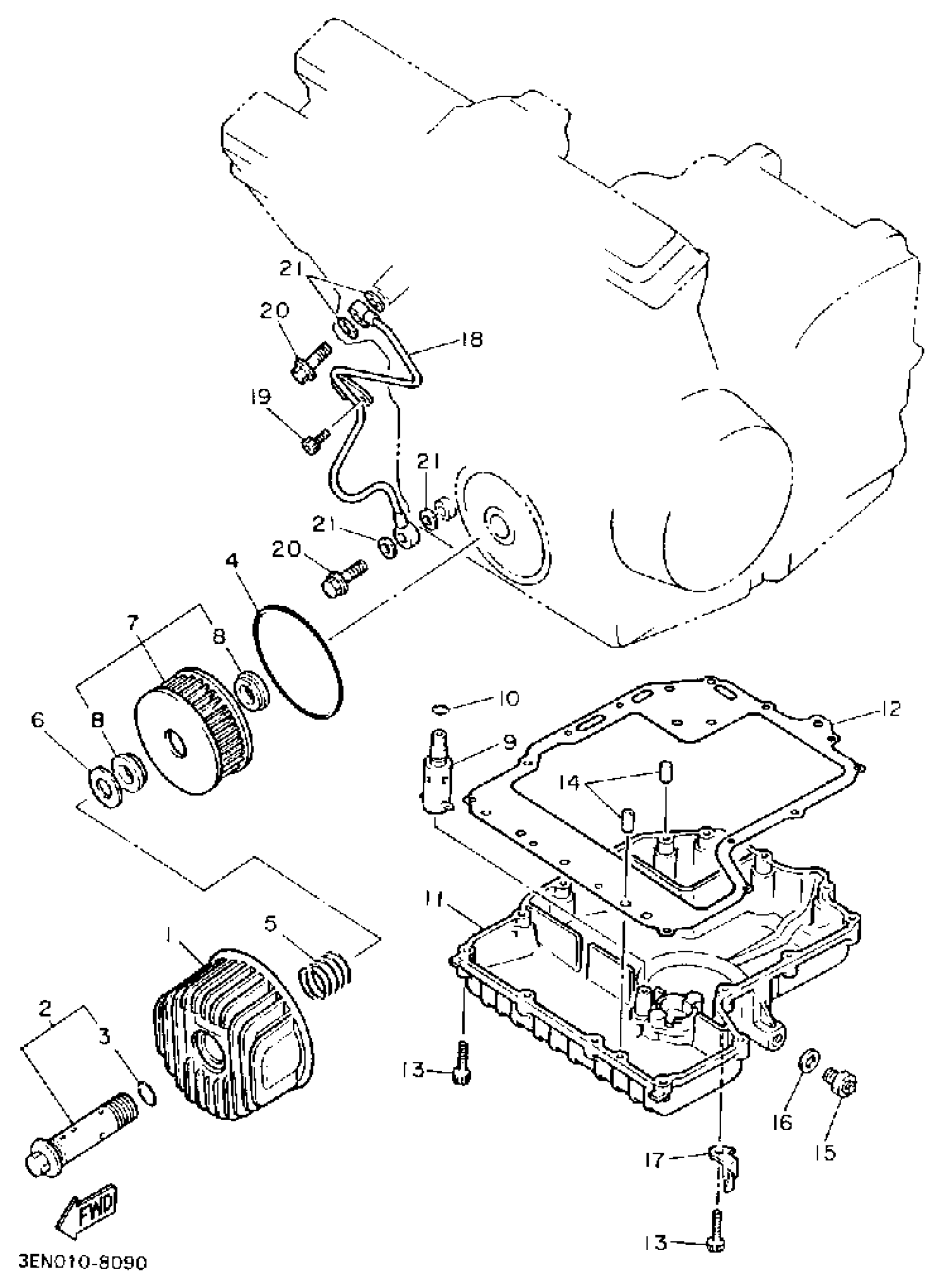
OIL FILTER
Yamaha FZR400SAC (FZR400 CA) 1990 OIL FILTER Diagram
#
Description
Price
1
COVER, OIL ELEMENT
4H7-13447-00-00
Unavailable
2
BY-PASS VALVE ASSY
1L9-13340-01-00
Unavailable
8
GROMMET (1L9)
90480-23193-00
Unavailable
9
RELIEF VALVE ASSY
11H-13490-00-00
Unavailable
11
COVER, STRAINER
1WG-13417-00-00
Unavailable
12
GASKET, STRAINER COVER
4TV-13414-00-00
Unavailable
16
GASKET
214-11198-01-00
Unavailable
17
CLAMP
90465-10306-00
Unavailable
18
PIPE, DELIVERY 1
1WG-13161-00-00
Unavailable
19
BOLT,SOCKET
91317-06012-00
Unavailable
20
BOLT, UNION(1HX)
90401-10106-00
Unavailable
21
GASKET (5R6)
90430-10171-00
Unavailable
