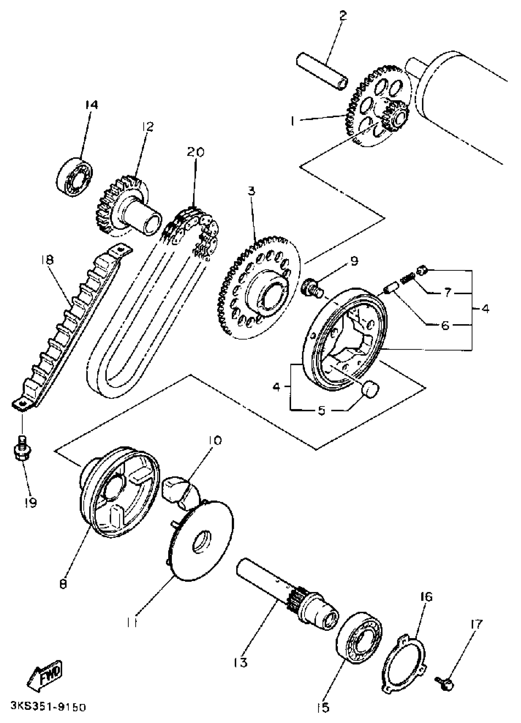
Yamaha FZR1000WC (FZR1000 CA) 1989 STARTER Diagram
#
Description
Price
1
GEAR,IDLER 1
3GM-15512-01-00
Unavailable
2
SHAFT 1
51Y-15521-00-00
Unavailable
3
GEAR, IDLER 2
4BH-15517-00-00
Unavailable
4
. STARTER CLUTCH OUTER ASSEMBLY
3GM-15580-00-00
Unavailable
8
WHEEL, STARTER
3GM-15524-00-00
Unavailable
11
RETAINER
3GM-15689-00-00
Unavailable
12
SPROCKET, STARTER 2
3GM-15519-00-00
Unavailable
13
SHAFT 2
3GM-15522-00-00
Unavailable
16
PLATE, BEARING COVER
1AE-15381-00-00
Unavailable
17
BOLT, WASHER BASED(JA9)
90105-06696-00
Unavailable
18
GUIDE, UPPER
3GM-11474-00-00
Unavailable
19
BOLT, FLANGE
95817-06014-00
Unavailable
20
CHAIN, PRIMARY
4FM-11456-00-00
Unavailable
