- Partiron
- OEM Parts
- Yamaha
- motorcycle
- 1989
- FZR1000WC (FZR1000 CA) 1989
ELECTRICAL 1
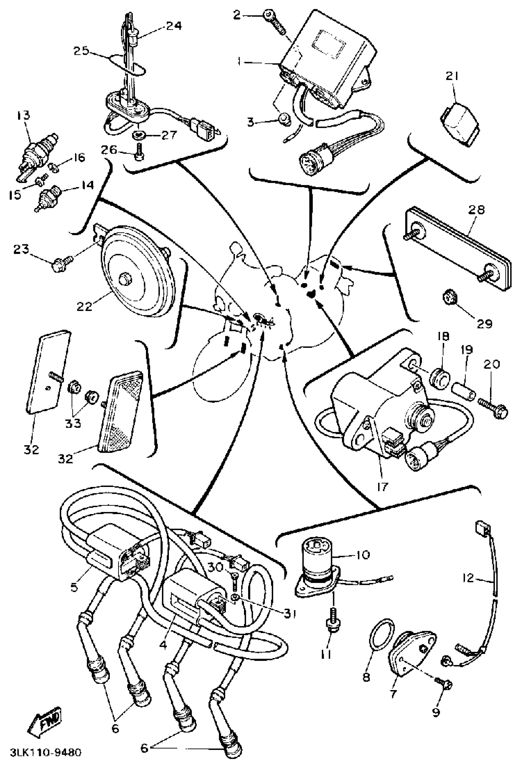
Yamaha FZR1000WC (FZR1000 CA) 1989 ELECTRICAL 1 Diagram
#
Description
Price
1
IGNITOR UNIT ASY
3LK-82305-09-00
Unavailable
2
BOLT, HEXAGON SOCKET HEAD
90110-06158-00
Unavailable
3
PLATE
31A-14477-10-00
Unavailable
10
OIL LEVEL GAUGE ASSEMBLY
3GM-85720-00-00
Unavailable
12
WIRE, SUB LEAD
1AE-82509-00-00
Unavailable
13
THERMO SWITCH ASSY
3LN-82560-01-00
Unavailable
15
SCREW, PAN HEAD(62X)
97885-05010-00
Unavailable
16
YBS67-5 WASHER, SPRING
92990-05100-00
Unavailable
17
SERVO MOTOR ASSY 1
3HW-85820-02-00
Unavailable
18
GROMMET
90480-14412-00
Unavailable
19
COLLAR(3GM)
90387-0609L-00
Unavailable
20
BOLT, FLANGE
95817-06030-00
Unavailable
21
FLASHER RELAY ASSY
2UJ-83350-01-00
Unavailable
22
HORN
2KG-83371-00-00
Unavailable
23
BOLT, FLANGE
95817-06012-00
Unavailable
24
SENDER UNIT ASSY, FUEL METER
3GM-85752-03-00
Unavailable
25
GASKET, SENDER UNIT
42X-85753-00-00
Unavailable
26
SCREW 256241430000
90149-06011-00
Unavailable
27
WASHER, PLATE(3MB)
90202-05187-00
Unavailable
28
REAR REFLECTOR ASSY
1FK-85130-00-00
Unavailable
29
NUT, FLANGE(3GM)
95707-05500-00
Unavailable
30
BOLT, HEXAGON
97017-06020-00
Unavailable
31
WASHER, PLAIN (646)
92990-06600-00
Unavailable
32
FRONT REFLECTOR ASSY
11H-85110-01-00
Unavailable
33
NUT, FLANGE(3GM)
95707-05500-00
Unavailable
