- Partiron
- OEM Parts
- Yamaha
- motorcycle
- 1987
- FZR1000TC (FZR1000 CA) 1987
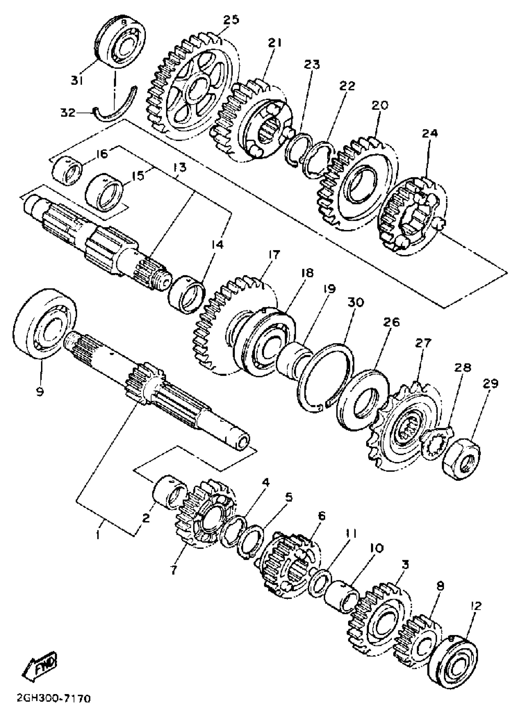
TRANSMISSION
Yamaha FZR1000TC (FZR1000 CA) 1987 TRANSMISSION Diagram
#
1
MAIN AXLE ASSEMBLY (14T)
2GH-W1741-00-00
Unavailable
2
COLLAR(1FN)
90387-253M6-00
Unavailable
3
GEAR, 5TH PINION (27T)
2GH-17151-00-00
Unavailable
6
GEAR, 3RD PINION
2GH-17131-02-00
Unavailable
7
GEAR, 4TH PINION (23T)
2GH-17141-00-00
Unavailable
8
GEAR, 2ND PINION (18T)
2GH-17121-00-00
Unavailable
10
COLLAR
90387-203M7-00
Unavailable
11
WASHER, PLATE
90201-200K3-00
Unavailable
12
BEARING(1FN)
93306-20455-00
Unavailable
13
DRIVE AXLE ASSEMBLY
2GH-W1742-00-00
Unavailable
14
COLLAR
90387-2707Y-00
Unavailable
15
COLLAR(2GH)
90387-281T8-00
Unavailable
16
COLLAR(2GH)
90387-211T9-00
Unavailable
17
GEAR, 2ND WHEEL
2GH-17221-00-00
Unavailable
18
BEARING (B6305A5 SPECIAL)(1AE)
93306-30546-00
Unavailable
19
COLLAR(1AE)
90387-253M9-00
Unavailable
19
COLLAR(2GH)
90387-281T8-00
Unavailable
20
GEAR, 3RD WHEEL
2GH-17231-00-00
Unavailable
21
GEAR, 4TH WHEEL
2GH-17241-00-00
Unavailable
22
WASHER (4H7)
90209-25196-00
Unavailable
23
CIRCLIP (2H7)
93440-28062-00
Unavailable
24
GEAR, 5TH WHEEL
2GH-17251-00-00
Unavailable
25
GEAR, 1ST WHEEL
2GH-17211-02-00
Unavailable
26
OIL SEAL (35X62X6-371)
93102-35109-00
Unavailable
27
SPROCKET,DRIVE 16T(2GH1746160)
2GH-17460-00-00
Unavailable
28
WASHER, LOCK(3LD)
90215-21290-00
Unavailable
29
NUT 152174630000
90179-18020-00
Unavailable
30
CIRCLIP
278-17424-01-00
Unavailable
31
BEARING(1FN)
93306-20455-00
Unavailable
32
CIRCLIP(1FN)
93440-45144-00
Unavailable
